Принцип работы арифметико–логического устройства будет ниже рассмотрен на примере простого АЛУ, работающего с двумя четырехразрядными операндами.

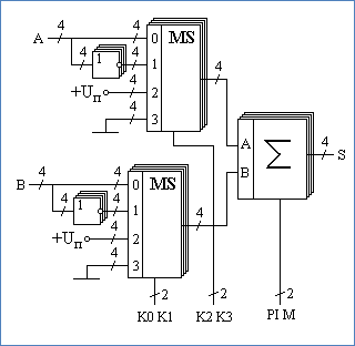
Рис. 3 – Структурная схема упрощенного АЛУ.
На рис.3 приведена упрощенная схема арифметико-логического устройства. В данной схеме используются четырех-входовые коммутаторы, для управления каждым из которых достаточно двух бит. То есть для управления всей схемой в целом достаточно четырёх проводов управления. В зависимости от значений управляющих сигналов K0, K1, K2, K3 устройство будет совершать различные математические операции над входными значениями операндов A и В. В зависимости от значений управляющих сигналов, поданных на каждый коммутатор, сумматору будет передан либо непосредственно сам операнд, либо его инверсия, либо последовательность нулей или единиц.
На результат операции будет влиять вход переноса сумматора PI, поэтому этот провод тоже включим в состав кода, управляющего схемой АЛУ. Операции, которые выполняются арифметической схемой в зависимости от поданного на управляющие линии кода, приведены в таблице 1.
Проанализируем эту таблицу. Если на все управляющие входы подать низкий потенциал, то к входу сумматора будут подключены коды A и B без инверсии. В этом случае будет производиться операция суммирования. Эта ситуация отображена первыми двумя строками таблицы выполняемых операций. Операция вычитания осуществляется второй, третьей, восьмой и девятой строкой. В этом случае один из операндов поступает на вход сумматора через блок инверторов. Правда для получения дополнительного кода не хватает единицы, но её можно подать на вход переноса сумматора PI. Ещё одной часто используемой операцией является увеличение числа на единицу или уменьшение числа на единицу. Эти операции позволяют легко организовывать циклы в программе и переходить от предыдущего операнда к следующему. Такие операции могут быть выполнены при помощи кодов, записанных в строках четыре, семь, шестнадцать и двадцать пять. Кроме того, схема арифметического устройства может просто передавать на выход любой из входных кодов без изменения, что позволяет осуществлять копирование данных (суммирование с константой ноль) через это устройство без дополнительных схем коммутации.
Таблица 1 – Операции, выполняемые арифметической схемой в зависимости от поданного на управляющие линии кода.
