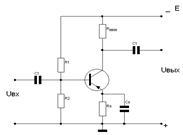
При построении выходных каскадов, прежде всего надо правильно выбрать способ подключения внешней нагрузки. Простейшим способом является непосредственное включение внешней нагрузки в выходную цепь, рис.9.1.

Рис.9.1. Выходной каскад с непосредственным включением нагрузки.
Такая схема включения нагрузки отличается простотой, отсутствием дополнительных элементов, потерь и нелинейных искажений. Однако при этом в однотактном каскаде через нагрузку протекает постоянная составляющая выходного тока, что значительно уменьшает КПД. К тому же протекание постоянной состовляющей через акустическую систему недопустимо. В этой схеме сопротивление нагрузки по постоянной и переменной составляющим равны сопротивлению внешней нагрузки: Rн==Rнвн; Rн~= Rнвн
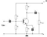
Второй способ подключения нагрузки может быть осуществлен через емкостную связь С1, что устраняет вышеуказанный недостаток, рис.9.2.

Рис.9.2. Выходной каскад с емкостной связью.
Этот способ построения выходных каскадов используется в импульсных усилителях напряжения, в эмиттерных и истоковых повторителях, а также находит широкое применение в операционных усилителях.
В усилителях мощности широкое применение находит трансформаторное включение. Рис.9.3.

Рис.9.3. Выходной каскад с трансформаторной связью.
Трансформатор служит выходным устройством, которое связывает выходную цепь усилителя с внешней нагрузкой и позволяет получить для усилительного элемента оптимальное сопротивление нагрузки, т.е. согласовать выход с сопротивлением нагрузки.
Известно, что трансформатор – это преобразователь сопротивления:

где
и
- токи в первичной и вторичной обмотках трансформатора;
и
- напряжение на соответствующих обмотках;
и
- количество витков в соответствующих обмотках.
Пересчитанное в цепь первичной обмотки сопротивление нагрузки определяется
. (9.2)
Из (9.2) можно сделать вывод, что в случае применения трансформаторной связи можно достигнуть максимальной передачи мощности и значительно повысить КПД. Однако использование трансформатора увеличивает габариты и вес, а также вносит дополнительные частотные и нелинейные искажения.
Через первичную обмотку трансформатора, включаемую в выходную цепь, подается напряжение питания на коллектор, а к вторичной обмотке подключают внешнюю нагрузку. Переменная составляющая выходного тока, проходя через первичную обмотку, создает на ней напряжение сигнала, трансформирующееся во вторичную обмотку и подающееся на внешную нагрузку.
-