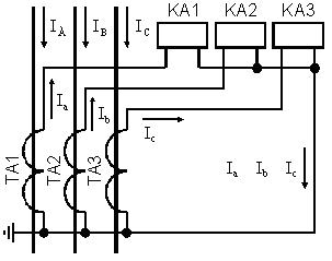
Схема соединения трансформаторов тока и обмоток реле в
Трансформаторы тока устанавливаются во всех фазах. Вторичные обмотки трансформаторов тока и обмотки реле соединяются в звезду и их нулевые точки связываются одним проводом, называемым нулевым. В нулевую точку объединяются одноименные зажимы обмоток трансформаторов тока. Схема соединения приведена на рис. 9.

Рис. 9. Схема соединения трансформаторов тока и обмоток реле в полную звезду
При нормальном режиме и трехфазном КЗ в реле КА1–КА3 проходят вторичные токи трансформаторов тока одноименных фаз, а в нулевом проводе их геометрическая сумма, которая при симметричных режимах равна нулю:
,
где
,
,
.
Коэффициент схемы
.
При двухфазном КЗ, например фаз А и В, первичный ток КЗ проходит только в двух поврежденных фазах и соответственно в реле, подключенных к трансформаторам тока поврежденных фаз. Ток в неповрежденной фазе отсутствует.
При двухфазном КЗ на землю ток проходит в двух реле, включенных на поврежденные фазы (например, В и С). В нулевом проводе проходит геометрическая сумма этих токов, всегда отличная от нуля.
|
|
|
Коэффициент схемы
.
При однофазном КЗ первичный ток КЗ проходит только по одной поврежденной фазе. Соответствующий ему вторичный ток проходит также только через одно реле и замыкается по нулевому проводу.
Коэффициент схемы
.
Ток в нулевом проводе равен сумме фазных токов 






