Базовые логические элементы
Всякая микросхема, реализующая сложную логическую функцию, по существу, представляет совокупность элементов И—НЕ или ИЛИ—НЕ. По схемотехнической структуре эти элементы и составляемые ими более сложные микросхемы делятся на ряд типов.
В настоящее время наиболее распространены микросхемы следующих типов: ТТЛ (транзисторно-транзисторная логика), ЭСЛ (эмиттерно-связанная логика), КМДП (на дополняющих — «комплементарных» транзисторах металл — диэлектрик — полупроводник). Для всех микросхем данного типа элемент И—НЕ (ИЛИ—НЕ) является базовым.
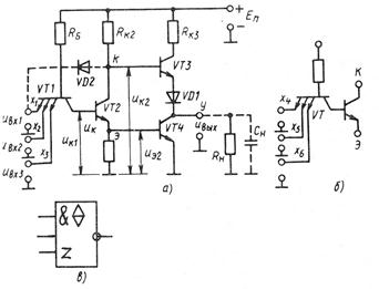
В этом элементе обе логические операции (И и НЕ) осуществляются транзисторами, чем определяется название типа логики: транзисторно-транзисторная. Напряжение, соответствующее логической 1, U1 = =2,4 - ÷ - 4,5 В, а соответствующее логическому 0 U0 ≤ 0,4 В; напряжение питания Еп = 5 В (рисунок 1.3.4.1.)

Рисунок 1.3.4.1.
Конъюнктор элемента (рисунок а) выполнен на многоэмиттерном транзисторе (МЭТ) VT1, который легко реализуется методами интегральной технологии. Его база через резистор RБ соединена с положительным зажимом источника питания Еп, эмиттеры являются входами элемента, а в цепь коллектора включен эмиттернобазовый переход транзистора VT2.
|
|
|
Потенциал базы VT1 выше потенциала коллектора, поэтому коллекторный переход VT1 отперт. Режим эмиттерного перехода зависит от ситуации на входах элемента.
Если хотя бы на одном входе присутствует низкий потенциал логического 0 (например, х1 = 0), то потенциал эмиттера u Э меньше потенциала базы uБ — эмиттерный переход отперт. Таким образом, оба перехода VT1 открыты и он насыщен. При этом практически весь ток базы проходит в цепь эмиттера, а напряжение
на коллекторе составляет доли вольт.
Если же на всех входах элемента высокий потенциал U1 логической 1 (х1=х2 = х3=1), то u Э > u Б — эмиттерный переход заперт и ток базы VT1 переключается в цепь коллектора, напряжение
на котором составляет теперь около 2 В.
Инвертор рассматриваемого элемента называют сложным. Он должен обеспечить элементу большую нагрузочную способность, т.е. обладать незначительным выходным сопротивлением.
Напомним, что выходное сопротивление простого транзисторного инвертора (рисунок а) зависит от его режима. Когда транзистор насыщен, на коллекторе низкий уровень логического 0 и Rвых весьма мало: оно равно сопротивлению rнас насыщенного транзистора. Если транзистор заперт, на его коллекторе высокий потенциал, а Rвых » RК
Чтобы Rвых рассматриваемого элемента было незначительно при обоих уровнях потенциала на выходе, к последнему подключены две цепи: первая из них содержит транзистор VT4, а вторая — транзистор VT3 и диод VD1. Когда заперт VT5 и насыщен VT4, на выходе низкий потенциал (логический 0), а Rвых = rнас. Когда заперт VT4 и открыт VT3, на выходе высокий потенциал (логическая 1); при этом каскад на транзисторе VT3 работает в активном режиме как эмиттерный повторитель (с малым Rвых), нагрузкой которого являются подключенные к выходу Rи и Си. Резистор RК3 имеет небольшое сопротивление, и в данном случае с его влиянием можно не считаться.
|
|
|
Рассмотрим, как осуществляется включение и выключение транзисторов VT3 и VT4. Ранее отмечалось, что если, к примеру, х1= 0, то напряжение uК1 на коллекторе VT1 незначительно. В этом режиме оно меньше 0,6 В — напряжения, при котором появляется заметный ток в коллекторных цепях кремниевых транзисторов данной микросхемы. Поэтому транзистор VT2 практически заперт — его эмиттер имеет потенциал, близкий к нулю, а коллектор — высокий потенциал. В результате VT3 открыт, а VT4 заперт (u вых= U1, у = 1). Таким образом, при логическом 0 на одном из входов (например, при х1 = 0) на выходе будет логическая 1 (у = 1).
Ранее было также установлено, что если на всех входах элемента присутствует высокий потенциал (логическая 1), то эмиттерный переход VT1 заперт и ток базы поступает в его коллектор, т. е. в базу транзистора VT2. В результате VT2 насыщается — по сравнению с предыдущим режимом потенциал его эмиттера u Э2 возрастает, а потенциал коллектора u К2 уменьшается до 1 В. Следствием увеличения uЭ2 является насыщение транзистора VT4 (u вых=U°»0,2 В — логический 0). Таким образом, при х1=х2 =х3 = 1 у=0.
Сопоставляя это с режимом x1 = 0, у = 1, приходим к выводу, что рассматриваемый элемент реализует логическую функцию И—НЕ.
В отсутствие диода VD1 на эмиттерно-базовый переход VT3 при uвых = U0 воздействовало бы напряжение uБЭЗ = uК2 — uвых» 1 — 0,2 = 0,8 В, в результате чего VT3 оказался бы отпертым. При наличии диода VD1 часть напряжения UК2 — uвых выделяется на нем, так что напряжение uБЭЗ становится меньше 0,6 В и VT3 оказывается практически запертым.
В заключение отметим, что резистор RК3 ограничивает начальный ток зарядки емкости нагрузки Сн, который проходит через транзистор VT3 при uвых= U1 и может оказаться значительным. Промышленность выпускает так называемый логический расширитель (рисунок б), который представляет собой часть структуры ТТЛ-элемента и может подключаться к нему в точках К и Э (рисунок а). При подключении расширителя конъюнкция входных сигналов может осуществляться транзистором VT1 (рисунок а) или VT (рисунок б) или обоими транзисторами — элемент реализует функцию И—ИЛИ—НЕ:
![]() |
y=X1 X2 X3+ X4 X5 X6,
что расширяет его функциональные возможности.
К классу ТТЛ относятся, в частности, микросхемы К155, К131, К555 серий.
Обратимся к цепи диода VD2, показанной на рисунке, а пунктиром. Если потенциал его катода соответствует уровню логической 1 (u=U1), то диод заперт и схема работает так, как это описано ранее. При u=U° диод отпирается, за счет чего запирается транзистор VT3, так как UБЗ»0. Кроме того, ток базы VT1 проходит в цепь имеющего низкий потенциал эмиттера, благодаря чему запирается транзистор VT2 и, как следствие, транзистор VT4. Таким образом, выход элемента оказывается отсоединенным от положительной клеммы источника питания и от «земли», т. е. на нем не может появиться ни 1, ни 0. Это равносильно отключению последующей части устройства от данного элемента, т. е. высокоомному (высокоимпедансному) состоянию его выхода.
Если выходы используемых элементов обладают указанным свойством, то при работе на общую нагрузку они могут соединяться, но при условии, что элементы функционируют не одновременно.
На рисунке, в показаны дополнительные атрибуты обозначения элемента, выход которого может устанавливаться в высокоомное состояние.
Базовый ЭСЛ-элемент ИЛИ/ИЛИ—НЕ
|
|
|
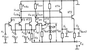
В этом элементе обе логические операции (ИЛИ, НЕ) выполняются эмиттерно-связанными транзисторами, чем и обусловлено название типа логики. Элемент имеет два выхода, на одном из которых фиксируется результат операции ИЛИ, а на другом — операции ИЛИ—НЕ. Обозначают такой элемент ИЛИ/ИЛИ—НЕ. Напряжение, соответствующее логической 1, U1 = — (0,7 ¸ 0,95) В, а логическому 0 U° = —(1,5¸1,9) В; напряжение питания Еп = 5 В (рисунок 1.3.4.2.)

Рисунок 1.3.4.2.
Основу структуры рассматриваемого элемента (рис. 3.30) составляет переключатель тока, рассмотренный в § 2.7. Он собран на входных VT1, VT2, VT3 и опорном VToп транзисторах, эмиттеры которых связаны. Потенциал базы VToп относительно минусовой шины Еп имеет стабильное значение EБ, а относительно «земли» — значение UБоп = ЕБ — Еп, которое лежит между уровнями входных сигналов: U°< UБоп< U1.
Когда хотя бы на одном входе действует напряжение U1 логической 1, один из входных транзисторов открыт — напряжение uэ на эмиттерах превосходит значение EБ и транзистор VToп заперт. Если напряжение на входе элемента меняется с U1 на U0 (так что х1 = х2 = х3 = 0), то uэ уменьшается и разность ЕБ — uэ оказывается достаточной для отпирания транзистора VT0П. При этом его ток создает на резисторе Rэ напряжение uэ, запирающее входные транзисторы VT1—VT3.
Таким образом, ток Iэ эмиттерной цепи переключается то в коллекторную цепь входных транзисторов (если хотя бы на одном входе логическая 1), то в коллекторную цепь опорного транзистора VToп (когда xl = x2 = x3 = 0).
Наличие тока в коллекторной цепи приводит к падению напряжения на включенном в нее резисторе (RК вх или RК оп) и к уменьшению потенциала коллектора относительно заземленной в данной схеме положительной шины источника питания. Поэтому, например, при х1 = 1 ток IК вх» Iэ и uвых1 имеет большое отрицательное значение — логический 0 (y1 = 0), а uвьх2 — меньшее отрицательное значение — логическая 1 (у2 = 1). При X1 = X2 = X3 = 0 ток IК оп» Iэ и uвых2= U° (у2 = 0), а uвых1 = U1 (y1 = 1).
Следовательно, по выходу y1 реализуется логическая функция ИЛИ—НЕ, а по выходу у2 — логическая функция ИЛИ.
|
|
|
На транзисторах VT4 и VT5 выполнены эмиттерные повторители. За счет них повышается нагрузочная способность элемента, а также по сравнению с uК вх и uК оп уменьшается уровень выходных сигналов на значение напряжения uБЭ на эмиттерно-базовых переходах VT4 и VT5. В отсутствие эмиттерных повторителей потенциалы с коллекторов данного элемента непосредственно воздействовали бы на базы входных транзисторов следующего элемента, что вызвало бы их насыщение.
Эмиттерный повторитель на транзисторе VT6 является источником стабильного опорного напряжения. При изменении температуры напряжения на диодах VD1 и VD2 изменяются примерно так же, как и uБЭ6. Поэтому ЕБ=uЭ6 = uБ6 — uБЭ6 сохраняется достаточно стабильным.
Обычно в схеме с n-p-n-транзисторами «заземляется» минусовая шина источника питания, имеющая в такой схеме самый низкий потенциал. При этом относительно нее потенциалы точек схемы не могут быть отрицательными. В рассмотренной схеме к «земле» присоединена плюсовая шина источника Еп, имеющего в данной схеме самый высокий потенциал. Поэтому относительно нее потенциалы точек схемы не могут быть положительными. Будем считать, что в среднем U1 = —0,8 В, U° = —1,7 В, UБоп = 0,5 (U1 + U°)= —1,25 В, а напряжение на открытом эмиттерном переходе кремниевого транзистора ео = О,6 В. Когда uвх1 = uвх2 = uвх3 = U°= — 1,7 В, то напряжение на эмиттерных переходах входных транзисторов uбэ=U° — (Uб оп —е0) = —1,7 — (1,25 — 0,6) = 0,15 В, при котором они заперты. Если на одном из входов появляется логическая 1 (например, uвх1 = U1 = — 0,8 В), то на эмиттерном переходе VT1 окажется напряжение uБЭ=u1 — (UБ оп — ео)= —0,8 —(—1,25 —0,6)» 1 В, при котором транзистор VT1 откроется. После этого напряжение на эмиттерном переходе опорного транзистора uБЭ = UБoп — (uBX1 — e0) = — 1,25 — (— 0,8 — 0,6) = 0,15 В, при котором опорный транзистор заперт.
«Заземление» положительной шины источника приводит к тому, что при колебаниях величины Еп обеспечивается большее постоянство уровней выходных логических потенциалов U1 и U0.
К классу ЭСЛ относятся, в частности, микросхемы серий К187, К223, К500.
