Схема с дешунтированием катушки отключения выключателей
На рис. 2.15 изображена двухфазная схема с двумя ТТ, установленными на фазах А и С и с двумя токовыми реле KA1 и KA2, действующими с выдержкой времени, зависящей от тока. ТТ ТА, питающие токовые реле, включенные по схеме неполной звезды, используются как источники оперативного тока.
Привод выключателя выполняется с двумя ЭО (YAT1, YAT2), которые приходят в действие от токов, проходящих в ТТ. Вторичный ток подается в ЭО контактами токовых реле KA1 и KA2. Их контакты должны производить операцию переключения без разрыва вторичной цепи ТТ.
При КЗ одно или оба реле KA срабатывают. Подвижный контакт сработавшего реле подключает соответствующий ЭО ко вторичной цепи ТТ без разрыва цепи, дешунтируя ЭО. После дешунтирования весь ток ТТ замыкается через ЭО, который отключает выключатель Q.

Рис. 2.15. Двухфазная схема МТЗ на переменном оперативном токе с дешунтированием
Блок питания (БП) является устройством, преобразующим с помощью выпрямителя переменное напряжение или ток сети в выпрямленное напряжение, которое используется для питания оперативных цепей РЗ, цепей отключения выключателей и сигнализации.
Применяются два вида блоков: с выпрямленным током, получаемым от ТТ; с выпрямленным напряжением, получаемым от ТН или трансформатора собственных нужд (ТСН).
Главный вопрос при выполнении защит на выпрямленном токе – способы подключения БП к ТТ и ТН. Для защит от КЗ в качестве основных используют БП, подключаемые к ТТ. БП, подключаемые к ТН, обеспечивают необходимую мощность при малых значениях тока.
Схемы включения токовых блоков должны выбираться из условия, чтобы на выходе блока имелось достаточное напряжение при всех возможных видах повреждения на защищаемом элементе.
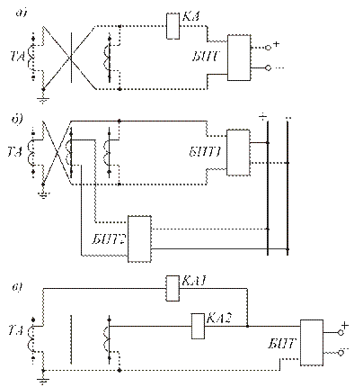
1. В сети с изолированной нейтралью для защит, не рассчитанных на действие при КЗ за трансформатором с соединением обмоток Y/D, применяется включение БП на разность токов I А– I C (рис. 2.16, а).
2. При необходимости действия защиты при КЗ за трансформаторами Y/D устанавливается второй БП (рис. 2.16, б).
3. При соединении ТТ в двухфазную звезду БП включается в нулевой провод (рис. 2.16, в).
В сетях с глухозаземленной нейтралью применяются аналогичные схемы.

Рис. 2.16. Схемы соединения БПТ
БП, подключаемый к ТН, включается на линейное напряжение (рис. 2.17).

Рис. 2.17. Схема соединения БПН
БПТ применяются для питания оперативных цепей МТЗ от КЗ, а блоки напряжения для РЗ, реагирующих на повреждения и ненормальные режимы, при которых на ТН (или ТСН) сохраняется повреждение, обеспечивающее необходимый уровень напряжения на выходе БПН.
Выпрямленное напряжение, получаемое на выходе БП, имеет пульсирующий характер в виде полуволн постоянного знака. Поэтому питание устройств РЗ, построенных на полупроводниковых элементах, возможно только при установке на выходе блоков сглаживающих фильтров, ограничивающих пульсацию выходного напряжения БП до 3%.






