Схема замещения изоляции на переменном напряжении может быть представлена как параллельное соединение конденсаторов Ср и резистора R независимо от того, является ли изоляция однослойной, двухслойной или многослойной, так как накопление зарядов на границе раздела двух слоев на переменном напряжении отсутствует. В сопротивлении Rx происходит рассеивание энергии.
Отношение активной проводимости gx
к емкостной проводимости
называется тангенсом угла диэлектрических потерь и обозначается tg
. Таким образом, для параллельной схемы замещения tg
выразится:
tg
=
Измерение tg
при частоте 50 Гц является одним из наиболее распространенных методов контроля изоляции электрооборудования высокого напряжения, поскольку распределенные дефекты (увлажнение, ионизация газовых включений) вызывают увеличение диэлектрических потерь. Измерение значения tg
дает представление о качестве изоляции, а характер изменения tg
при периодических измерениях позволяет судить об ухудшении свойств изоляции.
Оценка состояния изоляции по значениям tg
предусматривается Правилами устройства электроустановок (ПУЭ) почти для всех видов изоляции. В некоторых случаях снимают зависимость tg
от приложенного напряжения. У изоляции нормального качества значение tg
при напряжениях до 1,5Uраб в большинстве случаев остается практически неизменным (кривая 1 на рис. 10.1).
![]() |
Рисунок 10.1 - Зависимость tg
от напряжения:1 — изоляция нормального качества; 2 — изоляция с газовыми включениями.
Если же при повышении напряжения tg
начинает быстро возрастать (кривая 2 на рис. 10.1), то это свидетельствует об ионизации и возникновении частичных разрядов (ЧР) в газовых включениях. За счет ЧР возрастает рассеяние дополнительной энергии, что и вызывает резкий рост tg
. Зависимость tg
= f(U) получила название «кривой ионизации». По ней можно ориентировочно определить напряжение Uчр появления ЧР. Оно определится как напряжение, при котором начинается рост tg
. Величину tg
изоляции измеряют с помощью моста переменного тока Р5026или Р5026М (моста Шеринга), принципиальная схема которого приведена на рис. 10.2.
![]() |
Рисунок 10.2 - Принципиальная схема моста Шеринга для измерения емкости и tg
изоляции.
Плечами моста переменного тока являются:
Cx, Rx - емкость и сопротивление утечки испытуемой изоляции;
CN — эталонный конденсатор с малыми потерями;
R3 — регулируемый образцовый резистор
R4 и С4 — нерегулируемый образцовый резистор и регулируемый образцовый конденсатор.
К одной из диагоналей моста подводится переменное напряжение (до 10 кВ). В другую диагональ включен гальванометр Г, служащий индикатором моста. Защитные разрядники Р предохраняют измерительные плечи моста в случае пробоя испытуемой изоляции. Для уменьшения ошибок измерения вследствие наводок от внешних полей мост экранируется. Изменяя величину сопротивления резистора R3 и емкости конденсатора С4, добиваются равновесия моста, при котором индикатор Г не отклоняется от нулевого значения. Как известно, условием равновесия моста переменного тока является равенство произведений полных сопротивлений (или полных проводимостей) противоположных плеч моста, т. е.
ZXZ4=Z3ZN.
.
Значения проводимостей каждого плеча:
.
и перемножим выражения в скобках:
.
Приравнивания действительные и мнимые части равенства, получим два условия равновесия моста (по амплитуде и фазе):
=0 или
,
или
.
Учитывая, tg 
получим:
tg
= 
Пренебрегая членом
, найдем выражение для Сx:

Обычно
берется равным
106 = 3184 Ом. Тогда tg
= 106С4, если С4 берется в фарадах, или tg
= С4, если С4 берется в микрофарадах.
Схема измерения tg
, показанная на рисинке 1.24, называется «нормальной» схемой. Она может быть использована лишь в том случае, если оба электрода испытуемого объекта изолированы от «земли». Однако в условиях эксплуатации часто один из электродов испытуемой изоляции «наглухо» заземлен, и «нормальная» схема не может быть использована. В таких случаях измерение tg
производят по так называемой «перевернутой» схеме, которая отличается от «нормальной» тем, что высокое напряжение подается в точку соединения резисторов R3 и R4, а заземляются точки соединения Cx и CN.
В «перевернутой» схеме оба измерительных плеча и индикатор Г оказываются под высоким потенциалом. Чтобы обеспечить безопасные условия работы с мостом, изоляция ручек регулируемых элементов моста (R3, С4 и Г) выполняются на двойное номинальное напряжение моста.
В качестве источника высокого напряжения обычно применяют измерительный трансформатор напряжения НОМ-10.
В условиях эксплуатации обеспечить хорошую экранировку испытываемой конструкции практически невозможно. Поэтому для уменьшения ошибки, обусловленной внешними влияниями, производят два измерения с изменением фазы испытательного напряжения на 180°, а величину tg
определяют, как среднее двух измерений, т. е.
.
где Cx1, и Cx2 — емкости изоляции по результатам первого и второго измерений.
Измерения с изменением фазы испытательного напряжения на 180° дают ошибки с разными знаками, которые при усреднении результатов измерений отчасти компенсируются.
Измерение тангенса угла диэлектрических потерь обмоток трансформаторов производится между каждой обмоткой и корпусом при заземленных свободных обмотках. Измерения на трансформаторах, залитых маслом, допускается производить при напряжении, не превышающем 60 % заводского испытательного напряжения измеряемой обмотки, но не выше 10 кВ.
Наибольшие допустимые значения tg
в процентах, устанавливаемые ПУЭ для обмоток трансформаторов приведены в таблице 10.1.
Таблица 10.1 - Наибольшее допустимое значение tg
для обмоток трансформаторов, %
| Трансформаторы | Температура обмотки, °С | ||||||
| 35 кВ мощностью более 10000кВАи 110кВ всех мощностей | 1,8 | 2,5 | 3,5 | 5,0 | 7,0 | 10,0 | 14,0 |
| 220 кВ всех мощностей | 1,0 | 1,3 | 1,6 | 2,0 | 2,5 | 3,2 | 4,0 |
Примечание. Значения tg
, указанные в таблице, относятся ко всем обмоткам данного трансформатора. Правила регламентируют также значения tg
для изоляции высоковольтных вводов трансформаторов и трансформаторного масла.
Следует отметить, что величина tg
, измеренная на промышленной частоте, зависит не только от свойств изоляции, но и от свойств масла, залитого в трансформатор, и соотношения объемов масла и твердой изоляции. Это делает критерии отбраковки изоляции по tg
«размытыми», оценку состояния приближенной и приводит к тому, что во многих случаях диагноз приходится ставить на основании сравнения результатов измерений с предыдущими данными. Так, в российских энергосистемах в соответствии с рекомендациями «Объема и норм испытания электрооборудования» браковочным критерием по tg
для трансформаторов напряжением 110 кВ и выше является превышение его значения на 50 % по сравнению с заводскими данными. Однако, если tg
при температуре 20 °С не превышает 1 %, его сравнение с исходными данными не требуется.
В практике энергокомпаний США для силовых трансформаторов удовлетворительным считается tg
до 1 %, если tg
= 1—2 %, то состояние изоляции вызывает сомнения. Если же значение tg
> 2 %, то состояние изоляции плохое. Во всех случаях значения tg
приведены к температуре 20 °С.
В заключение следует сказать, что даже приближенная оценка состояния изоляции трансформатора по величине tg
имеет очень большое значение и измерения tg
широко распространены во всем мире. Приборы для измерения tg
продолжают совершенствоваться. В качестве иллюстрации можно привести выпуск малогабаритного переносного прибора типа ИТП-1М для измерения tg
объектов с малой емкостью, например линейных изоляторов. К изолятору прикладывается пилообразное напряжение с амплитудой 1500 В. Действующее значение напряжения 750 В. Прибор работает от сети и от встроенных химических источников тока.
Контроль изоляции по интенсивности частичных разрядов
Основной причиной старения изоляции при воздействии сильных электрических полей являются так называемые частичные разряды (ЧР). Они представляют собой локальные пробои ослабленных участков высоковольтной изоляции. Такими ослабленными или дефектными участками являются газовые включения. В процессе эксплуатации газовые включения могут возникнуть вследствие растрескивания или расслоения изоляции от механических нагрузок и вибрации или при разложении диэлектрика с выделением газов, например при сильном нагреве.
Газовые включения представляют собой слабые места в изоляции, так как газы имеют меньшую электрическую прочность, чем диэлектрик. Кроме того, относительная диэлектрическая проницаемость газов близка к единице, у диэлектриков же она значительно больше. Электрические напряженности в двух средах обратно пропорциональны их диэлектрическим проницаемостям. Следовательно, напряженность электрического поля в газовых включениях намного больше, чем в диэлектрике. Это приводит к тому, что в газовых включениях при некотором значении напряжения происходит пробой. Этот пробой не является полным, поскольку размеры газовых включений составляют малую часть от полной толщины изоляции, и оставшаяся изоляция служит барьером, включенным последовательно с газовым промежутком. Поэтому такие пробои называют не полными, а частичными пробоями или частичными разрядами. Хотя энергия, рассеиваемая при единичном ЧР невелика, однако многократное повторение ЧР постепенно приводит к разрушению диэлектрика. Скорость разрушения зависит от того, как часто повторяются ЧР и какая энергия рассеивается в каждом единичном ЧР.
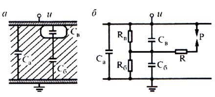
Для выяснения особенностей развития ЧР воспользуемся схемой замещения изоляции с газовым включением (рис. 10.2). На схеме обозначены:
,СВ - сопротивление утечки и емкость газового включения;
Rб, Сб - сопротивление утечки и емкость барьера, т. е. участка изоляции, расположенного последовательно с газовым включением;
Са , — емкость всей остальной изоляции.
Срабатывание разрядника Р имитирует пробой газового включения. Его пробивное напряжение равно пробивному напряжению Unр газового включения. Резистор R условно изображает сопротивление канала разряда воздушного включения.
При включении изоляции на переменное напряжение токи, текущие через конденсаторы Св и Сб, значительно больше токов, протекающих через резисторы RB и Rб. Поэтому токами утечки через резисторы RB и Rб, можно пренебречь и считать сопротивления резисторов rb и R6 равными бесконечности. Распределение напряжения по конденсаторам Св и Сб будет определяться емкостями этих конденсаторов.
![]() |
Рисунок 10.2 - Схема изоляции с газовым выключением(а) и его схема замищения при ЧР (б)
Рассмотрим процессы на переменном токе с учетом такого допущения. Пусть с момента t = 0 на изоляцию воздействует переменное напряжение
Приложенное напряжение до возникновения ЧР распределяется по конденсаторам Св и Сб обратно пропорционально их емкостям:
.
,
Где
;
.
В момент tl напряжение ub достигнет значения Unр и произойдет пробой разрядника Р, т. е. возникнет первый ЧР в газовом включении (рис. 10.3). При пробое напряжение на газовом включении практически мгновенно снижается до значения напряжения гашения Ur, при котором канал разряда обрывается, и ЧР гаснет. Экспериментально установлено, что
= Ur/ Unр =0,5—0,8.
Во время ЧР напряжение на газовом включении уменьшается скачком на величину
uв = Unр - Ur а напряжение на емкости барьера Сб увеличивается скачком на эту же величину
uв.
![]() |
Рисунок 10.2 - Изменение напряжения uв на газовом включении при ЧР в случае переменного напряжения.
После погасания первого ЧР напряжение на Св вновь начинает возрастать, но теперь уже в соответствии с выражением:

В момент t2 напряжение uв опять достигнет значения Unр и произойдет второй ЧР. Напряжение на Св, как и при первом ЧР, скачком уменьшится на величину
uв, а на Сб увеличится на ту же величину. После погасания ЧР напряжение на Св будет изменяться по закону:
.
При t = t3 произойдет третий ЧР и т. д. ЧР будут следовать друг за другом так, как это показано на рисунке 10.2, до тех пор, пока приложенное напряжение не достигнет максимального значения. После этого полярность напряжения на газовом включении меняется, и при достижении значения uв = - Unр вновь возникают ЧР. Число ЧР за полпериода определится:

Соответственно число ЧР в единицу времени будет равно:
.
Из формулы следует, что минимальное число ЧР
в единицу времени будет при
.
Для промышленной частоты это минимальное число равно:
=
.
Напряжение, при котором появляется это минимальное число ЧР, называют напряжением возникновения ЧР и обозначается UЧP. Действующее значение этого напряжения определится из формулы (22.):
.
В изоляционной конструкции может быть несколько расположенных в разных местах газовых включений, имеющих разные размеры и пробивные напряжения, каждому из которых соответствует свое UЧPi. В этом случае напряжение UЧP для всей конструкции равно наименьшему.
При работе изоляции на постоянном напряжении распределение напряжений по конденсаторам Св и Сб совпадает с распределением напряжений по резисторам RB и Rб. Процессы в изоляции в этом случае протекают в соответствии с графиком, изображенным на рис. 10.3.
![]() |
Рисунок 10.3 - Изменение напряжения uв на газовом включении при ЧР для постоянного напряжения
Пусть в момент t = 0 к изоляции прикладывается напряжение U0, причем
.
Постоянная времени внешней цепи мала, и поэтому напряжение на воздушном включении uв практически мгновенно возрастает до значения Unр, и сразу возникает первый ЧР. После этого напряжение на воздушном включении практически мгновенно падает до величины Ur, и разряд гаснет. После прекращения ЧР напряжение на конденсаторе Св начинает расти в соответствии с выражением:

где
— установившееся значение напряжения на воздушном промежутке в случае отсутствия пробоя в нем и определяемое по закону Ома для цепи постоянного тока; uвсв — свободная составляющая; А — постоянная интегрирования, определяемая из начальных условий;
постоянная времени изоляции с газовым включением.
Подставив в уравнение начальные условия t = 0, uв = Ur, получим

Откуда найдем постоянную интегрирования
.
Следовательно, напряжение на воздушном промежутке будет изменяться по закону:
.
В момент
напряжение на конденсаторе Св достигнет значения Unp и произойдет второй ЧР. Далее процесс будет повторяться. Интервалы времени
между разрядами найдётся из соотношения:

Откуда
.
Для высоковольтной изоляции нормального качества постоянная времени составляет обычно несколько десятков секунд, а
-несколько секунд.
Число ЧР в единицу времени при постоянном напряжении будет равно:

При постоянном напряжении число ЧР в единицу времени и, соответственно, разрушающий эффект от них будут на несколько порядков меньшими, чем при переменном напряжении. Поэтому, при прочих равных условиях, в изоляции, предназначенной для работы на постоянном напряжении, допустимы; более высокие рабочие напряженности, и толщина изоляции межет быть меньшей, чем при переменном напряжении.
Следует, однако, иметь в виду, что увлажнение и нагрев изоляции могут привести к снижению
на несколько порядков и соответственно к резкому росту числа ЧР и темпов электрического старения. Поэтому защите от увлажнения изоляции аппаратов постоянного тока, контролю ее состояния и своевременной сушке должно уделяться особое внимание.
Энергия, рассеиваемая в газовом включении при единичном ЧР, определяется как разность энергий, запасенных в емкости Св
в моменты, предшествующие разряду и после его погасания:

где gв = CB
B — заряд, нейтрализующийся при ЧР в газовом включении.
Средняя мощность частичных разрядов в одном включении будет равна:
Pчp=Wчpn,
При многократном повторении ЧР поверхность включения постепенно разрушается, на ней появляются локальные углубления. Затем разряды концентрируются в этих углублениях, последние со временем растут, образуя в диэлектрике узкие разветвленные каналы-щели. По мере удлинения каналов электрическая прочность изоляции снижается. Процесс завершается полным пробоем изоляции по пути, подготовленному длительным действием ЧР.
Энергия Wчp и мощность Pчp являются важнейшими характеристиками ЧР, определяющими разрушающий эффект и скорость старения изоляции. Однако даже в случае относительно мощных и заведомо опасных для изоляции ЧР величины Wчp и Pчp настолько малы, что их непосредственное измерение затруднительно или невозможно. Поэтому в качестве меры интенсивности ЧР вместо Wчp и Pчp используют другие величины, пропорциональные им и удобные для измерения. Рассмотрим их.
При ЧР в газовом включении нейтрализуется заряд:
,
где
В — скачок напряжения на газовом включении.
Во время ЧР в цепи возникает переходный процесс, при котором напряжение между электродами диэлектрика скачкообразно изменяется на величину
. Этому скачку соответствует изменение заряда, равное:

где Сx — полная емкость изоляции.
Величина
называется кажущимся зарядом и может быть измерена по
данным измерения
и Cx. Кажущийся заряд пропорционален энергии единичного ЧР и по рекомендации Международной электротехнической комиссии (МЭК) принят в качестве меры интенсивности единичного ЧР. Схема для измерения интенсивности ЧР приведена на рис10.4.
![]() |
Рисунок 10.4 − Принципиальная схема измерения интенсивности ЧР в испытуемой изоляции:
Тр − испытательный трансформатор; R − защитное сопротивление; Су − емкость объекта испытания; Ср − разделительный конденсатор; Z − измерительное сопротивление; ИЧР − индикатор частичных разрядов.
Параллельно объекту измерения через разделительный конденсатор Ср подключают измерительное сопротивление Z, падение напряжения
z с которого подается в специальный прибор, называемый индикатором частичных разрядов ИЧР.
Зная
и Cx, определяют кажущийся заряд ЧР. Практикой установлено, что ЧР с кажущимся зарядом 10 -12 − 10 -11Кл не могут вызвать быстрого разрушения изоляции, они называются начальными ЧР. Частичные разряды с кажущимся зарядом 10 -8—10 -7Кл называются критическими. Они резко сокращают срок службы изоляции, поэтому в процессе длительной эксплуатации недопустимы. Для измерения интенсивности ЧР можно использовать также и схему, показанную на рис. 9.6. Сигнал с измерителя И1 подается на компьютер, где он обрабатывается специальным образом. На экране дисплея выводится гистограмма ЧР. Для обследования изоляции находящегося в эксплуатации высоковольтного электрооборудования (трансформаторы, газовые выключатели, линии электропередач и др.) применяют комбинацию электрического и акустического замеров. Это позволяет локализовать места возникновения ЧР, даже когда оборудование находится в металлическом корпусе (рис10.5).
![]() |
Рисунок 10.5 − Устройство с электромагнитным и акустическим приёмниками для измерения ЧР.
Устройство содержит приемник электромагнитных излучений I и акустический приемник 2. Сигналы с обоих приемников подаются на входы регистрирующего устройства 3, в качестве которого используют осциллограф. Вход приемника электромагнитных излучений подключен к индуктивному датчику 4, а вход акустического приемника - к датчику акустического сигнала 5. Первый датчик регистрирует импульс тока через заземлитель. Второй датчик накладывают на металлический корпус 6 электрооборудования. Критерием обнаружения места возникновения ЧР внутри металлического корпуса является разность времен
прохождения электромагнитного и акустического сигналов ЧР от места возникновения ЧР до соответствующих приемников. Скорость электромагнитных волн (скорость света) больше скорости распространения звука. Поэтому сначала приходит электромагнитный сигнал, вызванный импульсом тока, а затем через промежуток времени приходит акустический сигнал.
Чем дальше от стенки металлического корпуса находится источник ЧР, тем больше промежуток времени
. Следовательно, зная скорость распространения звука в известной среде и время
, можно определить расстояние места ЧР до стенки бака. Располагая датчики акустического сигнала спереди, сбоку и вверху, можно определить все три координаты х, у и z места ЧР.






