Характеристика технологических процессов
Лекция №33
Магнитно-импульсная обработка металлов (МИО) – это способ пластической деформации металлов и их сплавов, осуществляемый при прямом преобразовании электрической энергии в механическую непосредственно в самом обрабатываемом изделии. Схема магнитно-импульсного формообразования показана на рис. 56.
Магнитно-импульсная обработка применяется для пластического деформирования металлов и сплавов (обжатие и раздача труб, формовка трубчатых и листовых заготовок, калибровка и т. п.) и основана на непосредственном преобразовании энергии меняющегося с большой скоростью магнитного поля, возбуждаемого, например, при разряде батареи мощных конденсаторов на индуктор, в механическую работу при взаимодействии с проводником (заготовкой). Преимущества метода — отсутствие движущихся и трущихся частей в установках, высокая надёжность и производительность, лёгкость управления и компактность, наличие лишь одного инструмента — матрицы или пуансона (роль другого выполняет поле) и др.: недостатки — относительно невысокий кпд, затруднительность обработки заготовок с отверстиями или.
|
|
|
Деформация токопроводящих материалов при проведении магнитной обработки происходит в результате взаимодействия импульсного магнитного поля, создаваемого внешним источником, с током, индуктируемым этим полем в обрабатываемой детали. Для возбуждения импульсного магнитного поля используется токопроводящий элемент, который называется индуктором и может иметь разнообразную форму.

Рис. 56. Магнитно-импульсное формообразование.
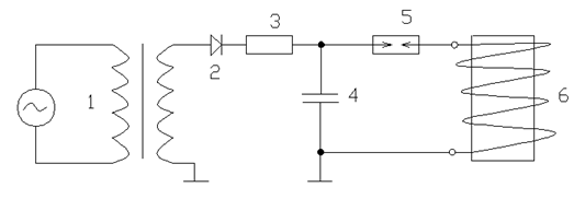
Проходящий по витку ток создает вокруг него магнитное поле. Если в это магнитное поле ввести проводящий контур, то в нем возникнут вихревые токи, величина которых пропорциональна скорости изменения магнитного потока. Взаимодействие вихревого тока в контуре с внешним магнитным полем витка приводит к появлению механических давлений за счет пондермоторных сил. Для создания местной деформации между витком 1 и заготовкой 2 вводится металлический концентратор 3. Давление на заготовку достигает значений 4∙109 Н/м2 (при В=1 МГс). Формирование изделий электромагнитным полем осуществляется на установках, имеющих принципиальную схему, показанную на рис. 57.

Рис.57. Принципиальная схема установки для магнитно-импульсной обработки: 1 – высоковольтный трансформатор; 2 – выпрямитель; 3 – зарядное сопротивление; 4 – конденсатор; 5 – разрядник; 6 – индуктор.
Одним из основных узлов установки является индуктор, от надежности которого зависит эффективность процесса. Так как при деформациях индуктор испытывает силовое воздействие, то его изготавливают из материала, с высоким пределом текучести и высокой температурой плавления, например меди, бериллиевой бронзы, стали, вольфрама. Динамическая прочность индуктора может быть повышена за счет увеличения массивности и улучшения межвитковой изоляции.
|
|
|
Режимы электромагнитной обработки выбирают исходя из коэффициента формуемости различных материалов. Например, для меди k=500000 Гс/м, для нержавеющих сталей k=3∙107 ГС/м.
При обработке деталей изготовленных из металлов с большим сопротивлением, на них накладывают медную фольгу или наносят гальваническим способом медь.
Достоинства электромагнитной импульсной формовки:
1. Большие скорости обработки, позволяющие формовать детали из маловязких и твердых металлов, которые не поддаются пластической деформации при обычных скоростях;
2. Отсутствие механического соприкосновения между деталью и индуктором, что дает возможность штамповать металлы с нанесенными защитными покрытиями;
3. Относительная несложность;
4. Технологическая гибкость;
5. Лучшие условия труда по сравнению с условиями труда при других методах обработки деталей давлением и т.д.
Недостатки процесса:
1. Сравнительно низкий КПД из-за потерь на нагрев и рассеяние;
2. Сложность обработки деталей с отверстиями или пазами, мешающими прохождению тока;
3. Невысокая долговечность индукторов при работе в электрических полях высокой напряженности;
4. Сложность обработки заготовок больших толщин.
Метод магнитоимпульсной обработки используется для операций развальцовки тонкостенных металлических заготовок любых форм; опрессовки хрупких материалов; чеканки; соединения металлических деталей с неметаллическими; штамповки из металлического листа и т.д.