ИЗГИБАЕМЫЕ ЖЕЛЕЗОБЕТОННЫЕ ЭЛЕМЕНТЫ
Железобетонными изгибаемыми элементами являются плиты и балки.
По расчетным схемам плиты и балки могут быть самостоятельно работающими и входить в состав покрытий и перекрытий. По числу пролетов они бывают одно- и многопролетные. По способу изготовления различаются монолитные и сборные элементы.
Монолитные плиты делают толщиной 60...100 мм, сборные – 25...40 мм. Плиты армируются плоскими и рулонными сетками. В однопролетных плитах сетки располагаются только понизу, в многопролетных – понизу и поверху над опорами (в соответствие с эпюрой моментов). Оптимальное значение коэффициента армирования (отношения площади арматуры к площади сечения бетона) составляет 0.003...0.006. Плиты с отношением длин сторон больше двух рассматриваются как балки с пролетом, равным меньшей стороне.
Железобетонные балки могут быть прямоугольного, таврового, двутаврового и трапецеидального поперечного сечения. Высота балок составляет 1/10...1/20 пролета; ширина – 0.25...0.5 высоты. Балки армируются обычно сварными каркасами; в балках шириной 150 мм и более устанавливаются не менее двух каркасов. Продольная арматура работает на моментную нагрузку, поперечная и отгибы продольной арматуры – на перерезывающую силу. Расстояния между поперечными стержнями при высоте балки h <= 450 мм не должны быть более 0.5 * h и более 150 мм; при высоте h > 450 мм – не более 0.333 * h и не более 500 мм (эти требования относятся к приопорным участкам длиной 1/4 пролета). В балках высотой более 700 мм у боковых граней ставят дополнительные продольные стержни с сечением не менее 0.1 % от площади поперечного сечения балки. Наклонные стержни и отгибы продольной арматуры у опорных частей балки ставят обычно под углом 45 град., в высоких балках (h > 800 мм) – 60 град. Оптимальный коэффициент армирования балок –0.012...0.018.
|
|
|
В предварительно напряженных железобетонных элементах с прямолинейной рабочей растянутой арматурой площадью сечения A_sP применяется предварительно напряженная арматура в сжатой зоне бетона с площадью сечения A_sP_1 = (0.15...0.25) * A_sP.
Требования к защитному слою, армированию (расстояние между стержнями) и анкеровке приведены в подразделе 9.1.
Расчет прочности по нормальным сечениям (1-й группе предельного состояния) рассматривается для прямоугольного сечения и таврового сечения с арматурой в сжатой зоне. При этом основным является расчет прямоугольного сечения, к которому приводятся остальные виды расчета.
Расчет прямоугольного сечения изгибаемого железобетонного элемента (рис. 15) выполняется по формулам
M < = R_b * b *x * (h_0 - x / 2), (18)
|
|
|
R_s * A_s = R_b * b * x, (19)
x = (R_s * A_s) / (R_b * b), (20)
cy = x / h_0 = my * ny, (21)
M = al_0 * R_b * b * h_0 * h_0, (22)
M = iy * R_s * A_s * h_0, (23)
al_0 = cy * (1 - 0.5 * cy), (24)
iy = 1 - 0.5 * cy, (25)
где M – расчетный изгибающий момент;
b – ширина прямоугольного сечения;
h_0 – расчетная высота прямоугольного сечения (h_0 = h - a), т. е. высота без расстояния от низа сечения до центра растянутой арматуры;
R_b – расчетное сопротивление бетона на сжатие;
R_s – расчетное сопротивление арматуры на растяжение;
x – высота сжатой зоны бетона;
cy = x / h_0 – относительная высота сжатой зоны бетона;
my = R_s / R_b – отношение расчетных сопротивлений арматуры к бетону;
A_s – сечение растянутой арматуры;
ny = A_s / (b * h_0) – отношение сечение растянутой арматуры к расчетному сечению бетона (коэффициент армирования);
al_0 и iy – вспомогательные расчетные переменные.

Рис. 15. Расчетная схема ж/б изгибаемого элемента прямоугольного сечения
Относительная высота сжатой зоны бетона (cy) должна быть меньше или равна коэффициенту граничной высоты сжатой зоны бетона (cy_R)
cy < = cy_R. (26)
cy_R определяется по эмпирической формуле
cy_R = om / (1 + k * (1 - om / 1.1)), (27)
где om – параметр граничной высоты сжатой зоны бетона (для тяжелого бетона om = 0.85 - 0.008*R_b);
k – параметр отношения напряжений в арматуре (для арматуры с площадкой текучести, т. е. классов A-I, A-II, A-III, k = R_s / 400).
В соответствие с приведенными зависимостями решаются три типа задач.
1. Дано: M, b, h_0, R_b, R_s. Найти: A_s.
Решение: по формуле (22) определяется al_0; по формулам (24) и (25) или таблице находятся cy и iy (выполняется проверка cy < = cy_R); по формуле (23) вычисляется искомая площадь арматуры A_s.
2. Дано: M, b, R_b, R_s, ny. Найти: h_0.
Решение: по формуле (21) определяется cy (выполняется проверка cy <= cy_R), по формуле (24) вычисляется al_0 и по формуле (22) – искомое значение h_0.
3. Дано: R_b, R_s, b, h_0, A_s. Найти: M.
Решение: по формуле (20) определяется x и по формуле (18) – M.
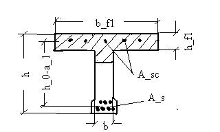
Расчет изгибаемого элемента с тавровым сечением и арматурой в сжатой зоне (рис. 16) производится путем определения внутреннего момента полки и сжатой арматуры и приведения к прямоугольному сечению полки или стенки сравнением внешнего момента с внутренним.

Рис. 16. Расчетная схема ж/б изгибаемого элемента с тавровым сечением и арматурой в сжатой зоне
Внутренний момент полки и сжатой арматуры (M_bs1) определяется с помощью выражения
M_bs1 = R_b*b_f1*h_f1*(h_0 - h_f1/2) + R_sc*A_sc*(h_0 - a_1), (28) где b_f1, h_f1 – ширина и высота полки;
R_sc – расчетное сопротивление арматуры на сжатие;
A_sc – площадь сжатой арматуры;
a_1 – расстояние от верха сечения до центра сжатой арматуры.
При M < = M_bs1 (сжатая зона бетона находится внутри полки) ширина расчетного прямоугольного сечения равна ширине полки (b = b_f1). Расчет прямоугольного сечения выполняется для внешнего момента без момента сжатой арматуры, т. е. M - R_sc*A_sc*(h_0 - a_1).
При M > M_bs1 (сжатая зона бетона находится ниже полки) ширина расчетного прямоугольного сечения равна ширине стенки (b). Расчет прямоугольного сечения производится для внешнего момента без момента сжатой арматуры и свесов полки, т. е. M - R_sc*A_sc*(h_0 - a_1) - R_b*(b_f1 - b)*h_f1*(h_0 - h_f1/2).
При значительной ширине полки в расчете участвует только часть ее свеса: при h_f1 > = 0.1*h принимается свес не более 6*h_f1; при 0.05*h < = h_f1 < 0.1*h – не более 3*h_f1; при h_f1 < 0.05 свесы полки в расчет не вводятся.