Существуют два случая разрушения сжатых железобетонных элементов:
1-й случай с большим эксцентриситетом, при котором происходит разрушение по типу нормально армируемого изгибаемого элемента;
2-й случай с малым эксцентриситетом, при котором выполняется хрупкое разрушение сжатого бетона из-за переармирования.
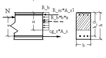
Расчет внецентренно сжатых элементов (рис. 18) выполняется по формулам, полученным равновесием усилий и моментов
N <= R_b*b*x + R_sc*A_s1 - sg_s*A_s, (33)
N*e <= R_b*b*x*z_b + R_sc*A_s1*z_s1, (34)
где sg_s – напряжение в растянутой арматуре;
e – эксцентриситет силы;
z_b – внутреннее плечо момента сжатой зоны бетона;
z_s1 – внутреннее плечо момента сжатой арматуры.
Остальные переменные приведены в подразделах 10.2 и 11.1.

Рис. 18. Схема расчета внецентренно сжатого элемента
Для 1-го случая – sg_s = R_s и должно соблюдаться условие (26) нормально изгибаемого элемента, т. е. cy < = cy_R.
Для 2-го случая – sg_s = (2 * (1 - cy)/(1 - cy_R) - 1)*R_s (при соблюдении условия cy_R < = cy < = 1).
Учет гибкости внецентренно сжатого элемента производится при LL > = 14 путем умножения эксцентриситета продольной силы (e_0) на коэффициент увеличения эксцентриситета (et). Полная величина эксцентриситета определяется по формуле
|
|
|
e = e_0 * et. (35)
Коэффициент увеличения эксцентриситета представлен формулой
et = 1 / (1 - N / N_cr), (36)
где N_cr – критическая сила.
Критическая сила определяется по эмпирической формуле N_cr=6.4*E_b*((I*(0.11/(0.1+dl/ph_sP)+0.1)/ph_l)+ny*I_s)/l_0**2, (37)
где E_b – модуль упругости бетона (E_b = 24000 МПа);
I – момент инерции сечения элемента (для прямоугольника I = b*h**3/12);
dl – эксцентриситет, отнесенный к полной высоте сечения (dl = e_0/h);
ph_sP – коэффициент, учитывающий предварительное напряжение (при отсутствии предварительного напряжения ph_sP = 1);
ph_l – коэффициент, учитывающий влияние длительности действия нагрузки (для тяжелого бетона ph_l =1 + M_l/M, где M_l и M – моменты длительной и полной нагрузок относительно наименее сжатой арматуры);
ny – отношение модулей упругости арматуры и бетона (ny = E_s/E_b = 200000/24000);
I_s – момент инерции сечения арматур относительно центра тяжести (приблизительное значение I_s = my*b*h*h_0*h_0 /4);
l_0 – расчетная длина элемента.






