
Рисунок 2.7.2 Поперечное сечение бетонного фундамента трубы
Устройство тела фундаментной трубы включает работы (таблица 2.7.2) 1.1, 1.2, 1.3, 1.5, 1.6, 1.7, 1.9 и 1.8 для многоочковых труб.
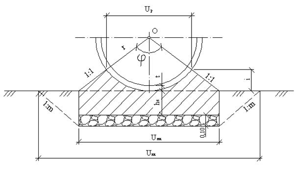
Предварительно вычисляют размеры поперечного сечения трубы (рис. 2.7.2).
Высота подбивки бетоном трубы
(рис.2.7.2) определяется по формуле (2.7.1), принимая угол обхвата по заданию.
Ширина подбивки определяется по формуле:
, (2.7.14)
где
– радиус наружной поверхности звена трубы, м;
– число очков трубы;
– расстояние между осями звеньев многоочковой трубы (по табл.2.7.3).
Ширина низа котлована (бетонного фундамента) (рис.2.7.2):
, (2.7.15)
Ширина верха котлована:
, (2.7.16)
где
– толщина бетонного фундамента, (
).
Объемы работ на 1п.м. тела трубы.
1.1 «Рытье котлована»:
, (2.7.17)
1.2 «Подготовка из щебня»:
, (2.7.18)
1.3 «Устройство фундамента из бетона В25»:
, (2.7.19)
1.9 «Обратная засыпка котлована»:
, (2.7.20)
Методика определения работ (табл.2.7.2) 1.5, 1.6, 1.7 и 1.8 изложена в §2.7.1.5.






