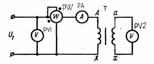
В опыте холостого хода (рис. 1.10) вторичная обмотка трансформатора разомкнута, а к первичной подводится номинальное напряжение U1н = U10.
Рис. 1.10
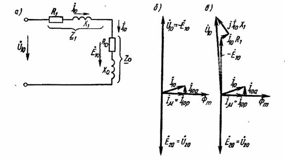
Схема замещения трансформатора (рис. 1.9) для режима холостого хода (I2=0) примет вид (рис. 1.11).
Рис. 1.11
Измерив ток холостого хода I10 и мощность P10, потребляемую трансформатором, согласно схеме замещения (рис. 1.11,а) находим
(1.30)

где: Zвх х – входное сопротивление трансформатора при опыте холостого хода.
Так как ток холостого хода мал по сравнению с номинальным током трансформатора, электрическими потерями ΔPэл1 = I210 R1 пренебрегают и считают, что вся мощность, потребляемая трансформатором, расходуется на компенсацию магнитных потерь в стали магнитопровода. При этом
(1.31)
,
откуда R0 = P10 / I210.
Аналогично считают, что X1 + X0 ≈ X0, так как сопротивление X0 определяется основным потоком трансформатора Ф (потоком взаимоиндукции), а X1 – потоком рассеяния ФΔ1, который во много раз меньше Ф. Поэтому с большой степенью точности полагают, что
|
|
|
(1.32)
Z0 = U10 / I10;
.
Измерив напряжения U10 и U20 первичной и вторичной обмоток, определяют коэффициент трансформации
(1.33)
n = U10 / U20.
Векторная диаграмма трансформатора в режиме холостого хода, построенная исходя из указанных выше допущений, изображена на рис. 1.11, б. В действительности ток Í10 создает в первичной обмотке падения напряжения Í10 R1 и j Í10 X1, поэтому
. Соответствующая векторная диаграмма показана на рис. 1.11, в.






