Для связи с настольной или переносной ПЭВМ БМРЗ имеет соединитель «RxTx», установленный на лицевой панели. БМРЗ подключается к соединителю СОМ порта ПЭВМ с помощью кабеля. Физический интерфейс RS -232 обеспечивает обмен на расстоянии до 5 м (рис. 3.3).

Рис. 3.3. Подключение 9-контактного разъема
В БМРЗ (на модуле МЦП) установлен соединитель "6" для связи с АСУ (SCADA – системой). В БМРЗ применяются два физических стандарта (в зависимости от исполнения):
- RS-485 для связи по экранированной витой паре проводов;
- интерфейс с уровнями ТТЛ для подключения внешних электронно-оптических преобразователей ПЭО-ТТЛ, входящих в волоконно-оптическую линию связи.
Оба интерфейса обеспечивают гальваническую развязку с корпусом БМРЗ и процессорной частью, при этом электрическая прочность изоляции составляет 1 кВ.
Максимальная длина канала связи при использовании RS -485 определяется характеристиками витой пары и скоростью передачи данных и составляет от 500 до 1200 м.
При использовании ВОЛС максимальное расстояние между соседними преобразователями составляет 2 км.
|
|
|
При необходимости увеличить дальность связи для RS -485 и для ВОЛС используются магистральные повтори тели:
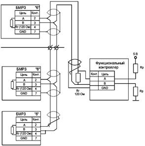
Физическая топология сети для RS -485 – «шина» представлена на рисунке 3.4.

Рис. 3.4. Подключение БМРЗ к АСУ по интерфейсу RS -485
К одному сегменту сети могут быть подключены до 32 устройств. Один «Ведущий» (функциональный контроллер – ФК) и до 31 «Ведомых». БМРЗ может подключаться только в качестве «Ведомого».
В качестве «Ведущего» вместо ФК может быть использована ПЭВМ с установленной платой порта RS -485 или подключенная к сети по интерфейсу RS -232 через конвертер RS232/RS485.
При организации сети с топологией "шина" на двух устройствах, расположенных на концах сегмента сети, необходимо подключить согласующие резисторы Rr. Подключение согласующего резистора в БМРЗ осуществляется установкой перемычки между контактами 3 и 4 в ответной части соединителя в соответствии с рисунком 3.4.
Со стороны "Ведущего" должна быть обеспечена поляризация линии с помощью резисторов Rp, как показано на рисунке 3.4. При использовании в ПЭВМ платы порта RS -485 поляризация линии должна происходить в плате. При применении конвертера RS -232/ RS - 485 поляризация линии происходит с помощью резисторов, входящих в его схему. При этом, в случае перевода всех формирователей в пассивное состояние, в линии связи поддерживается уровень, соответствующий состоянию ON (включено).
Физическая топология волоконно-оптической сети – «кольцо» представлена на рисунке 3.5. К одному кольцу может быть подключено до 100 устройств – один «Ведущий» (ФК) и до 99 «Ведомых». БМРЗ может подключаться только в качестве «Ведомого».
|
|
|

Рис. 3.5. Подключение БМРЗ к АСУ по волоконно-оптической линии связи
ПЭВМ или функциональные контроллеры подключаются к ВОЛС с помощью электронно-оптических преобразователей ПЭО-232, обеспечивающих передачу данных между устройствами через интерфейс RS -232.
Связь по последовательным каналам осуществляется в соответствии с протоколом MODBUS. В протоколе реализуется принцип «Ведущий – Ведомый» («Master – Slave»).






