┌─────────────┬─────────────┬─────────────┬──────────────┬─────────────┐
│ Тип стекла │Мин. толщина │ Ширина │ Свободная │ Крепления │
│ │ (мм) │ (мм) │высота двери в│ стеклянных │
│ │ │ │ свету │ панелей │
│ │ │ │ (м) │ │
├─────────────┼─────────────┼─────────────┼──────────────┼─────────────┤
│Многослойное │ 16 │ 360 - 720 │ не более 2,1 │2 крепления: │
│закаленное │ (8 + 8 + │ │ │ сверху и │
│ │ 0,76) │ │ │ снизу │
├─────────────┼─────────────┼─────────────┼──────────────┼─────────────┤
│Многослойное │ 16 │ 300 - 720 │ не более 2,1 │3 крепления: │
│ │ (8 + 8 + │ │ │сверху, снизу│
│ │ 0,76) │ │ │и одно сбоку │
├─────────────┼─────────────┼─────────────┼──────────────┼─────────────┤
│ │ 10 │ 300 - 870 │ не более 2,1 │ со всех │
│ │ (6 + 4 + │ │ │ сторон │
│ │ 0,76) │ │ │ │
│ │ (5 + 5 + │ │ │ │
│ │ 0,76) │ │ │ │
├─────────────┴─────────────┴─────────────┴──────────────┴─────────────┤
│Для случая креплений с трех или четырех сторон величины из этой│
│таблицы действуют при условии, что профили креплений жестко связаны│
│друг с другом. │
└──────────────────────────────────────────────────────────────────────┘

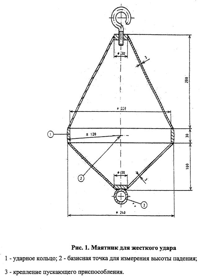
"Рисунок 1. Маятник для жесткого удара"

"Рисунок 2. Маятник для нежесткого удара"

"Рисунок 3. Высота падения на испытательном стенде"
Приложение 12






