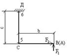
Рассмотрим простейший случай нагружения ломанного стержня - двумя взаимноперпендикулярными сосредоточенными силами, приложенными на свободном конце (рис.2, а).
Выбираем скользящую систему координат (рис.2, б). Ось z всегда направлена вдоль продольной оси того или иного участка ломаного стержня, а при переходе с одного участка на другой координатные оси поворачиваются на 90 градусов, но никогда не вращаются вокруг оси z. Удобнее всего начинать выбор скользящей системы координат с горизонтального участка ломаного стержня, который параллелен плоскости чертежа или лежит в этой плоскости (участок ВС на рис.2, б).
На этом участке (а он аналогичен обычной балке) ось y направляется вертикально (вверх или вниз), ось z - вдоль продольной оси участка, а ось x - перпендикулярно плоскости yoz, после чего система координат передвигается на остальные участки ломаного стержня.
Построение эпюры
.
Построение этой и всех последующих эпюр ведем от свободного конца. Правило знаков для
остается таким же, как и для других систем, а именно: растяжению соответствует знак "+", сжатию - "-".
|
|
|
Участок АВ имеет нулевую продольную силу, так как
перпендикулярны продольной оси этого участка:
.
Участок ВС растягивается силой
:
.
Участок СД сжимается силой
:
.
Построение эпюр
и
.
Поперечную силу
формируют только те силы, которые параллельны оси x на данном участке, а поперечную силу
- силы, параллельные оси y. Здесь также сохраняется обычное для Q правило знаков:
, если внешняя сила, приложенная к отсеченной части, стремится повернуть рассматриваемое сечение по часовой стрелке и
- в противоположном случае. С учетом сказанного в характерных сечениях имеем:

Рис.2

Построение эпюр
.
Ординаты эпюр изгибающих моментов будем, как обычно, откладывать со стороны сжатых волокон, не указывая знаков, причем ориентировать эпюры нужно так, чтобы плоскость эпюры совпадала с плоскостью действия пары того изгибающего момента, для которого она построена. Иначе говоря, эпюра
на всех участках ломаного стержня располагается в плоскости yoz, а эпюра
- в плоскости xoz.
Начнем с построения эпюры
. Здесь нас будет интересовать изгиб каждого участка в плоскости yoz (см. скользящую систему координат на рис.2, б) и, соответственно, плечо каждой действующей на отсеченную часть нагрузки нужно измерять в этой плоскости.
На участке АВ плоскость yoz - вертикальная плоскость, параллельная плоскости чертежа. В этой плоскости стержень АВ изгибается только силой
, так как
перпендикулярна плоскости yoz:
;
(сжаты правые волокна).
На участке ВС плоскость yoz ориентирована так же, как и на участке АВ, причем, все точки ВС равноудалены от линии действия силы
, поэтому:
|
|
|
(сжаты верхние волокна).
На участке СД плоскость yoz - вертикальная плоскость, перпендикулярная плоскости чертежа. В этой плоскости стержень СД изгибается только силой
, так как
перпендикулярна yoz;все точки участка СД равноудалены (в рассматриваемой плоскости) от линии действия силы
, следовательно:
(сжаты нижние волокна).
Рассуждая аналогичным образом, будем строить эпюру
, но теперь нужно рассматривать изгиб каждого участка ломаного стержня в плоскости xoz.
На участке АВ плоскость xoz - вертикальная плоскость, перпендикулярная плоскости чертежа. В этой плоскости стержень АВ изгибается только силой
, так как
перпендикулярнаплоскости xoz:
;
(сжаты дальние от наблюдателя волокна).
На участке ВС плоскость xoz - горизонтальная плоскость. В этой плоскости сила
приложена вдоль продольной оси стержня ВС и к изгибу привести не может, поэтому:
;
(сжаты дальние от наблюдателя волокна).
На участке СД плоскость xoz - это так же горизонтальная плоскость. Здесь к изгибу стержня СД приводят обе силы: плечо силы
постоянно и равно b, а плечо силы
равно нулю в сечении 5 и равно с в сечении 6:
(сжаты правые волокна).
Иногда при построении эпюр изгибающих моментов в ломанных стержнях возникают затруднения в определении участия той или иной нагрузки в изгибе стержня или в определении плеча той или иной нагрузки. В этих случаях всегда можно использовать простой, но эффективный прием: спроектировать конструкцию и действующие нагрузки на ту плоскость в которой изгибается стержень, переходя тем самым от пространственной конструкции к ее проекции, что позволяет легко определить плечи каждой из нагрузок и их "вклад" в изгиб рассматриваемого участка. Проследим использование этого приема например, при построении эпюры
на участке СД (рис.2, а, б). На этом участке плоскость xoz, в которой нужно рассматривать изгиб стержня при построении
- горизонтальная плоскость, следовательно, для реализации описываемого приема необходимо спроектировать конструкцию на горизонтальную плоскость, то есть изобразить вид сверху (рис.3).

Рис.3
При этом сила
будет видна направленной вдоль стержня ВС, сила
- перпендикулярно ВС, а стержень ВА проектируется в точку. Теперь совершенно очевидно, что все точки стержня СД равноудалены от линии действия силы
, что приводит к постоянному моменту
, а сила
имеет нулевое плечо в сечении 5 и плечо, равное с, - в сечении 6:

В обоих сечениях сжаты правые волокна, то есть получен тот же результат, что и ранее, но в более наглядном виде.
- Косой (пространственный) изгиб. Нормальные напряжения. Нулевая линия. Эпюры напряжений (в пространстве, на плоскости, в простейшем виде). Касательные напряжения.






