В ходе ориентировочного расчета вала по известному крутящему моменту Мкр определяют, как правило, выходной участок вала по формуле
,
где [ r ] ≈15…25 МПа.
Полученное значение увеличивают на 10% для компенсации снижения усталостной прочности вала за счет установки шпоночного соединения и округляют до ближайшего значения из нормального ряда диаметров (ГОСТ 6636-82): 10; 10.5; 11; 11.5; 12; 13; 14; 15; 16; 17; 18; 19; 20; 21; 22; 24; 25; 26; 28; 30; 32; 34; 36; 384 40; 42; 45; 48; 50; 52; 55; 60; 63; 65; 70; 75; 80; 85; 90; 95; 100; 105; 110; 125; 130; 140; 150; 160…
Ориентиром для назначения [ r ] может служить диаметр выходного конца электродвигателя. Должно выдерживаться соотношение:
d ≈ (0,8…1,2) dэл.
Если между электродвигателем и ведущим валом редуктора установлена ременная передача, то
.
Взамен расчета на кручение для предварительного определения диаметров вала иногда применяют имперические формулы. В месте посадки шестерен на быстроходный и промежуточный валы
dШБ ≈ 0,22 аWБ; dШБ ≈ 0,3 аWБ.
Для тихоходного вала в месте посадки колеса диаметр:
DКТ ≈ 0,3 аWТ.
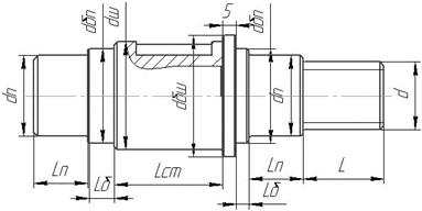
Имея эти данные можно приступить к определению остальных характерных диаметров вала: под подшипники, под буртик подшипника, под колесо.

Рис. 23.17. Схема конструирования вала
ℓ ≈ (1,5…1,8) d;
dп ≈ d + 2 t;
dбп ≈ dп + 3 r;
dбп ≥ dш + 2 r.
dш определяют по эмпирической зависимости (см. выше), либо рассчитывают диаметр вала в опасном сечении.
,
где [ σu ] ≈ (50…60) МПа.
d – 17…24 25…30 32…40 42…50 52…60 62…70 72…85
t – 2 2,2 2,5 2,8 3 3,3 3,5
r – 1,6 2,0 2,5 3,0 3 3,5 3,5






