1. При установке колес на валах необходимо обеспечить надежное базирование колеса на валу, передачу вращающего момента от колеса к валу (или вала к колесу), решить вопросы, связанные с осевым фиксирование колес на валах.
Базирование зубчатых колес, как правило, осуществляют по цилиндрической посадочной поверхности при ℓ/d ≥ 0,8,
при ℓ/d < 0,8.
Базирование осуществляют по торцам. Так же базируют дистанционные колеса, втулки, маслоотражательные шайбы.
При передаче крутящего момента шпоночным соединением применение посадок колеса на вал с зазором недопустимо, а посадок переходных крайне нежелательно.
Объясняется это тем, что если в соединении имеется зазор, то при вращении вала происходит обкатывание со скольжением поверхностей вала и отверстия колеса, которое приводит к их изнашиванию. Поэтому на посадочных поверхностях вала и отверстия колеса следует создавать натяг, гарантирующий нераскрытие стыка.
Рис. 23.14. Базирование по посадочной поверхности
|
Рис. 23.15. Базирование по торцам
|
Для корпусов, не имеющих плоскости разъема по осям валов (корпуса коробок передач), на выбор посадок колес жесткие условия диктует технология сборки. Сборку деталей производят внутри корпуса в стесненных условиях. Поэтому для колес коробок передач применяют переходные посадки.
|
|
|
Рекомендуемые посадки колес при передаче крутящего момента шпоночным соединением
Таблица 18
| Вид передачи | Характер нагружения | |
| нереверсивный | реверсивный | |
| Цилиндрические: | ||
| прямозубые | Н 7/ р 6 | Н7 /r 6 |
| червячные | Н 7/ r 6 | H7/ s 6 |
| Конические | H 7/ s 6 | H7/ t 6 |
| Коробки передач | H 7/ k 6 | H7/ m 6 |
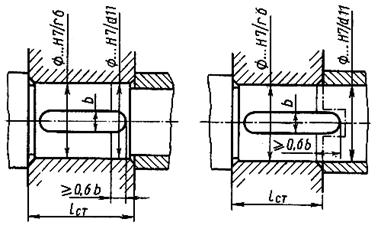
При посадке с натягом очень трудно при установке зубчатых колес совместить шпоночный паз колеса со шпонкой вала для облегчения сборки рекомендуется предусматривать направляющий цилиндрический поясок с допуском d11 или скос под углом 30º (цилиндрический участок).
С той же целью выпускают шпонку за пределы детали.
В каждом из этих вариантов вначале путем свободного поворота колеса относительно вала совмещают шпоночный паз колеса со шпонкой, а затем напрессовывают колесо на вал.
Посадочные поверхности под зубчатые и червячные колеса чаще всего шлифуют. Поэтому перед упорным буртиком желательно на валу выполнять канавку для выхода шлифовального круга.

Рис. 23.16. Облегчение сборки шпоночного соединения
посредством цилиндрического пояска по посадке
с зазором (d 11)
Рис. 23.14. Базирование по посадочной поверхности
Рис. 23.15. Базирование по торцам






