Правила выполнения архитектурно-строительных рабочих чертежей выполняются в соответствии с правилами, установленными ГОСТ 21.101-97 и ГОСТ 21.501-93.
Планы этажей зданий
План этажа здания – это изображение разреза здания, выполненного мнимой горизонтальной секущей плоскостью, проходящей на уровне оконных и дверных проемов или на высоте 1/3 высоты изображаемого здания.
План этажа дает представление о конфигурации и размерах здания, выявляет форму и расположение отдельных помещений, оконных и дверных проемов, капитальных стен, колонн, лестниц, перегородок. На план наносят контуры элементов здания (стены, простенки, столбы, перегородки и т.п.), попавших в разрез и расположенных за секущей плоскостью.
Если планы этажей многоэтажного здания имеют небольшие отличия друг от друга, то полностью выполняют план одного из этажей, для других этажей выполняют только части плана, необходимые для показа отличия от плана, изображенного полностью.
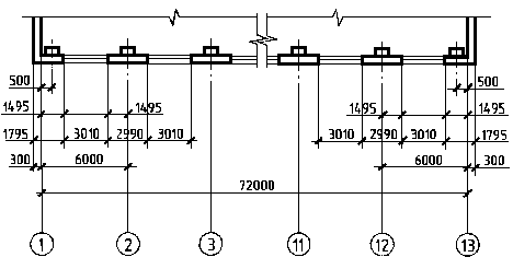
На планах этажей показывают (рис. 50):
1. Координационные оси здания (сооружения).
Координационные (разбивочные) оси – оси, определяющие положение основных несущих конструкций здания и проходящие по его капитальным стенам и колоннам. Эти оси, которые могут быть продольными и поперечными, расчленяют здание на ряд элементов. Координационные оси наносят штрихпунктирными линиями с длинными штрихами (рис. 50).

Рисунок 50 – Пример оформления фрагмента плана
На планах разбивочные оси выводят за контур стен и маркируют буквами русского алфавита или арабскими цифрами (числами), которые записывают в маркировочных окружностях диаметром 6-12мм. Маркировочные кружки координационных осей располагают на расстоянии 4мм от последней размерной линии.
Для маркировки на стороне здания с большим числом осей используют цифры, а с меньшим числом осей – буквы, за исключением букв Ё, З, Й, О, Х, Ц, Ч, Щ, Ъ, Ы, Ь. Буквами маркируют, как правило, оси, идущие вдоль здания.
Маркируют координационные оси слева направо и снизу вверх, располагая маркировочные окружности с левой и нижней сторон здания (рис.50, 53).
Если расположение осей на правой и верхней сторонах плана не совпадает с разбивкой осей левой и нижней его сторон, то координационные оси маркируются на всех сторонах плана. Пропуски букв и чисел при маркировке осей не допускаются.
Для отдельных элементов, расположенных между координационными осями основных несущих конструкций, наносят дополнительные оси и обозначают их в виде дроби, в числителе которой указывают обозначение предшествующей координационной оси, а в знаменателе – дополнительный порядковый номер в пределах участка между координационными осями.
После обводки чертежа допускается оставлять оси только в пересечении стен.






