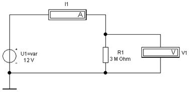
1.1. Изучив компоненты и работу в Workbench, собираем принципиальную электрическую схему измерения ВАХ, например, для варианта с номером N = 30 (R1 = 30*100 = 3000 кОм = 3Мом):
Изменяя значения источника питания U1, измеряем значения тока I через резистор R1 амперметром I1 и напряжения V на резисторе вольтметром V1. Результаты заносим в таблицу, например, в программе Excel. Далее повторяем измерения для второго резистора R2 = 30*33 = 990 (выбираем ближайшее значение по шкале промышленно выпускаемых номинальных значений R2 = 1000 кОм = 1 Мом), затем для последовательного и параллельного их соединения.

1.2. В программе Excel строим графики полученных ВАХ и анализируем их, используя известные соотношения, вытекающие из закона Ома и расчета общего значения сопротивления при различных соединениях резисторов.
1.3. Отвечаем письменно на контрольные вопросы и задания. Вопросы для самопроверки не требуют письменного ответа.
Контрольные вопросы и задания
1.1. По графическим зависимостям, используя выражение для расчета относительной погрешности рассчитать максимальную относительную погрешность при различном соединении резисторов.
|
|
|
1.2. Линейным или нелинейным элементом является резистор и различные соединения резисторов?
1.3. Как в среде Workbench автоматизировать процесс измерения ВАХ резисторов?
Вопросы для самопроверки
1.1. Что такое ВАХ?
1.2. Как маркируются резисторы и конденсаторы?
1.3. Как изменяется сопротивление неполупроводникового резистора при его нагревании?
1.4. Какие требования к внутреннему сопротивлению приборов должны быть при измерении токов, напряжений и сопротивлений?






