Структурные схемы ППТ и ВПТ приведены на рис. 11.1. В электропередачах постоянный ток используется лишь для транспорта электрической энергии от удаленной электростанции в приемную систему или из одной системы в другую. Для этого электрическая энергия переменного тока, вырабатываемая генераторами передающей системы, должна быть сначала преобразована в энергию постоянного тока, в таком виде передана по линии, затем снова преобразована, но уже в энергию переменного тока и передана в приемную систему.


Рис. 11.1. Структурные схемы ППТ (а) и (ВПТ) (б)
В схеме, где используется вставка постоянного тока, транспорт энергии на расстояние осуществляется на переменном токе. Причем обычно это расстояние сравнительно невелико, так как ВПТ используется для связи примыкающих друг к другу систем. Постоянный ток здесь играет лишь роль звена, которое полностью развязывает соединенные системы по частоте и, с этой точки зрения, делает их не зависящими друг от друга.
Преобразование электрической энергии осуществляется преобразователями П 1 и П 2, связанными с передающей и приемной системами. Преобразователь, который преобразует энергию переменного тока от передающей системы в энергию постоянного тока, называется выпрямителем. Другой преобразователь, который получает энергию от выпрямителя и преобразует ее в энергию переменного тока, отдавая эту энергию в приемную систему, называется инвертором.
|
|
|
Негізгі әдебиет: 1 [227-232]
Қосымша әдебиет: 1[350-365]
Бақылау сұрақтары:
- Схемы электропередач и вставок постоянного тока.
- Преобразователи в электропередачах и вставках постоянного тока.
- Основные элементы преобразовательного моста.
- Высоковольтные тиристорные вентили.
- Схема замещения электропередачи постоянного тока.
- Схема преобразовательного моста.
№ 15 дәріс конспектісі
Станциялардың және қосалқыстанциялардың электр схемасы. Электр станцияның техникалық жобасына тапсырма, электроқондыру схемаларына қойылатын талаптар, трансформаторлы қосалқыстанциялардың сұлбалары.
Электрлік станцияны және қосалқыстанцияны жобалауға электроэнергетикалық жобаға сәйкес келетін бөлігін дамыту сұлбасын өңдеу алдымыздағы 10-15 жылда қарстырылмақ. Бұл сұлбаны өңдеу кезінде технико-экономикалық көрсеткіштерге сәйкестендіретін және де қартыратын бірнеше нұсқалар туындайды.
Бұл бастапқы жұмыс негізінде (ол «Электросетьпроект» институтында орындалады) станцияның және қосалқы станцияның техникалық жобасына тапсырым береді. Ол мыналардан тұрады:
|
|
|
- станцияның орнатылған қуаты;
- дара қуаттар, жобаның технологиялық бөлігінде (турба немесе гидроагрегаттар, бугенераторларында) қолданылатын негізгі электр құрылғының түрі мен өлшемдері;
- агрегаттарды жұмыс істеуге кезекпен енгізілуі;
- станцияның ұмыс істеу тәртібі (тәуліктік сұлбадағы жобаланатын станцияның орны);
- жобаланған уақыт аралығында түсетін электрлік қысым, олардың сипаттамалары (максималды немесе минималды тәуліктік қысым, қуат коэффициенті, максималды қысымды қолданатын жылдық саны);
- кернеу КЗ тогының сипаттамасы;
- жобалау кезінде есепке алынатын арнайы талаптар.
Бұл жұмысты және де технологиялық жобалаудың қажеттілігін басқаратын инженер-жоблаушы станцияның негізгі сұлбасының нұсқаларын көрсетеді. Бұл жерде ол генераторлардың тарнсформаторлардың (СН трансформаторының қуатын қосып) қуатын РУ жиынды шиналарының кернеуін, жиынды шиналарда қосылатын тізбектерді, коммутационды құрылғылары, токты тежейтін реакторларды және де басқаларды көрсетеді, нұсқалардың саны нақты талаптарға сүйеніп анықталады.
Осыдан КЗ токтарының есептелуі және ажыратқыштарды таңдау керек. КЗ токтары ажыратқыштардың түрлері мен РУ құнын анықтайтындықтан есептеулер сұлбаның әр нұсқасы үшін жүргізілуі керек.
Сұлбаның таңдалынған нұсқалары үшін энергияның жылдық жоғалуы анықталады, өйткені жоғалған энергияның құны экономикалық көрсеткіштің бір түрі болып табылады.
Экономикалық үнемдеудің критерийлері ретінде шығынның толық есептеулері қарастырылады.

Мұндағы: к-жобаланған қондырғының капиталды салынуы;
Рн-салынымның нормативті коэффициенті энергетикадағы есептеулер үшін 0,12-ге тең.
Т-өндірістің жылдық тоқталулары;
З- қалыпты жұмыс кезіндегі зардаптар.
Өнеркәсіптегі тоқтаулар құралдың амортизациясына қабылдауына және жөндеуге, сонымен қатар трансформаторлар, реакторлар мен желілерге жылда жоғалатын электр энергиясының құнынан алынады.
Электрқондырғы сұлбаларында қойылатын талаптар.
Сұлба негізгі электрлік құрылғыны және эксплуатациялық құрылымын анықтайтындықтан станциядағы және қосалқыстанциядағы электрлік сұлбаға қойылатын талаптарды қондырғының өзіне қойылатын талаптар ретінде түсіну керек. Жобалау кезіндегі бұл талаптар келесідегідей:
- энергожүйедегі станцияның және қосалқыстанцияның жұмыс істеу талабына электр сұлбаның сәйкес келуі;
- эксплуатация қолайлылығы, соның ішінде сұлбаның қарапайымдылығы, ауыстырғыштардың көлемінің аздығы, электрлік құрылғыға жөндеу жұмыстарын жасауға ыңғайлылығы;
- электрлік бөлігін генераторларды, трансформаторларды, желілерді енгізу керектілігін есепке ала отырып қолайлы жинау;
- экономикалық жағынан қолайлы етіп қондырғыны барынша автоматизациялау;
- экономикалық қолайлы болу үшін барынша беріктігі.
Соңғы талапқа тоқталып кету қажет. Беріктік құрылғының құрылысын (құрылым элементтерін, элемент қатарындағы жүйені, жалпы электроқондырғылар) көрсетеді. Электрлік станцияның және қосалқыстанцияның беріктігі ретінде болжалынған тәртіпке сәйкес қуаттың желіге берілуін қолданушыны электроэнергиямен қамтамасыз етуін түсінуге болады. Олар электроэнергияның қасиетін орнатылған нормативтерде сақтай алуы керек. Құрылығының беріктілігі құрылғының ерекшелігін ескере отырып таңдалатын және анықталатын көрсеткіштер арқылы жұмыс істеу қабілеттілігі бұзылғанда оны эксплуатацилау талаптарынна сәйкес анықталады. Беріктікке анализ жасау үшін математикалық үміттің теориясы қолданылады.
|
|
|
Жылулық конденсациондық электростанцияның сұлбасы
Қуаты 300, 500, 800 және 1200 МВт агрегаттары бар жылулық конденсациялық станциялардың автономды бөліктері – блоктар екені белгілі.
Блоктардың электрлік схемасы қолдануы келесідей сұлбаларды алды:
А) G генераторы еселейтін трансформатормен коммутационды аппараттарсыз қосылған сұлба (46,а-сурет. Генератор мен еселейтін трансформатор 77 арасында Т2 азайтқыш трансформатор арқылы және қажеттілік блогының СН жүйесіне қуатты таңдау үшін тармақталу болады. Соңғысын да ажыратқышсыз тармақталуға қосады. Ол қосымша аппаратты орнатқанда блоктың беріктігін төмендеткізбейді. Бұл аппараттың бұзылу ықтималдығы трансформатордың бұзылу ықтималдығынан айтарлықтай көп болады. Ажыратқыштар еселейтін трансформаторлардың жоғарғы және төменгі кернеулігі бар жерде орнатылады.
Блок жұмыс істеу үшін резервті трансформатор Т3 арқылы СН жүйесін электр энергиясымен қамтамасыз ету керек. Т3 жоғарғы немесе орташа кернеулі жиынды шинаға қосылған. Блокты іске қосу келесі тәртіппен жүргізіледі. Блоктың ажыратқыштары мен СН жұмыс трансформаторының ажыратқыштары өшіріліп тұрған кезде СН жүйесінің секциясына сәйкес келетін резервті трансформаторды қосады да жұмыс машиналарының электроқозғалтқыштарын жібереді. Трубинаның қызуы мен айналуы біркелкі болады. Агрегаттың айналу жиілігі номиналды болған кезде генератордың қызуы, синхронизациясы және қосылуы мүмкін, яғни ол энергожүйенің желісімен электрлік байланыста. Енді блокты бірте-бірте жүктеуге болады жұмыс трансформаторын СН-ты қосу және қосушырезервін өшіру негізгі блоктың жұмыс істеуі кері ретпен орындалады. СН жүйесі жұмыс трансформаторынан қосушы резервтіге ауыстырлуы қажет, өйткені блок істеуін тоқтатқанда жұмысшы машиналарының бір бөлігі өзінің жұмысын жалғастыра беру керек. Осыдан кейін блокты жиын шиналарынан өшіріп, генераторды қозуын тоқтатуымызға болады.
|
|
|
Қарастырылатын сұлбалардың кемшілігі қосу және блокты тоқтату кезінде СН жүйесіне ауысуын қажет етеді. Блоктың жылумеханикалық бөлігінің бүліну кезінде жоғарғы кернеулі ажыратқыштармен өшірілуі қажет. Ал ол дөңгелек тәрізді РУ үшін қауіпті, өйткені РУ қалыпты жұмысы бұзылады. Көрсетілген кемшіліктер генератордың ажыратқыштарын қарастырып жоюға болады.
Б) генераторда ажыратқышы бар сұлба (46,б-сурет. Ол эксплуатацияға өте қолайлы, өйткені қосу процесі кезіндегі СН жүйесіратордың ажыратқышы өшірілу кезіндегі СН жұмыс трансформаторы мен негізгі трансформатор арқылы жиынды шинадан энергиямен қамтамасыз етіліп отырады. СН-тың жұмыс машиналары жұмысқа қосылуы мүмкін. Айналу жиілігі номиналды болған кезде генератордың ажыратқышымен өшіруге болады. Блокты жиын шиналардан ажырауы немесе генератордың қозуын тоқтату тек блоктың энергетикалық бөлігі бүлінеген жағдайда ғана қажет етеді. Бұл жағдайда СН жүйесі СН резервті трансформаторға қосылуы қажет.
Генератордың ажыратқыштары сәйкесінше номиналды токпен және өшіруге қабілетті қысым ажыратқыштарымен ауыстыруға болады. Мұндай ажыратқыштар ұлттық өнеркәсіппен құрастырылған және ажыратқыштармен, тұйықтайтын құрылғыларын, токтың және кернеудің өлшегіш трансформаторларымен бірге қолданылады.
В) біріккен (екіеселенген) блок сұлбасы (46,в-сурет). Олар 500 кВ және одан да жоғары кернеулікті станцияларда қолданылады. Онда екі блокты агрегатты жиын шиналарға ортақ ажыратқыш арқылы қосылған. Мұндай сұлба жоғарғы кернеулі ажыратқыштардың санын азайтуға мүмкіндік береді. Бірақ бұл кезде екі генератордың өшуін естен шығармау керек. Біреуінің жұмысы бүлінген генератордың өшірілуінен кейін тез жаңартуына болады. Біріккен блоктарды қолдану мүмкіншілігі жүйенің қуатымен анықталады, дәлірек айтсақ оның авариялық резервімен экономикалық қажеттілігі беріктілігімен бағаланады және кернеуден жүйе сұлбасынан, агрегаттардың жұмыс істеу тәртібі және басқа да факторларына тәуелді болады.

46-сурет жылулық станциялардағы блогты агрегаттардың электрлік саұлбасы.
а- генераторындағы ажыратқышы жоқ;
б- генераторында ажыратқышымен бірге;
в - жоғарғы кернеулігі ортақ ажыратқышы бар біріккен блок;
г - ГТЖ блогы.
г) желіге немесе жақын орналасқан қосалқы станцияға жиын шиналарына жалғанған еселенген блок (генератор-трансформатор-желі. Мұндай сұлбада станциядан көп ара қашықтықта орналасқан блоктың жоғарғы кернеулікті ажыратқышы бар дистанционды басқару мүмкіншілігі қарастыру керек. Шетелдегі станциялардың көбінде ссс блоктары ГТЖ сұлбасымен орындалған және қослақыстанцияларға қосылған. Мұндай схемалар генераторлы қуатты пайдалануға және КЗ тогын азайтуға мүмкіндік береді. Сұлбаны технико-экономикалық қажеттілігі сәйкесінше есептеулермен тексерілу керек.
Атом электростанцияларының сұлбасы
АЭС сұлбасы КЭС сұлбаларынан аз ғана өзгешеленеді. Блоктардың дара қуаттылығын ескере отырып (1000-нан 133333-Вт-қа дейін) технологиялық жобалау нормасын АЭС екі еселенген блоктарды қолдануды құптамайды. Әр блок жиын шиналарға бөлек ажыратқыштар арқылы қосылуы керек. РУ беріктігін станцияның электроқамтамасыз ету жүйелерінің сенімділігін көтеру үшін арнайы шаралар қолданылу керек.

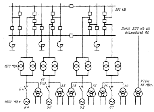
Мысал ертінде 47-сурет Ростовтағы 1000 МВт-ты төрт блогы бар АЭС электрлік схемасын келтіруге болады. Еселегіш трансформатор ретінде әр блокта 2 трансформатор үшфазалы 630 МВ-А трансформаторлары қолданылады. СН жүйесін электроқамтамасыз ету үшін арнайы төменгі жиілікті орамдары бар трансформаторлар қарастырылады. Олар блоктарға генератордың ажыратқыштары мен еселегіш трансформаторлар арасындағы тармақтарға қосылады. Бірінші және екінші блок екі трансформаторлардан тұрады, олар қуаты 63 және 25 МВ-А, үшінші және төртінші блоктар бір трансформатордан, оның
Негізгі әдебиет:1 [ 344-365 ]
Қосымша әдебиет: 1 [437-487]
Бақылау сұрақтары:
- Электрқондырғылары схемасына қойылатын талаптар.
- Жылу станциясыныңблокты агрегаттарының электр схемалары.
- Жоғарғы және орташа қондырғылы ТҚ схемалары.
- Атом станцияларының схемалары.
- Трансформаторлы станциялардың схемалары.






