ТҚ-да барлық қосылулар ажыратқыштар мен айырғыштар арқылы тоқ беру шиналарының (сборным шинам) ортақ участкелеріне қосылады. Жалпы жағдайда ЭС-да бірнеше кернеулі ТҚ қондырылады, ереже бойынша олар өзара трасформаторлар (автотрансформаторлар) арқылы байланысқан. ТҚ генераторлы (ГРУ), жоғарғы (ВН) және орташа (СН) кернеулі, сондай-ақ өзіндік қажеттілік (с.н.) етіп бөлінеді.
Орындалу тәсілдері бойынша ТҚ ашық (ОРУ) және жабық (ЗРУ) орындалған (7.I, 7.II суреттер) болып бөлінеді. Ашық тарату құрылғыларында (АТҚ) барлық немесе негізгі жабдықтар ашық аспан астында орналасады, ал жабық тарату құрылғыларында (ЖТҚ) жабдықтар арнайы ғимараттарда орналасады. АТҚ да ЖТҚ да комплекті ішкі (комплектными внутренней - КРУ) немесе (наружной - КРУП) сыртқы қондырғылармен қамтылуы мүмкін, яғни іштеріне релелік қорғау және автоматика аппараттары мен құрылғылары енгізілген толық немесе бөлшектеліп жабық шкафтардан немесе блоктардан тұрады. КРУН және КРУ шкафтары толық жинақталған немесе жинақтауға дайын түрде олардыв жасайтын зауыттармен жеткізіледі.
Электр станцияларында ГТҚ (генераторлы тарату құрылғысы) электр энергиясының арнайы бөлігі тұтынушыларға генераторлы кернеумен берілетін болса. Ереже бойынша, олар аз және орташа қуатты ЖЭС және ГЭС. Қазіргі заманғы ЖЭО 100 МВт және одан жоғары қуатты агрегаттармен қамтылады, мұндай электр станцияларында қуатты беру жоғарылатылған (110 кВ и выше) орындалады, дәл осындай түрде ГТҚ қажет етпейтін конденсациялық электр станцияларында (КЭС) және атом (АЭС) электр станцияларында, орындалады.
Электр қондырғыларының тарату құрылғыларының схемаларына
қойылатын негізгі талаптар
К схемам электрических соединений электроустановок предъявляется целый комплекс требований, из которых можно выделить семь основных: надежность, экономичность, удобство эксплуатации, технологическая гибкость, экологическая чистота, компактность и унифицированность
По степени надежности главные схемы ЭС должны выбираться исходя из важности и значения электростанции в энергосистеме с точки зрения надежного электроснабжения потребителей электрической энергии. Выбранная схема, в частности, должна обеспечивать:
допустимую (минимальную) потерю генераторной мощности ЭС в расчетных аварийных режимах (например, при устойчивом коротком замыкании на одной из систем шин ВН или СН);
сохранение транзита системных связей через шины РУ при авариях на электростанции;
ликвидацию аварий в РУ по возможности только операциями с выключателями;
питание РУ с.н. от энергосистемы после полной остановки электростанции.
В зависимости от конкретных условий (например, при сооружении электростанций в зонах повышенной сейсмичности, вечной мерзлоты и др.) к надежности главных схем могут предъявляться и другие требования.
При выполнении схем ГРУ ТЭЦ и ПС должны учитываться требования, связанные с категорией потребителей по степени ответственности их электроснабжения.
В соответствии с Правилами устройства электроустановок (ПУЭ) все потребители делятся на три категории:
I категория — электроприемники, нарушение электроснабжения которых может повлечь за собой опасность для жизни людей, значительный ущерб народному хозяйству, повреждение оборудования, массовый брак продукции, расстройство сложного технологического процесса, нарушение особо важных элементов городского хозяйства. Такие потребители должны обеспечиваться электроэнергией от двух независимых источников питания, иметь 100 %-ный резерв по питающим линиям электропередачи. Перерыв в электроснабжении таких потребителей допускается лишь на время автоматического ввода резервного питания (АВР), допустимого по условию самозапуска электродвигателей.
II категория — электроприемники, перерыв в электроснабжении которых связан с массовым недоотпуском продукции, простоем рабочих, механизмов и промышленного транспорта, нарушением нормальной деятельности значительного числа городских жителей. Для таких потребителей допускается перерыв в электроснабжении на время, необходимое для включения резервного питания дежурным персоналом или выездной оперативной бригадой. Питание таких потребителей допускается осуществлять через один силовой трансформатор (при наличии передвижного резерва) по одной линии электропередачи.
III категория — все остальные электроприемники, не подходящие под определения I и II категорий (например, электроприемники цехов несерийного производства, вспомогательных цехов, небольших поселков и т.п.). Для таких потребителей допустимы перерывы электроснабжения на время, необходимое для ремонта или замены поврежденного элемента сети, но не более одних суток.
Под экономичностью схемы подразумевается принятие решений с учетом необходимых капитальных вложений и ежегодных издержек на производство тепловой и электрической энергии при обеспечении требуемой степени надежности. Принятие того или иного уровня надежности схемы производится на основании сопоставления затрат на его обеспечение с экономическими потерями (ущербом), связанными с нарушением ее работоспособности.
Под удобством эксплуатации схемы понимаются надежность работы и простота ее исполнения, снижение вероятности ошибок обслуживающего персонала в процессе эксплуатации, минимизация количества коммутаций в первичных и вторичных цепях, уменьшение количества аварий из-за ошибок персонала и отказов электрооборудования во время производства оперативных переключений.
Под технологической гибкостью схемы понимается ее способность адаптироваться к изменяющимся условиям работы при плановых ремонтах, аварийно-восстановительных работах, расширении, реконструкции и испытаниях.
Под экологической чистотой схемы понимается степень воздействия электроустановки на окружающую среду (шум, электрические и магнитные поля, выбросы, отходы и т.п.) и на человека.
Компактность схемы подразумевает минимизацию площадей, занимаемых РУ [например, применение элегазового распределительного устройства (КРУЭ) в 10 раз и более уменьшает площадь отчуждаемых земель для его сооружения по сравнению с традиционным решением].
Унифицированность схемы есть не что иное, как использование типовых решений, позволяющих снизить материальные, трудовые и финансовые затраты на проектирование, монтаж, пусконаладочные работы и эксплуатацию электроустановки.
Тарату құрылғылар схемаларының классификациясы
Кез келген ТҚ сұлбасын таңдауда келесі факторлардың ықпалы үлкен әсер етеді:
электр станция типі;
орнатылған генераторолардың мөлшері мен қуаттары;
байланыс желісінің энергожүйесімен алғандағы мөлшері және олардың жауапкершілігі;
энергожүйедегі электрлік тораптар кернеуінің деңгейі және сұлбасы;
(қ.т.) қысқаша тұйықталу тогының сан мәні;
талап етілетін параметрлері бойынша қондырғылардың болуы және олардың сенімділігі;
белгіленген сұлба бойынша ТҚ құрастыру аумағының параметрлері;
ТҚ (жтқ, атқ) мүмкін болатын құрастыру.
Ажыратқыштардың санына байланысты, ондағы ТҚ бір жалғануын анықтайды. Қазіргі жағдайда жалғау ұғымы ретінде бір немесе бірнеше трансформаторлы, электр тарату желілері, реактивті қуатының жеке жалғанған қарымталау аппараттарын айтады. Қабылданған шартқа сәйкес бөлулердің ТҚ сұбасының төрт негізіг тобы бар:
бір ажыратқыштың коммутациялық жалған сұлбасы (7.1 – сурет.) – бір – екі (бастыс бөліктерінде 1,2,3, сирек – 4 және 5) шина жүйесінің жиынтығы, айналып өті жүйесінің шинамен немесе онысыз;
екі ажыратқыш коммутациялық жалғану сұлбасы (7.2 - сурет) – екі жүйелі шиналар жиынтығы екі ажыратқышының жалғануы (сұлба 2/1), екі жүйелі шиналар жиынтығының үш ажыратуы – шинаның екі жалғануы (сұлба 3/2 немесе бір жарым);
екі жүйелі шиналар жиынтығының төрт ажыратқышының үш жалғануына (сұлба 4/3), көп бұрыштар (үшбұрыш, төртік, бестік және алтыбұрыштық), АҚШ – да және Канадада он және он екі бұрыштықтарды қолдану тиімді деп қабылдаған;
жеңілдетілген сұлбасы, ажыратқыштар саны жалғанулар санына қарағанда төмен (7.4 - сурет);
блокты өтіп жатқан желіден тармақталынған, көпірлік, кеңейтілген төрт бұрыштық, кірістік – шығыс. Кейбір сұлбаларда ажыратқыштар жоқ болуы мүмкін, олардың орнына бөлгіштер және қысқаша тұйықтағыштар қолданылады немесе тек қана бөлгіштерді;
үш және оданда көп ажыратқыштардың коммутациясымен бірге сұлбасы (7.3 - сурет);
байланысқан көп бұрыштар, генератор – трансформатор айнымалы көп бұрыштық теңдеуімен трансформаторлар – шина.

7.1 Сурет. ТҚ бірінші тобының сұлбасының мысалы айнымалы жүйе шинасы кезіндегі:
а – бір секцияланған жүйесінің жинақталған шинасының бөлек айнымалы ажыратқыштармен әр секциясына; б – сол сияқты, жүйелі шиналар жиынтығы секцияларған екі тізбектей жалғанаан өшірілген ажыратқыштармен; в – бір секцияланған жүйеләі шиналар жиынтығының айналым ажыратқышының біреуімен; г – сол сияқты, бірақ жүйелі шиналар жиынтығымен, екі тізбектей қосылған ажыратқыштардың секциялануымен; д – екі жүйелі шиналар жиынтығымен; е – сол сияқы, бірақ екі жүйенің шиналар жиынтығының секциялануымен; ОВ – айналып өту ажыратқышы; СВ – секциялы ажыратқышы; ШСВ – шина біріктіргіш ажыратқыш.
Негізгі әдебиет: 1 [227-232]
Қосымша әдебиет: 1[350-365]
Бақылау сұрақтары:
- ТҚ классификациясы.
- Бірінші топты ТҚ схемалары.
- Еінші топты ТҚ схемалары.
- Үшінші топты ТҚ схемалары.
№ 11.Дәріс конспектісі.
Дәріс тақырыбы: 1.11. Станция және қосалқы станциялардың сұлбалары.
Электрлік қондырғыларға, қосалқы трансформаторлық сұлбаларына қойылатын талаптар, қосалқы және электрлік станцияларының техникалық жобасына тапсырма.
Электрлік станциямен қосалқы станцияны жобалау электрлік жүйесінің бөлігіне сәйкес сұлбасын 10-15 жылда өңдеуге негізделген. Осы сұлбаны өңдеу кезінде анализге технико-экономикалық көрсеткіштерге сәйкестелінген нұсқаулар пайда болады. Аталған алдыңғы жұмастар негізінде келесі мәліметтерді қосатын станцияның және қосалқы станцияның техникалық жобасына мынадай тапсырмалар беріледі:
- станцияның қойылымдық қуаты;
- жобаның технологялық бөлігіне қабылданатын, негізгі энергетикалық қондырғыларының параметрлері, түрі, бірлік қуаттары(турбо және гидро агрегаттар, бу генераторлар);
- кезекті жұмысқа қосатын агрегаттары;
- станция жұмысының режимі;
- кернеу сатысы бойынша жүктемені тарату;
- жүйеден ҚТ тогының берілгендері;
- жобалау кезіндегі ескерілетін ерекше шарттар.
Тапсырманы материалдармен және технологиялық жобалау нормалармен басқару арқылы, инженер-жобалаушы станцияның негізгі нұсқаулы сұлбасын белгілеп, онда генератордың, трансформатордың қуаттарын, барлық сатылы кернеудегі тарату құрылғыларындағы құрама шиналарын желілерді, коммутациялық аппараттарды, тоқ шектеуші реакторларды және т.б. көрсетеді.
Кейіннен ҚТ токтарын есептеп және сөндіргіштерді таңдау қажет. Мұндай есептеулер әрнұсқаулы сұлбалар үшін орындалу қажет, себебі ҚТ тоқтары сөндіргіш түрлерін және ТҚ бағасын анықтайды.
Сұлбаның белгіленген нұсқасы үшін трансформатордағы жылдық шығынын анықтайды, себебі шығындалған энергияның бағасы экономиалық көрсеткіштердің бірі болып табылады. Экономикалық критерии негізінде толық есептік шығындар есептеледі, ол үш құраушыдан тұрады.
З=kPH+И+У
мұндағы, k- жобаланатын қондырғыға салынатын қаржы, рн – қаржы салу энергетикада есептік 0,12-ге тең деп қабылданған эффективтілігінің нормативтік коэфициенті, И-өндірісітің жылдық шығыны, У-тұтынушыларды электрмен жабдықтау жүйесінің бұзылуымен және жүйенің қалыпты жұмысының бұзылуымен әкелінетін халықшаруашылықтың зақымдалуы.
Өндірістің шығыны қызмет ету, қондырғыдағы амортизациялық қысқартулар мен алдыңғы баптаулар, сонымн қатар трансформатордағы, реактордағы және желілердегі жылдық шығындалатын энергияның бағасынан құралады.
Электр қондырғылардың сұлбасына қойылатын талаптар.
Станцияның, қосалқы станцияның электрлік сұлбаларына қойылатын талаптар, қондырғыға қойылатын шарт деп түсіну қажет, себебі сұлба негізгі электрлік қондырғыларды және қондырғының эксплуатациялық құрамын анықтайды, бұл талаптар, технологиялық жобалау нормалардағы қалыптасып және жобалау барысындағы төмендегідей болады:
- энергия жүйесіндегі қосалқы станциялардың, станциялардың жұмыс шартына негізделген электрлік сұлбалар, сонымен қатар станцияның технологиялық сұлбасы;
- эксплуатацияның ыңғайлылығы, атап айтқанда: сұлбаның қарапайымдылығы мен көркемділігі, ауысытырып қосудың минималды көлемі, баптау үшін электр қондырғыларға қол жеткізерлік;
- генераторларды, трансформаторларды, желілерді енгізу барысындағы электрлік бөлігінің құрастыру ыңғайлылығы;
- экономикалық көлемде, қондырғыларды автоматтандыру мүмкіндігі;
- жеткілікті экономикалық сенімді сатысы.
Соңғы шарт анықтаманы қажет етеді. Сенімділік обьектінің құрамын көрсетеді, берілген функцияларды орындау, белгілі шектредегі орнатылған эксплуатациялық көрсеткіштер мәнін уақыт бойынша сақтау. Электрлік станцияның, қосалқы станцияның сенімділігі деген мағынасында жобаланған графикке сәйкес торапқа қуат беру, нормативтердегі белгілі шектердегі орнатылған электр энергия сапасын сақтай отырып, тұтынушыларды электрмен жабдықтау деп түсіну қажет.
Обьектінің сенімділік саны бірқатар көрсеткіштердің көмегімен бағаланады. Олардың эксплуатация шарттары және істен шығу нәтижесі, яғни жұмыс істеу қабілетінің бұзылуымен ескеріледі. Істен шығу нәтижелері кездейсоқ жағдайлар деп қарастырылады.Сәйкесінше, сенімділік анализ үшін математикалық эқтимал теория әдісін қолданады.
Атом электрстанциясының сұлбасы.
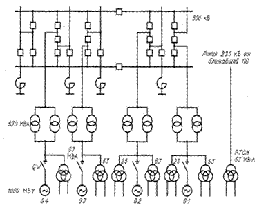
АЭС электрлік сұлбасы КЭС сұлбасынан шамалы ерекшеленеді. Бұл блоктардың бірлік қуатының ескере отырып(1000-1500МВт) технологиялық жобалау нормалары екі еселенген блоктарды АЭС-та қолдану ұсынылмайды. Әр блок станцияның құрама шиналарына жоғарылатқыш трансформаторлар мен бөлек сөндіргіштер арқылы қосылу қажет. ТҚ сенімділігінің жоғары болуына қажетті шаралар қабылдану қажет. Мысал ретінде сурет 47. 1000МВт 4-блокты АЭС-ның электрлік сұлбасы келтірілген. Олардың қуаты бес желілер бойымен торапқа 500кВт беріледі. Әр блокқа екі трансформатордан, жоғарылатқыш трансформатор негізінде 630МВА үш фазалы трансформатор алынған. Төменгі кернеулі жүйені электрмен жабдықтау үшін, төменгі кернеулі орамтар трамақталған жоғарылатқыш трансформаторлармен жүктеме генераторлармен сөндіргіштерінің арасындағы тарамдалған аймақтағы блокқа жалғанған. Алғашқы екі блоктар қуаты 63 және 25 МВА – А, қуатына ие трансформатордан тұрады, үшінші және төртінші блоктар қуаты 63 МВА бір трансформатордан тұрады. Ортаңғы кернеулі қосымша трансформатор қуаты 63 МВА, жақын қашықтықтағы қосалқы станциядан әуе желісі арқылы қоректенеді.
500кВ тарату құрылғысы жартылы сұлбасы ретінде орындалады.
Құрама шиналар секцияланған – бұл, ТҚ сенімділігін жоғарылатады. Реактивтік қуатты компенсациялау үшін сөндіргіштер арқылы қосылған шунттаушы реакторлар қарастырылған.

сурет – 47. 500кВ АЭС ТҚ электрлік байланыс сұлбасы.
Негізгі әдебиет: 1[344-365]
Қосымша әдебиет: 1[437-487]
Бақылау сұрақтары:
- Электр қондырғылардың сұлбасына қойылатан талаптар.
- Жылу станцияларының блокты агрегатты электрлік сұлбалары.
- Төменгі және ортанғы кернеулі ТҚ сұлбасы.
- Атом станций сұлбасы.
- Трансформаторлы станция сұлбасы.
№ 12 Дәріс конспектісі
Дәріс тақырыбы: Электр станция мен қосалқы станцияның өзіндік мұқтаждық жүйесі – энергожабдықтау көзі, өзіндік мұқтаждық жүйесінің жұмысшы машиналары.
Электр станцияның өзіндік мұқтаждықтың (ө.м.) тұтынушыларын электрмен жабдықтау үшін генераторлық кернеудегі қуатты таңдау жүргізіледі. Ө.м. ТҚ қоректендіру бөлек жұмыс істейтін трансформаторлардан жүргізіледі. трансформаторлардың бөлек жұмыс істеуі қ.т. токтарының деңгнейін шектеуге және басқа секцияларға жалғанған желілерге әсерін азайтуға мүмкіндік береді.
Ө.м. ТҚ жалғағыш бір сөндіргішті,бұл дұрысында тұтасты болып табылады, яғни әртүрлі орындалудағы КТҚ шкафтар жиынтығынан құралған, және бір секцияланған жүйелі шиналар жиынтығынан орындалады.
Ө.м. тұтынушыларын қоректендіру үшін кернеудің екі деңгейі пайдаланылады: 6кВ – қуатты электр қозғалтқыштарды қоректендіру үшін (200 кВт жоғары) және 0,4 кВ – қалған төмен қуатты тұтынушылар үшін. Мұндай бөліну қуаты 200 кВт төмен электр қозғалтқыштарды 6 кВ кернеумен қоректендіру экономикалық жағынан тиімсіз (1,5 – 2,3 есе қымбат), ал қуаты 200 кВт – тан жоғары электр қозғалтқыштарды 0,4 кВ –пен орындау қоректендіруші кабельдердің қимасының ұлғаюын талап етеді. Төмен қуатты электр станцияларында ө.м. қоректендіру тек 0,4 кВ орындалуы мүмкін.

– сурет. Үш энергоблокты КЭС ө.м. электрмен жабдықтаудың сұлбасы (аппараттарда және секцияларда белгіленген цифрлар блок номеріне сәйкес келеді)
Ө.м. резервті қоректендіру электр станцияның генераторларының қуатын таңдау жолымен іске асырылады, бірақ ө.м. резервті қоректендірудіің қосылуы олардың жұмыстық қоректенуінің қосылуымен байланысы болмауы қажет. Ө.м. тұтынушыларының аса жауаптылары үшін қосымша тәуелсіз электр энергия көзі қарастырылады (аккумуляторлы батареялар, дизель – генераторлар).
ЖЭС – да ө.м. барлық қуатының шамамен 2/3 негізгі жылулыкүштік қондырғыға және тек 1/3 ғана жалпы станциялық тағайындағы тұтынушыларға қызмет ету үшін жіберіледі. ЖЭС –дағы ө.м. ең қуатты жұмыстық механизмдер болып мыналар табылады: қоректендіруші, иркуляциялық және тораптық сорғыштар; ауаайдағыштар; тартып үрлеу тобының механизмі. Қуаттары 300 МВт және одан жоғары энергоблоктардың қоректендіруші сорғыштары мен ауаүрлегіштері турбожетекке ие, ал қалған механизмдер – электрлік (көбінесе асинхронды қозғалтқыштар) жетегі және оның басқа жтек түрлерінен артықшылығы.

7.17 – сурет. ЖЭО ө.м. электрмен жабдықтаудың
сұлбасы

7.18 – сурет. Агрегаттық және жалпы станциялық тұтынушылары бөлек қоректенетін қуатты СЭС ө.м. электрмен жабдықтауының сұлбасы.
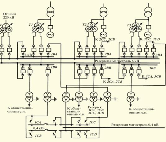
Блокты ЖЭС – ның ө.м. сұлбасы (7.16 – сурет) басты электрлік сұлбас сияқты блоктық принцип бойынша құрастырылады - ө.м. жұмысшы трансформаторларының жалғану нүктесі блоктық трансформатор мен генератор арасында болады. Ө.м. 6 кВ ТҚ бір секцияланған жүйелі шиналар жинтығының сұлбасы бойынша орындалады. Әр блоктың ө.м. механизмі екің немесе оданда көп секцияларынан қоректенеді. Бұл бір секцияда апат болған кезінде блок жұмысын жалғастыра беру үшін жасалған. Жоғарыда айтылғандай 6кВ ТҚ секциясына қуаты 200 кВт және олан жоғары және трансформацияның екінші сатысындағы трансформаторлар жалғанады.
Ө.м. ТҚ секциясының резервтік қоректендіру ө.м. резервтік трансформаторларына жалғанған резервтік магистраль бойынша іске асырылады. Ө.м.трансформаторларының саны электр станцияда орнатылған энергоблок санымен анықталады (энергоблоктар генераторлы сөндіргіштермен орындалады). Ө.м. бір трансформаторы электр станцияның екі энергоблогы кезінде орнатылады; біреуі жалғанған және біреуі ауыстыруға дайын – үш және оданда көп энергоблок кезінде.
Сұлбасы 7.16 суретте көрсетілген КЭС – те бірінші энергоблоктың 0,4 кВ кернеулі ө.м. тұтынушысы және жалпы станциялық жүктеменің бөлігі 1СА, 1СВ, 1СС және 1СD жарты секциядан қоректенеді. Ең жауапты тұтынушылар секцияның басқа бөліктерінен автоматты сөндіргішпен бөлінген 1СА және 1СВ жарты секцияларына қосылған. Берілген энергоблоктың ө.м. резервті трансформаторы үшінші энергоблоктың 3ВА секциясына қосылған. Кернеуі жүктемемен реттелетін ө.м. трансформаторларын қолдану ө.м. ТҚ шиналарындағы қажетті кернеу деңгейін ұстап тұруға мүмкіндік береді.
Ө.м. трансформаторларының төменгі кернеулі орамдарының таралуы және ө.м. 6 кВ ТҚ секциаясының бөлек жұмыс істеу ҚТ тогының деңгейін шектуге мүмкіндік береді және сонымен қатар КТҚ – н қолдануға мүмкіндік береді. Қажеттілік кезінде кірсте 0,4 кВ шинадағы ҚТ ток деңгейін төмендету үшін кейбір жиындарды ток шектуші реакторлар орнатады.
7.17 суретте төрт генераторлы араласқан ЖЭО-ның ө.м. электрмен жабдықтаудың сұлбасы келтірілген.
Жалпы станциялық жүктеме және ЖЭО блоктық емес бөлігінің тұтынушылары қосылған 1 ВА және 2ВА 6кВ секциялар ө.м. жұмысшы трансформаторларының Т1 және Т2 қоректенеді. Энерго блоктың ө.м. тұтынушылары ө.м. Т3 және Т4 жұмысшы трансформаторларынан қоректенеді. Ө.м. резервті трансформаторлары дәнекерлеу арқылы ЖЭО блокты емес бөлігінің байланыс трансформаторына қосылады.
7.18 – суретіне жалпы станциялық және агрегаттық тұтынушылары бөлек қоректенетін үлкен қуатты СЭС-н ө.м. электрмен жабдықтауының сұлбасы келтірілген.

Сурет. 7.19. Бір кернеудегі СЭС агрегаттық және қоғамдық ө.м. қоректендірудің ортақтандырылған біріктірілген сұлбасы.
СЭС-те электр энергияның өндірісінің технологиялық үрдіс АЭС пен ЖЭС-ке қарағанда айтарлықтай қарапайым, сондықтан ө.м. механизімінің саны онда айтарлықтай төмен. СЭС ө.м. барлық тұтынушылары агрегаттыға – майсорғыш майқысымды қондырғы, турбинадан соғышпен суды айдау, трансформаторлап суыту және т.б. – және жалпы станциялық-көтеруші механизмдер, техниеалық сумен қамтамасыздандыру сорғышы, сорушы құбырдан суды айдау сорғышы, дренажды және өрттік сорғыштар, жарықтанлыру, желдеткіш, жылыту және т.б. бөлінеді.
Агрегатты ө.м. электрмен жабдықтау 0,4кВ кернеуден жүргізіледі. 0,4 кВ құрамасы энероблок генераторына дәнекерлену арқылы жалғанған жеке трансформаторлардан қоректенеді. Бұл, құрамалардың резервті қоректендіруі 6-10кВ ТҚ қосылған екі резервті трансформатордан жүргізіледі және әр секция қалыпты режимде бөлек жұмыс істейді. Секциялық сөндіргіш әр секциядан жалғанған кезде (АВР), резервтік автоматты қосу сұлбасы бойынша қосылады. Резервті секциялар әрқайсысы жеке автотрансформаторларында жалғанған қосымша төмендеткіш трансформатордан қоректенеді.






