лля11?^"™1' мощности Д03" ДП-5Б (рис. 85) предназначен оажмн^""" УР011»^ гамма-радиации и радиоактивной за-лучению н "^Р^0"^ различных предметов по гамма-из-оаженм' а также "РОДовольствия и воды Радиоактивная за-»/а» различных предметов измеряется в миллирентге-
нах в час (мР/ч), а уровень радиации—в рентгенах в час
(Р/ч).
ВПХР (рис. 86) и ПРХР (рис. 87) —предназначение дано в описании оборудования БРМ-1к (см гл. II).

Рис. 85. Измеритель мощности дозы ДП-5Б:
/—измерительный пульт, 2 — зонд; 3 — гибкий кабель

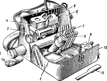
Рис. 86. Прибор ВПХР:
/—кассеты с индикаторными трубками;?—ручной насос; I— насадка к насосу; 4— защитные колпачки; 6 — противодымные фильтры; ^—корпус;
/--патроны к грелке; в—фонарь; 9 — грелка: /О—крышка; //—лопатка
Измеритель мощности дозы ДП-ЗБ (рис. 88) предназначен для измерения уровней гамма-радиации на местности, зараженной радиоактивными веществами. Он является основный
йпоом ведения радиационной разведки на негерметизиро- "^ных объектах боевой техники. Диапазон измерения пр.чбо- ван уровней гамма-радиан от 0,1 до 5С-и Р/ч. Прибор может работать в следящем режиме (непрерывно).

^»с. ол \\^.^ ПРХР-
в—датчик; б — измери'е;|ьный пулы: / — гч'^ь-ключ;:тс.!ь команд: 2 — перц- ключатель: 3—ручка \>тано|<к)1 чу-чч; •? — ^к:'.-••1.м ['^.'^е!?; и—тумблер «Датчик выкл.»; 6, 7, а. '» — сигнальнп." л;1М;':.-. <1 л.",г.(^ ш: •••'г •? — циклон с
ВХОДНОЙ И ВЫХОДНОЙ Труб^аМИ; г—мр^'И'.а;..^^Ь;1.:;;1И,.'С01р:-. М; (У—бЛ1.>;< ПИТгШИЯ
Комплект индийн;?уалькых к^^ртелсй до?ы ДП-9^5^ предназначен для намерения ^^}^дмнидVалыIЬ!х •юз п\;-г-1-облучения. В него входят зарядное устроГютво, 50 цзм,ригелей дозы ДКП-50А, технической описание и укладо-^ши ящик.
Прямопоказывающий измеоитель дозы ДКП-50Л, диапазон измерения—от 2 до 50 Р, выполнен и с1.юрме уу-опуч^и и носится в кармане о.5-жды.
Комплект общеалйского й^ери^ля дозы ИД-1 предня- ачен для измсрс.^,я поглопйнных лпз гамма-исйтроянп'0 излучения (в^-^еп к^иплектя ПП^РП). В него вхпаят зя-
футл? устройства " '0 из^^р-ел.и..] -зь' (до.имегров) в •г^ яре. Измеритель дозы по устройству и принципу работ-'
10 а
аналогичен измерителю дозы ДКП-50А. Диапазон измерен-ия дозы от 20 до 500 рад (1 рад примерно равен 1,08 Р).
Радиационную, химическую и неспецифическую биологическую разведку разведывательные подразделения веДутспециально подготовленными отделениями (экипажами) с ис-

Рис. 88. И.тл^рнтрль мощности дозы ДП-ЗБ:
/—кабель питание: 2— кнопка проверки;,4— измерительный прибор;
4— микроаупсрметр: 5 —лампа подср"та; 6— лампа световой индикации; /—переключатель; 8 — предохранители; 9— выносной блок;
10 ~ кабель
пользованием табельных приборов радиационной и химической разведки.
При обнаружении радиоактивного, химического и биологического заражения, а также о вспышках ядерного взрыва ] "блюдатели немедленно докладывают командиру подраз-;';'ления я полают сигнал оповещения.
При разведке и преодолении зоны (района) радиоактивного или химического заражения командир отделения (эки-
v следуя по маршруту движения, ипблюляот за мест- пгыо и показаниями приборов, производи! измерение уров-рй оадиации (определение 0В) и передает полученные дан-яе командиру, выславшему (угделснпе (экипаж) в разведку. Или при ведении разведки изм^регш- ^ ровней радп;:цип поизводится приборами, находящимися в машине (ПРХР), "О яля определения уровня радиации на местности необходимо учитывать коэффициент ослабления машины (для БМП,
БТР—4).
Специальная обработка
Специальная обработка отделения заключается в проведении дегазации, дезактивация и дезинфекции вооружения,

Рис. 89. Дегазационный комплект ДК-4Б:
О—в сборе; б— состав комплекта: /—газоотборник с заглушкой; 2 — крышка с предохраниТе.т^ыч клапаном;
в—рукав газожидкостный; 4 — емкость (канистра) с раствором; 5 — брандспойт со щеткой: 6 — пылеотвод-ная трубка; 7—выхлопная тиуба машины с глушителем и патрубком; а — укдад-.1чныГ- ящик (с.мка); '9 — пере- 10<1 ходник
:' хинкп, средств ипдивидуал!.!"''"; защп-ы обмундирования и.тугого имущества. Она бь!;;;^'; час;..''пая и полная. Для лровсдеияя специальной обрубитки п, "меняются табельные
средства.

Рис. ^0. Р^пмплгкт ТЛП:
/, 2 — автян^чныр прийорь;..'<—зарядное \ч|;"йство; 4 — воронка;
5 — ЗИП
Дегазационный комплект ДК-4Б (?;н: 39) предназначен 'ля спецобработки Б7'Р (БРДМ), а тгч^сгмй "е^^аиионный рибор ТДП (рис. 90)-БМП (БРМ). Дчя ^ти же цел-
•тужит автономный прибор войскового дегд-уия-^жого ком- злекта ДКВ (рис. 91), содержащегося р. пплг'лпдс'лении хим-
•''щнты.
Индивидуальные пакеты ИПП-8 и КПП-Ц предназначены для дегазации кожных покровов человека (лицо, шея, руки) н отдельных участков обмундирования, прилегающих к кожным покровам (воротник, обшлага рукавов), а также лице-вт'й части противогаза в боевом положении при заражении ^•розолями или каплями 0В и биологически"" ср^дстрями. Комплект ИД ПС-69 предназначен для дегазэ7!:-7'! ггпел^о-„ •т'-) оружия, зараженного 0В типа ^-газч, зтта1?, ипп^т.
• тзкже обмундирования, заряженного пя".ч'ли 0В 'ч;--??о-
•^:. зарин. Он состоит из '0 пакетов для -гг?з„ц';и о"-'^<ия
•М^П-О и Ю пакетов •"'я дегаза^?:' обмундирования (ДПС-1), уложенных в кар|л'ную коробку.
| Боевая полготонкл |
Лля дегазации и дезинфекции вооружения и техники используются следующие табельные растворы:
—дегазирующая рецептура РД-2 (РД) — предназначена лля дегазации вооружения и техники, зараженных У-газами, зоманом и ипритом; применяется из комплектов ТДП, ДКВ. авторазливочной станции АРС в любое время года;

Рис. 9?. аптоттоук'^"! пп^.^оп ^^В-
/—резервуар:.?—спгЬон: Я— прелпхр^пгтгльныД кла^ пан; 4— жидкостный шланг: 5— воздушный шланг
для обработки вооружения и техники с помощью ДК-4 применяется полифункпионяльчая рецептура в виде 0 15%' раствора моющего порошка СФ-2У' в поде летом или в аммиачной воде зимой.
Частичная специальная облаботка БМП ГПТР) проводит-
пой^Т'71^"^ с ПОМОIЦТ-Ю комплектов и приборов ^пецияль--у ^работки или протиранием в^топт^ю, смои.^н-г^т"; дегази-
РУ Щим раствором, а при его отсутствии —пастпопителями или горючим. ' ' 1 '
Пове^хИп48"^4"0" лег?ояпии г>\\т} (ьтр) обр-^атываются наклоним ьоашни' крышки люков, верхний лист, верхние ные бортовые листы, вооружение, инструмент и места
расположения личного состава. При частичной.'и^яклтапии обрабатывается вся зараженная поверхность.
Дегазация, дезактивация и дезинфекция БМП (БТР) должны проводиться в средствах индивидуальной защиты.
Частичная санитарная обработка личного состав,] заключается в удалении отравляющих, радиоактивных веществ и биологических средств с открытых участков кожи, а также со средств индивидуальной защиты, обмундирования, снаряжения и обуви.
При заражении отравляющими веществами открытых участков кожи, а также небольших участков обмундирования и снаряжения для дегазации используются индивидуальные противохимические и дегазационные пакеты. Дегазация надетых средств защиты кожи проводится с помощью комплектов и приборов специальной обработки.
При заражении радиоактивными веществами санитарная обработка проводится в следующем порядке:
— отряхнуть (обмести, выколотить) или протереть ветошью, смоченной водой, средства индивидуальной защиты и снять их;
— не снимая респиратора, отряхнуть обмундирование;
обмести или протереть смоченной ветошью снаряжение и обувь;
— обмыть чистой водой открытые участки рук и шеи, затем протереть и обмыть каску;
— снять респиратор и тщательно выколотить его, а затем вымыть чистой водой лицо, прополоскать рот и горло.
При обработке на зараженной местности респиратор не снимается.
В случае недостатка воды обработка открытых участков кожи производится обтиранием их тампонами из ваты (марли), При отсутствии воды тампоны смачиваются дегазирующим раствором из индивидуального противохимического пакета. Зимой обмундирование, снаряжение и обувь можно обработать незараженным снегом.
При заражении биологическими средствами необходимо, не снимая противогаза, отряхнуть обмундирование, снаряжение и средства индивидуальной защиты. После этого жидкостью из индивидуального противохимического пакета протереть руки, шею, каску и наружную поверхность шлема-маски противогаза.






