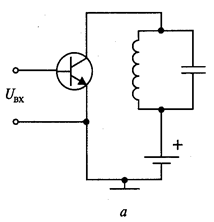
В приборе, состоящем из двух р-п-переходов, происходит перенос, как основных носителей заряда, так и неосновных. Управление током прибора осуществляется за счет заряда неосновных носителей заряда (в транзисторе типа n-р-n ими являются электроны), накапливаемых в области базы. С помощью входного сигнала, приложенного между базой и эмиттером, происходит управление этим процессом. Затем под действием постоянного напряжения носители из области базы переносятся к коллектору, возбуждая электромагнитное поле в колебательном контуре, включенном в коллекторную цепь транзистора. В транзисторном генераторе следует выполнить соотношение:
, где
- частота сигнала
- время переноса носителей заряда из области базы к коллектору.

Рис. 3.3. У стройство генератора на биполярном транзисторе






