



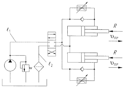
На рис. 6.8 изображен составленный из условных обозначений пример гидравлической схемы привода поворота стрелы челюстного погрузчика.
Схема состоит из бака, нерегулируемого гидромотора, трехпозиционного гидрораспределителя, двух регулируемых дросселей с параллельно подключенными к ним обратными клапанами, двух гидроцилиндров, фильтра и предохранительного клапана.

Рис.6.8. Гидросхема привода поворота стрелы
Принцип работы гидропривода заключается в следующем. Из бака рабочая жидкость (масло) забирается насосом и подается к гидрораспределителю. В нейтральном положении золотника гидрораспределителя при работающем насосе на участке трубопровода между насосом и распределителем начинает увеличиваться давление, при этом срабатывает предохранительный клапан и жидкость сливается обратно в бак. При смене позиции золотника (нижняя позиция на схеме) открываются проходные сечения в гидрораспределителе, и жидкость начинает поступать в полости нагнетания гидродвигателей (поршневые полости гидроцилиндров). Из штоковой полости гидроцилиндров масло по гидролинии слива проходит через регулируемые дроссели, гидрораспределитель и, очищаясь фильтром, попадает на слив в бак.
Скорость поступательного движения штоков гидроцилиндров регулируется дросселями. Реверсирование движения штоков осуществляется путем переключения позиций гидрораспределителя. При обратном движении штоков без нагрузки их скорость не регулируется и зависит от расхода рабочей жидкости в штоковые полости. При аварийной остановке штоков (например, непреодолимое усилие) давление в системе возрастает, вызывая тем самым открытие предохранительного клапана и сброс рабочей жидкости в бак.






