Для получения электромеханических и механических характеристик асинхронного двигателя (АД) мы будем использовать схему замещения асинхронного двигателя, позволяющую объединить первичную и вторичную цепь двигателя на одной схеме [1; 9; 10]. На схеме замещения (рис. 5.1) каждая из цепей представлена своими активными и индуктивными сопротивлениями. При этом ток, ЭДС и параметры цепи ротора пересчитаны (приведены) к цепи статора, что и позволяет представить цепь статора и цепь ротора на схеме замещения соединенными электрически. Приведение параметров ротора к обмотке статора осуществляется на основании закона сохранения энергии с помощью коэффициента трансформации АД.
, (5.1)
где
и
- фазные ЭДС статора и ротора.
На практике пользуются приближенной формулой (5.1), где
- номинальное фазное напряжение, а
- ЭДС фазы неподвижного ротора.

Рис. 5.1. Схема включения асинхронного двигателя
В соответствии с вышесказанным можно записать следующие уравнения:
;
;
;
;
. (5.2)
Как известно, наиболее широко используют две схемы замещения АД: Т-образную, более точную, и Г-образную. Учитывая, что точно определить параметры Т-образной схемы трудно, на практике пользуются Г-образной, которая получается из Т-образной переносом намагничивающей ветви и включением ее на напряжение питания.

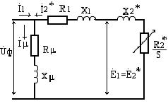
Рис. 5.2. Г-образная схема замещения
На этих схемах:
- действующее значение фазного напряжения;
,
и
- фазный ток статора, намагничивающий ток и приведенный ток ротора;
- активные фазные сопротивления соответственно обмотки статора, добавочного резистора и суммарное сопротивление фазы статора;
- активные, приведенные к обмотке статора, фазные сопротивления ротора, добавочного резистора и суммарное сопротивление фазы ротора;
и
- индуктивные сопротивления от потоков рассеяния фазы статора и приведенное фазы ротора;
- индуктивное сопротивление контура намагничивания;
Rµ - активное сопротивление контура намагничивания
- скольжение; (5.3)
- угловая скорость вращения магнитного поля статора, (5.4)
(скорость идеального холостого хода);
- частота питающей сети;
- число пар полюсов.
Из схем замещения видно, что
, а ток намагничивания
, определяющий магнитный поток АД, протекает под действием
по отдельной цепи контура намагничивания, определяемой параметрами
и
, определить его можно как векторную сумму
. (5.5)