

![]() | ![]() | ||
3. Схема соединения секций обмоток Δ-YY
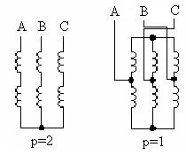
Рис. 5.12. Схемы соединения обмоток и соответствующие
им механические характеристики
Моменты, развиваемые Д при различных схемах соединения обмоток, относятся как соответствующие магнитные индукции:
.
Данный способ прост, позволяет получить жёсткие механические характеристики, экономичен (машина работает в номинальном режиме).
Недостатком является ступенчатость регулирования.
Как видно из рис. 5.12 и таблицы 5.1, в зависимости от характера нагрузки (вентиляторная, с постоянным моментом, с постоянной мощностью) можно выбрать соответствующую схему соединения обмоток.
Промышленность выпускает 2-х, 3-х и 4-х скоростные двигатели. В 2-х скоростных двигателях на статоре только одна переключаемая обмотка и число полюсов изменяется в два раза.
Таблица 5.1.
Соотношение магнитных индукций при разных схемах
| № | | | |||
| схе-мы | соединение полуобмоток | соединение фаз | соединение полуобмоток | соединение фаз | |
| последователь-ное | звезда Y | параллельное | треугольник ∆ | | |
| последователь-ное | звезда Y | параллельное | двойная звезда YY | | |
| последователь-ное | треугольник ∆ | параллельное | двойная звезда YY | |
|
|
|

