Регулирование координат электропривода с асинхронным двигателем изменением напряжения

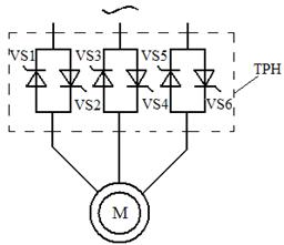
Реализуется этот способ при наличии тиристорного регулятора напряжения (ТРН) (рис. 5.8). Но может быть использован и трёхфазный автотрансформатор или магнитный усилитель, т.е. любой регулируемый источник трёхфазного напряжения. При изменении напряжения питания ω 0 не меняется и все характеристики выходят из одной точки. Также постоянным является и критическое скольжение Sк = const. Момент (в частности критический) будет изменяться пропорционально квадрату приложенного напряжения (5.7), в результате резко падает перегрузочная способность [9; 12].

а)
б)

Рис. 5.8. Включение АД по схеме «тиристорный регулятор напряжения-двигатель»: а) схема включения; б) механические характеристики

Этот способ используется в разомкнутых системах только для воздействия на момент АД, при регулировании скорости он не применяется. Диапазон регулирования мал, снижаются жесткость и перегрузочная способность.

В замкнутой системе регулирования данный способ получил широкое применение, особенно в маломощных приводах, кратковременно работающих на регулировочных характеристиках. Применение ТРН открывает здесь дополнительные возможности, позволяющие обеспечить высокое качество динамических режимов при широком диапазоне регулирования, сравнительной простоте управления и невысоких затратах.





Подборка статей по вашей теме: