
Блок СА2

_______________________________________________________________________________
_______________________________________________________________________________
Основные технические данные:
_______________________________________________________________________________
_______________________________________________________________________________
_______________________________________________________________________________
_______________________________________________________________________________
_______________________________________________________________________________
_______________________________________________________________________________
2. РАБОТА СИСТЕМЫ СП ПО ФУНКЦИОНАЛЬНОЙ СХЕМЕ
_______________________________________________________________________________
_______________________________________________________________________________
_______________________________________________________________________________
_______________________________________________________________________________
_______________________________________________________________________________
_______________________________________________________________________________
_______________________________________________________________________________
_______________________________________________________________________________
_______________________________________________________________________________
_______________________________________________________________________________
_______________________________________________________________________________
_______________________________________________________________________________
_______________________________________________________________________________
|
|
|
_______________________________________________________________________________
_______________________________________________________________________________
_______________________________________________________________________________
_______________________________________________________________________________
_______________________________________________________________________________
_______________________________________________________________________________
_______________________________________________________________________________
_______________________________________________________________________________
_______________________________________________________________________________
_______________________________________________________________________________
_______________________________________________________________________________
_______________________________________________________________________________
_______________________________________________________________________________
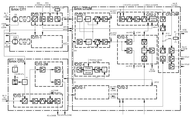
Функциональная схема системы СП

_______________________________________________________________________________
_______________________________________________________________________________
_______________________________________________________________________________
_______________________________________________________________________________
_______________________________________________________________________________
_______________________________________________________________________________ Вид сигналов на входе приемной системы ССЦ

_______________________________________________________________________________
_______________________________________________________________________________
_______________________________________________________________________________
_______________________________________________________________________________
_______________________________________________________________________________
_______________________________________________________________________________
_______________________________________________________________________________
_______________________________________________________________________________
_______________________________________________________________________________
_______________________________________________________________________________
_______________________________________________________________________________
_______________________________________________________________________________
_______________________________________________________________________________
_______________________________________________________________________________
|
|
|
_______________________________________________________________________________
_______________________________________________________________________________
_______________________________________________________________________________
_______________________________________________________________________________
_______________________________________________________________________________
_______________________________________________________________________________
_______________________________________________________________________________
_______________________________________________________________________________
_______________________________________________________________________________
_______________________________________________________________________________
_______________________________________________________________________________
_______________________________________________________________________________
_______________________________________________________________________________
_______________________________________________________________________________
_______________________________________________________________________________
_______________________________________________________________________________
_______________________________________________________________________________
_______________________________________________________________________________
_______________________________________________________________________________
_______________________________________________________________________________
_______________________________________________________________________________
_______________________________________________________________________________
Вид сигналов на выходах фазовых детекторов

_______________________________________________________________________________
_______________________________________________________________________________
_______________________________________________________________________________
_______________________________________________________________________________
_______________________________________________________________________________
_______________________________________________________________________________
_______________________________________________________________________________
_______________________________________________________________________________
_______________________________________________________________________________
_______________________________________________________________________________
_______________________________________________________________________________
_______________________________________________________________________________
_______________________________________________________________________________
_______________________________________________________________________________
_______________________________________________________________________________
_______________________________________________________________________________
_______________________________________________________________________________
_______________________________________________________________________________
_______________________________________________________________________________
_______________________________________________________________________________
_______________________________________________________________________________
_______________________________________________________________________________
_______________________________________________________________________________
_______________________________________________________________________________
_______________________________________________________________________________
_______________________________________________________________________________
_______________________________________________________________________________
_______________________________________________________________________________
_______________________________________________________________________________
_______________________________________________________________________________
_______________________________________________________________________________
_______________________________________________________________________________
_______________________________________________________________________________
_______________________________________________________________________________
_______________________________________________________________________________
_______________________________________________________________________________
_______________________________________________________________________________
_______________________________________________________________________________
_______________________________________________________________________________
_______________________________________________________________________________
_______________________________________________________________________________
_______________________________________________________________________________
_______________________________________________________________________________
_______________________________________________________________________________
_______________________________________________________________________________
_______________________________________________________________________________
_______________________________________________________________________________
_______________________________________________________________________________
_______________________________________________________________________________
_______________________________________________________________________________
_______________________________________________________________________________
_______________________________________________________________________________
_______________________________________________________________________________
_______________________________________________________________________________
ЗАНЯТИЕ № 5. Схема автоматической подстройки частоты
Вид занятия: групповое занятие;
Время: 2 часа.
Цель: Изучить назначение, состав и работу схемы автоматической подстройки частоты магнетрона.
|
|
|
2. Изучить органы управления и контроля и системы СП.
3. Изучить признаки нормальной работы приемной системы.
Учебные вопросы:
1. Назначение, состав и работа схемы автоматической подстройки частоты магнетрона.
2. Органы управления и контроля и системы СП. Признаки нормальной работы приемной системы.
Литература: 1. РудиановГ.В., Переверзев М.А. Устройство и эксплуатация ЗПРК 2К22. Часть II. Станция сопровождения целей. Конспект лекций. С.-Пб. 2011, с. 18-22.
1. НАЗНАЧЕНИЕ, СОСТАВ И РАБОТА СХЕМЫ АВТОМАТИЧЕСКОЙ ПОДСТРОЙКИ ЧАСТОТЫ МАГНЕТРОНА
Система АПЧМ предназначена _______________________________________________
______________________________________________________________________________
______________________________________________________________________________
Система АПЧМ размещена в блоках:
· СП3 _______________________________________________________________________
· СУ5М _____________________________________________________________________
· СГ1 _______________________________________________________________________






