1.1 Включить стенд в сеть.
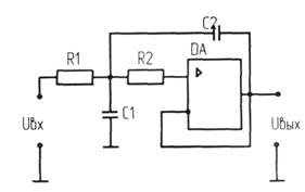
2.Исследование работы интегратора.
2.1.Установить переключатели:
- SA1 в положение 2;
- SA2, SA3 в положение 1.
2.2.Изменяя частоту с ГИ посредством резистора R1 наблюдать и
зарисовать график сигнала в КТ2. Определить частоту Wcp.
3 Исследование работы логарифмического преобразователя.
3.1.Установить переключатели:
- SA1 в положение 1;
- SA2, в положение 1;
- SA3 в положение 2.
Первый канал осциллографа подключить к КТ2. Вместо каналов осциллографа использовать 2 цифровых мультиметра с большим входным сопротивлением в режиме вольтметра.
3.2.Изменяя положение движка потенциометра R2 снять зависимость
U2=f(U1), где U1 и U2 - напряжения в контрольных точках КТ1 и КТ2
соответственно. Результаты занести в таблицу 1.
Таблица 1.
| U1, В | |
| U2, В |
Построить график полученной зависимости.
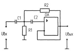
4. Исследование работы дифференциатора.
4.1.Установить переключатели:
- SA1, SA2, в положение 2;
- SA3 в положение 1.
4.2.Посредством резистора R1 изменять частоту с ГИ, наблюдать и
зарисовать графики напряжений с КТ1 и КТЗ. Определить Wcp.
|
|
|
5. Исследование работы антилогарифмического преобразователя.
5.1. Установить переключатели:
- SA1 в положение 1;
- SA2, SA3 в положение 2.
5.2. Измерить либо с помощью осциллографа, либо с помощью мультиметра напряжения в контрольных точках KTl(U1) и KT3(U3).
Результаты занести в таблицу 2.
Таблица 2
| U1, В | |
| U3, В |
Построить график зависимости U3 =f(U1)
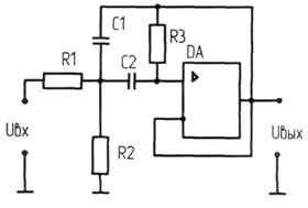
6. Исследование фильтра низкой частоты.
6.1.Установить переключатели:
- SA1 в положение 3;
- резистор R3 в положение, указанное преподавателем.
6.2.Изменяя частоту сигнала с ГИ посредством резистора R1 наблюдать и
зарисовать сигналы Ul (KTl) и U4 (KT4). Снять частотную характеристику
фильтра НЧ K(f), где K=U4m/Ulm - коэффициент передачи фильтра, U4m, Ulm - амплитуды сигналов в КТ1 и КТ4, f — частота сигнала U1 которая определяется через период f=1/T. Результаты занести в таблицу 3 и построить график K(f).
Таблица 3.
| T, мс | |
| f, Гц | |
| U1m, В | |
| U4m, В | |
| K |
7. Исследование фильтра высокой частоты.
7.1.Установить переключатели:
- SA1 в положение 3;
- резистор R4 в положение, указанное преподавателем.
7.2.Изменяя частоту сигнала с ГИ посредством R1 наблюдать и зарисовать
сигналы Ul(KTl) и Ш(КТ5).
Снять частотную характеристику ВЧ, K(f), где K=U5m/U1m - коэффициент передачи ВЧ фильтра, U5m, U1m - амплитуды сигналов в КТ1 и КТ5. Результаты занести в таблицу 4 и построить график K(f).
Таблица 4.
| T, мс | |
| f, Гц | |
| U1m, В | |
| U5m, В | |
| K |
Содержание отчета.
Отчет должен содержать:
- цель работы;
- краткие теоретические сведения;
- графики зависимостей;
- результаты испытаний;
- выводы.
Контрольные вопросы.
|
|
|
1. Суммирующие схемы на ОУ;
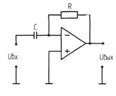
2. Интеграторы на ОУ;
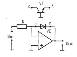
3. Логарифмические преобразователи на ОУ;
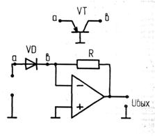
4. Антилогарифмические преобразователи на ОУ;
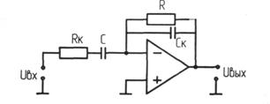
5. Дифференциаторы на ОУ;
6. Активные фильтры на ОУ.
Литература.
- Лачин В.Н., Савелов Н.С. Электроника. Уч. пособие - Ростов н/д
"Феникс" 2000 г. - М.Х. Джонс. Электроника - практический курс. Москва. Постмаркет
2003 г.
ПРИЛОЖЕНИЕ

Рисунок 2

Рисунок 3

Рисунок 4

Рисунок 5

Рисунок 6

Рисунок 7

Рисунок 8

Рисунок 9, а

Рисунок 9, б

Рисунок 10, а

Рисунок 10, б

Рисунок 11, а

Рисунок 11, б
____________________________________________________________
ЛР N 020342 от 7.02.97 г.
ЛР № 0137 от 2.10.98 г.
Подписано в печать _____________2006 г.
Формат 60х84/16 Бумага офсетная Печать ризографическая
Уч.-изд.л. 1,25 Усл.-печ.л. 1,25 Тираж _____ экз.
Заказ _____
Издательско-полиграфический центр
Камской государственной инженерно-экономической академии (ИНЭКА)
__________________________________________________________________
423810, г. Набережные Челны, Новый город, проспект Мира, 13






