4.1. Для уменьшения объема документации допускается сокращенное обозначение групп УГО.
4.2. УГО элементов могут быть изображены совмещенно, прилегая друг к другу одной или двумя сторонами, параллельными распространению информации (черт. 16 а). При этом логическое соединение между данными элементами отсутствует.
Примечание. Допускается изображать УГО элементов с общей стороной, перпендикулярной к распространению информации (черт. 16 б). В этом случае существует хотя бы одно логическое соединение между данными элементами. Логические соединения следует указывать в соответствии с приложением 4. При отсутствии таких указаний считается, что имеется только одно логическое соединение между данными элементами (черт. 16 в).

Черт. 16
4.3. УГО группы однотипных элементов, изображенных совмещение и имеющих одинаковую информацию и общие выводы, могут содержать общий графический блок - блок управления (приложение 3). Допускается обозначать блок управления, как показано на черт. 17.

Черт. 17
|
|
|
4.4. В группе элементов, изображенных совмещенно и содержащих одинаковую информацию в основном поле УГО, последнюю помещают в верхнем УГО (черт. 18 а). Допускается отделять такие элементы друг от друга штриховой линией (черт. 18 б).
Две последовательные группы элементов следует изображать, как показано на черт. 18 в. Сокращенное обозначение группы из пар элементов показано на черт. 18 г.
Группу элементов с идентичными выводами (входами и выходами), имеющих общий блок управления и не имеющих его, допускается изображать, как показано на черт. 18 д и черт. 18 г соответственно.

Черт. 18
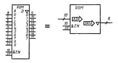
4.5. В схемах, имеющих элементы с большим числом выводов одного функционального назначения, допускается сокращенное обозначение таких элементов (черт. 19).

| Номер вывода | ||||||||||
| Метка вывода | А 0 | А 1 | А 2 | A 3 | А 4 | A 5 | A 6 | А 7 | A 8 | A 9 |
| Номер вывода | ||||||||||
| Метка вывода | D 0 | D 1 | D 2 | D 3 | D 4 | D 5 | D 6 | D 7 |

Черт. 19
Примечания:
1. Записи выводов 13 - 17 и 13... 17 тождественны.
2. Таблицу (первый способ сокращенного обозначения элементов) следует помещать на поле схемы.
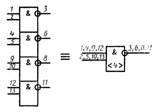
4.6. В схемах с повторяющимися элементами допускается также применять пакетный метод сжатия информации, т.е. пакетное изображение УГО элементов и линий их связи.
4.6.1. Пакет элементов - это группа однотипных элементов, изображенных в виде одного УГО. Пакет сигналов - это группа сигналов (логических связей элементов), изображенных одной линией. Пакеты элементов и сигналов поясняют на схеме при помощи пакетов информации,
4.6.2. Пакет информации - это краткое перечисление следующих данных:
|
|
|
идентификаторов сигналов (логических связей элементов);
конструктивных адресов элементов и сигналов;
координат элементов на схеме;
количество элементов или сигналов в пакете и т.д.
4.6.3. Краткая запись пакета информации может быть представлена следующим образом:
0,1; 0,1; 0,1; 0,1 = (0,1) 4 - последовательность 0,1 повторяется 4 раза;
0, 0, 0, 1, 1, 1 = 3 (0,1) - каждый элемент указанной последовательности повторяется 3 раза подряд.
4.6.4. Пакетное изображение информации применяют при одновременном выполнении следующих условий:
однотипность элементов в группе;
однотипность входных и выходных сигналов элементов группы;
регулярность сигналов в каждом пакете, допускающая их удобное перечисление.
4.6.5. Внутри основного поля УГО пакета элементов помещают:
в первых трех строках информацию - по ГОСТ 2.708;
в последующих строках информацию о пакете.
При недостатке места в основном поле информацию о пакете элементов допускается помещать на поле схемы. Например, справа от УГО пакета элементов.
Пример УГО пакета элементов приведен на черт. 20.

Черт. 20






