ЕДИНАЯ СИСТЕМА КОНСТРУКТОРСКОЙ ДОКУМЕНТАЦИИ
ОБОЗНАЧЕНИЯ УСЛОВНЫЕ ГРАФИЧЕСКИЕ В СХЕМАХ.
ЭЛЕМЕНТЫ ЦИФРОВОЙ ТЕХНИКИ
ГОСТ 2.743-91
ГОССТАНДАРТ РОССИИ
Москва – 1992
ГОСУДАРСТВЕННЫЙ СТАНДАРТ СОЮЗА ССР
| Единая система конструкторской документации ОБОЗНАЧЕНИЯ УСЛОВНЫЕ ГРАФИЧЕСКИЕ В СХЕМАХ. ЭЛЕМЕНТЫ ЦИФРОВОЙ ТЕХНИКИ Unified system of design documentation. Graphical symbols in diagrams. Elements of digital technique | ГОСТ 2.743-91 |
Дата введения 01.01.93
Настоящий стандарт устанавливает общие правила построения условных графических обозначений (УГО) элементов цифровой техники в схемах, выполняемых вручную или с помощью печатающих и графических устройств вывода ЭВМ во всех отраслях промышленности.
ОБЩИЕ ПОЛОЖЕНИЯ
1.1. Элемент цифровой техники (далее - элемент) - цифровая или микропроцессорная микросхема, ее элемент или компонент; цифровая микросборка, ее элемент или компонент. Определения цифровой и микропроцессорной микросхем, их элементов и компонентов - поГОСТ 17021, определения цифровой микросборки, ее элемента или компонента - по ГОСТ 26975.
|
|
|
Примечание. K элементам цифровой техники условно относят элементы, не предназначенные для преобразования и обработки сигналов, изменяющихся по закону дискретной функции, но применяемые в логических цепях, например конденсатор, генератор и т.п.
1.2. При построении УГО используют символы «0» и «1» для идентификации двух логических состояний «логический 0» и «логическая 1» (приложение 1).
ПРАВИЛА ПОСТРОЕНИЯ УГО ЭЛЕМЕНТОВ
2.1. Общие правила построения УГО
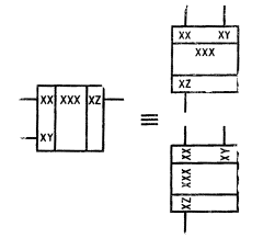
2.1.1. УГО элемента имеет форму прямоугольника, к которому подводят линии выводов. УГО элемента может содержать три поля: основное и два дополнительных, которые располагают слева и справа от основного (черт. 1).

Черт. 1
Примечание. Кроме основного и дополнительных полей УГО элемента может содержать также контур общего блока управления и контур общего выходного элемента (приложение 2).
2.1.2. В первой строке основного поля УГО помещают обозначение функции, выполняемой элементом. В последующих строках основного поля располагают информацию по ГОСТ 2.708.
Примечание. Допускается помещать информацию в основном поле с первой позиции строки, если это не приведет к неоднозначности понимания.
В дополнительных полях помещают информацию о назначениях выводов (метки выводов, указатели).
Допускается проставлять указатели на линиях выводов на контуре УГО, а также между линией вывода и контуром УГО.
2.1.3. УГО может состоять только из основного поля (табл. 1, п. 1) или из основного поля и одного дополнительного, которое располагают справа (табл. 1, п. 2) или слева (табл. 1, п. 3) от основного, а также из основного поля и двух дополнительных (табл. 1, п. 4).
|
|
|
Допускается дополнительные поля разделять на зоны, которые отделяют горизонтальной чертой.
Основное и дополнительные поля могут быть не отделены линией. При этом расстояние между буквенными, цифровыми или буквенно-цифровыми обозначениями, помещенными в основное и дополнительные поля, определяется однозначностью понимания каждого обозначения, а для обозначений, помещенных на одной строке, должно быть не менее двух букв (цифр, знаков), которыми выполнены эти обозначения.
Таблица 1
| Наименование | Обозначение |
| 1. УГО, содержащее только основное поле | |
| 2. УГО, содержащее основное поле и одно (правое) дополнительное поле | |
| 3. УГО, содержащее основное поле и одно (левое) дополнительное поле | |
| 4. УГО, содержащее основное поле и два дополнительных, разделенных на зоны. Количество зон не ограничено. | |
Примечания:
1. Знаками «*» обозначены функции и метки выводов элементов.
2. Допускается элементы, изображенные совмещенным способом, разделят» графически линиями связи, при этом расстояние между концами контурных линий УГО и линиями связи должно быть не менее 1 мм (черт. 2).

Черт. 2
2.1.4. Выводы элементов делят на входы, выходы, двунаправленные выводы и выводы, не несущие логической информации.
Входы элемента изображают с левой стороны УГО, выходы - с правой стороны УГО. Двунаправленные выводы и выводы, не несущие логической информации, изображают с правой или с левой стороны УГО.
2.1.5. При подведении линий выводов к контуру УГО не допускается:
проводить их на уровне сторон прямоугольника;
проставлять на них у контура УГО стрелки, указывающие направление информации.
2.1.6. Допускается другая ориентация УГО, при которой входы располагают сверху, выходы - снизу (черт. 3).

Черт. 3
Примечание. При ориентациях УГО, когда входы находятся справа или снизу, и выходы - слева или сверху, необходимо на линиях выводов (связи) проставлять стрелки, указывающие направление распространения информации, при этом обозначение функции элемента должно соответствовать приведенному на черт. 4.

Черт. 4
2.1.7. Размеры УГО определяют:
по высоте:
число линий выводов;
число интервалов;
число строк информации в основном и дополнительных полях, размером шрифта;
по ширине:
наличием дополнительных полей;
число знаков, помещаемых в одной строке внутри УГО (с учетом пробелов), размером шрифта.
2.1.8. Соотношения размеров обозначений функций, меток и указателей выводов в УГО, а также расстояний между линиями выводов должны соответствовать приведенным в приложении 5.
Минимальная величина шага модульной сетки М выбирается исходя из требования микрофильмирования (ГОСТ 13.1.002).
2.1.9. Надписи внутри УГО выполняют основным шрифтом по ГОСТ 2.304.
При выполнении УГО с помощью устройств выводов ЭВМ применяют шрифты, имеющиеся в них.
2.2. Обозначения функций элементов
2.2.1. Обозначение функций или совокупности функций (далее - функций), выполняемых элементом, образуют из прописных букв латинского алфавита, арабских цифр и специальных знаков, записанных без пробелов.
Количество знаков в обозначении функции не ограничено, однако следует стремиться к их минимальному числу при сохранении однозначности понимания каждого обозначения.
2.2.2. Обозначения функций элементов приведены в табл. 2.
Таблица 2
| Наименование | Обозначение |
| 1. Буфер | BUF |
| 2. Вычислитель: | СР |
| секция вычислителя | CPS |
| вычислительное устройство | CPU |
| 3. Вычислитель | P-Q или SUB |
| 4. Делитель | DIV |
| 5. Демодулятор | DM |
| 6. Демультиплексор | DX |
| 7. Дешифратор | DC |
| 8. Дискриминатор | DIC |
| 9. Дисплей | DPY |
| 10. Интерфейс периферийный программируемый | PPI |
| 11. Инвертор, повторитель | 1 |
| 12. Компаратор | СОМР |
| 13. Микропроцессор | MPU |
| 14, Модулятор | MD |
| 15. Модификатор | MOD |
| 16. Память | М |
| 17. Главная память | ММ |
| 18. Основная память | GM |
| 19. Быстродействующая память | FM |
| 20. Память типа «first-in, first-out» | FIFO |
| 21. Постоянное запоминающее устройство (ПЗУ): | ROM |
| программируемое ПЗУ (ППЗУ) | FROM |
| ППЗУ с возможностью многократного программирования (РЭПЗУ) | RPROM |
| репрограммируемое ППЗУ с ультрафиолетовым стиранием (РФПЗУ) | UVPROM |
| 22. Оперативное запоминающее устройство (ОЗУ) с произвольной выборкой: | RAM |
| ОЗУ с произвольной выборкой статическое (СОЗУ) | SRAM |
| ОЗУ с произвольной выборкой динамическое (ДОЗУ) | DRAM |
| энергонезависимое ОЗУ (ЭНОЗУ) | NVRAM |
| 23. Ассоциативное запоминающее устройство | CAM |
| 24. Программируемая логическая матрица (ПЛМ) | PLM |
| 25. Преобразователь | X/Y |
| Примечания: 1. Буквы Х и Y могут быть вменены обозначениями представляемой информации на входах и выходах преобразователя, например: | |
| аналоговый | |
| цифровой | # или D |
| двоичный | BIN |
| десятичный | DEC |
| двоично-десятичный | BCD |
| восьмеричный | ОСТ |
| шестнадцатеричный | HEX |
| код Грея | GRAY |
| семисегментный | 7SEG |
| уровень ТТЛ | TTL |
| уровень МОП | MOS |
| уровень ЭСЛ | ECL |
| 2. Допускаются обозначения: | |
| цифро-аналоговый преобразователь | DAC |
| аналого-цифровой преобразователь | ADC |
| 26. Приемо-передатчик шинный | RTX |
| 27. Процессор | P |
| Секция процессора | PS |
| 28. Регистр | RG |
| Сдвиговый регистр n -разрядный | SKGn |
| 29. Сумматор | S или SM |
| 30. Счетчик: | CTR |
| счетчик n -разрядный | CTRn |
| счетчик по модулю n | CTRDIVn |
| 31. Триггер | Т |
| Двухступенчатный триггер | TT |
| Примечание. Допускается не указывать обозначение функции при выполнении УГО триггеров | |
| 32. Умножитель | n или MPL |
| 33. Усилитель | |
| 34. Устройство | DEV |
| 35. Устройство арифметическо-логическое | ALU |
| 36. Устройство приоритета кодирующее | HPRI |
| 37. Коммутирующее устройство, электронный ключ | SW |
| 38. Шина | BUS или В |
| 39. Шифратор | CD |
| 40. Элемент задержки | |
| 41. Элемент логический: | ³ n или > = n |
| «большинство» | ³ n /2 |
| «исключающее ИЛИ» | EXOR или = 1 |
| «логическое И» | & |
| Примечание. При выполнении УГО с помощью устройств вывода ЭВМ допускается обозначение функции | |
| «логическое И» | И |
| «логическое ИЛИ» | ³ 1 или 1 |
| «n и только n» | = n |
| «нечетность» | 2 k + 1 или 2 K + 1 |
| «четность» | 2 k или 2 K |
| 42. Элемент монтажной логики: | |
| «монтажное ИЛИ» | |
| «монтажное И» | |
| 43. Элемент моностабильный, одновибратор: | |
| с перезапуском | |
| без перезапуска | |
| 44. Элемент нелогический: | * |
| стабилизатор, общее обозначение | *ST |
| стабилизатор напряжения | *STU |
| стабилизатор тока | *STI |
| 45. Наборы нелогических элементов | |
| резисторов | *R |
| конденсаторов | *C |
| индуктивностей | *L |
| диодов | *D |
| диодов с указанием полярности | |
| транзисторов | *Т |
| трансформаторов | *TR |
| индикаторов | по ГОСТ 2.764 |
| предохранителей | *FU |
| комбинированных, например, диодно-резисторных | *DR |
| 46. Элемент нестабильный, генератор: | |
| общее обозначение | |
Примечание. Если форма сигнала очевидна, допускается обозначение «G» без « ». | |
| с синхронизацией пуска | |
| с синхронизацией останова по окончанию импульса | |
| с синхронизацией пуска и останова | |
| генератор серии из прямоугольных импульсов | Gn |
| генератор с непрерывной последовательностью импульсов | GN |
| генератор линейно-изменяющихся сигналов | G/ |
| генератор синусоидального сигнала | GSIN |
| 47. Элемент пороговый, гистерезисный | |
2.2.3. Знак «*»проставляют перед обозначением функции элемента, если все его выводы являются нелогическими.
|
|
|
|
|
|
2.2.4. Допускается справа к обозначению функции добавлять технические характеристики элемента, например:
резистор сопротивлением 47 Ом - * R 47.
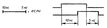
Задержку элемента указывают, как показано на черт. 5.

Черт. 5
Если эти две задержки равны, то указывают только одно значение 10 нс.
Примечания
1. Задержку, выраженную в секундах или в единицах, основанных на количестве слов или битов, можно указывать как внутри контура УГО элемента задержки, так и вне его.
2. Допускается указывать значение задержки десятичным числом:
3 или DEL3, при этом значение единицы задержки должно быть оговорено на поле схемы или в технических требованиях
3. В УГО элемента допускается опускать пробел между числовым значением и единицей измерения, например RAM16K, 10 нс, + 5 В.
2.2.5. При необходимости указать сложную функцию элемента допускается составное (комбинированное) обозначение функции.
Например, если элемент выполняет несколько функций, то обозначение его сложной функции образовано из нескольких более простых обозначений функций, при этом их последовательность определяется последовательностью функций, выполняемых элементом:
четырехразрядный счетчик с дешифратором на выходе CTR4DC;
преобразователь/усилитель двоично-десятичного кода в семисегментный код BCD / 7SEG >.
Обозначение сложной функции элемента может также быть составлено из обозначения функции и метки вывода, поясняющей это обозначение функции, при этом метка вывода стоит перед обозначением функции, например:
генератор ускоренного переноса CPG;
регистр данных DRG;
селектор (устройство селекции) SELDEV.
2.2.6. При использовании обозначений функций элементов, не установленных настоящим стандартом, их необходимо пояснять на поле схемы.
2.3. Обозначение выводов элементов
2.3.1 Выводы элементов подразделяют на несущие и не несущие логическую информацию.
Выводы, несущие логическую информацию, подразделяют на статические и динамические, а также на прямые и инверсные.
2.3.2. На прямом статическом выводе двоичная переменная имеет значение «1», если сигнал на этом выводе в активном состоянии находится в состоянии «логическая 1» (далее - LOG1) в принятом логическом соглашении.
На инверсном статическом выводе двоичная переменная имеет значение «1», если сигнал на этом выводе в активном состоянии находится в состоянии «логический 0» (далее - LOG0) в принятом логическом соглашении.
На прямом динамическом выводе двоичная переменная имеет значение «1», если сигнал на этом выводе изменяется из состояния LOG0 в состояние LOG1 в принятом логическом соглашении.
На инверсном динамическом выводе двоичная переменная имеет значение «1», если сигнал на этом выводе изменяется из состояния LOG1 в состояние LOG0 в принятом логическом соглашении.
2.3.3 Свойства выводов в соответствии с пп. 2.3.1 и 2.3.2 обозначают указателями (табл. 3)
Таблица 3
| Наименование | Обозначение | |
| Форма 1 | Форма 2 | |
| 1. Прямой статический вход | | |
| 2. Прямой статический выход | | |
| 3. Инверсный статический вход | | |
| 4. Инверсный статический выход | | |
| 5. Прямой динамический вход | | |
| 6. Инверсный динамический вход | | |
| 7. Статический вход с указателем полярности | | |
| 8. Статический выход с указателем полярности | | |
| 9. Динамический вход с указателем полярности Примечание к пп. 7 - 9. Указатели применяются в случае, когда состоянию LOG1 соответствует менее положительный уровень. | | |
| 10. Вывод, не несущий логической информации: | ||
| изображенный слева | | |
| изображенный справа | | |
Примечания:
1. Форма 1 является предпочтительной.
2. При выполнении УГО с помощью устройств вывода ЭВМ допускается выполнять:
инверсный статический вход, выход - буквой О;
прямой динамический вход - символом > или /;
инверсный динамический вход - символом < или \;
вывод, не несущий логической информации - буквой X.
2.3.4. Указатель нелогических выводов не проставляют на выводах УГО элемента, если перед обозначением его функции проставлен знак «*» нелогического элемента.
2.3.5. Функциональное назначение выводов элемента обозначают при помощи меток выводов.
Метку вывода образуют из прописных букв латинского алфавита, арабских цифр и (или) специальных знаков, записанных в одной строке без пробелов.
Количество знаков в метке не ограничивается, но по возможности должно быть минимально при сохранении однозначности понимания каждого обозначения.
Обозначения основных меток выводов элементов приведены в табл. 4.
Таблица 4
| Наименование | Обозначение |
| 1. Адрес | ADR или A |
| 2. Байт | BY |
| 3. Бит: | |
| младший | LSB |
| старший | MSB |
| 4. Блокировка: | |
| запрет | INH |
| захват | Н |
| 5. Блокировка сигнала неисправности | ALI |
| 6. Ввод (информации) | I |
| 7. Вектор | VEC |
| 8. Ветвление | ВR |
| 9. Восстановление | REC |
| 10. Вход двухпороговый, вход гистерезисный | |
| 11. Вход запроса ассоциативного запоминающего устройства | ? |
| 12. Вход обратного счета (вход уменьшения) | - n или DOWN |
| 13. Вход операнда, над которым выполняется одна или несколько математических операций | Рп |
| Примечания: 1. Параметр n заменяется десятичным эквивалентом этого бита. Если значения всех входов Рn есть степени с основанием 2, n может быть заменен двоичным порядком. | |
| 2. В случае наличия второго операнда предпочтительно обозначением его является «Q». | |
| 14. Вход прямого счета (вход увеличения) | + п или UP |
| Примечание к пп 12, 14. Параметр n следует заменить значением, на которое увеличивается или уменьшается содержимое счетчика | |
| 15. Вход, вызывающий изменение состояния на выходе элемента в дополнительное, каждый раз, когда он принимает состояние LOG1 | Т |
| 16. Входы цифрового компаратора: | |
| больше | > |
| меньше | < |
| равно | = |
| 17. Выбор (селекция) | SEL или SE |
| 18. Выбор адреса: | |
| столбца | CAS |
| строки | RAS |
| 19. Выбор кристалла, доступ к памяти | CS |
| 20. Вывод (информации) | O |
| 21. Вывод двунаправленный | < > или « |
| 22. Вывод свободный (не имеющий ни одного внутреннего соединения в элементе) | NC |
| 23. Вывод фиксированного режима (состояния) | «1» |
| 24. Выход, изменение состояния которого задерживается до тех пор, пока вызывающий это изменение сигнал не возвратится в исходный уровень | |
| 25. Выход открытый (например выход с открытым коллектором, с открытым эмиттером) | |
| 26. Выход открытый Н-типа (например открытый коллектор p-n-р транзистора, открытый эмиттер n-р-n транзистора, открытый сток Р канала, открытый исток N канала) | |
| 27. Выход открытый L-типа (например открытый коллектор n-р-n транзистора, открытый эмиттер р-n-р транзистора, открытый исток Р канала, открытый сток N канала) | |
| 28 Выход с тремя состояниями | |
| Примечание. При выполнении конструкторской документации с помощью устройства вывода ЭВМ допускается обозначение | Z |
| 29. Выход сравнения ассоциативного запоминающего устройства | ! |
| 30. Выход цифрового компаратора: | |
| больше | * > * или * > |
| меньше | * < * или * < |
| равно | * = * или * = |
| Примечание. Знак «*» должен быть заменен обозначениями операндов (п. 13) | |
| 31. Генерирование | GEN |
| 32. Готовность | RDY |
| 33. Группа выводов, объединенных внутри элемента: | |
| входов | |
| выходов | |
| 34. Группирование битов многобитового входа или выхода | |
| Примечание. n... m заменяют десятичными эквивалентами реальной значимости или двоичным порядком. Промежуточные значения между n и m могут быть опущены | |
| 35. Группирование связей: | |
| входных | |
| выходных | |
| Примечание. Обозначение используется при необходимости указания того, что для передачи одной и той же информации используется несколько выводов | |
| 36. Данные: | D |
| входные | DIN |
| выходные | DOUT |
| последовательные | |
| Примечание. Для запоминающих устройств допускаются обозначения: | |
| входная информация | D |
| выходная информация | Q |
| 37. Загрузка (разрешение параллельной записи) | LD |
| 38. Задержка | DEL |
| 39. Задержка двойная | DD |
| 40. Заем: | |
| вход, принимающий заем | BI |
| выход, выдающий заем | ВО |
| образование заема | BG |
| распространение заема | ВР |
| 41. Занято | BUSY |
| 42. Запись (команда записи) | WR |
| 43. Запрос | KEQ или RQ |
| 44. Запрос на обслуживание | SRQ |
| 45. Знак | SI |
| 46. Имитация | SIM |
| 47. Инвертирование (отрицание) | N |
| 48. Инструкция, команда | INS |
| 49. Квитирование | АК |
| 50. Код | CODE |
| 51. Коммутация (электронная) | SW |
| 52. Конец | END |
| 53. Коррекция | CORR |
| 54. «логический 0» | LOGO или LOG0 |
| 55. «логическая 1» | LOG1 |
| 56. Маска, маскирование | MK |
| 57. Маркер | MR |
| 58. Мультиплексирование | MPX |
| 59. Нечетность | ODD |
| 60. Ожидание | WAIT или WT |
| 61. Операция | OP |
| 62. Останов | STOP |
| 63. Ответ | AN |
| 64. Отказ | REJ |
| 65. Очистка | CLR |
| 66. Ошибка | ERR или ER |
| Слово ошибки | EW |
| 67. Передача | TX |
| 68. Перенос: | |
| вход, принимающий перенос | CI |
| выход, распространяющий перенос | CO |
| образование переноса | CG |
| распространение переноса | CP |
| 69. Переполнение | OF |
| 70. Подтверждение приема | ACK |
| 71. Позиция | PO |
| 72. Прерывание: | INT |
| подтверждение прерывания | INTA |
| программируемое прерывание | PCI |
| 73. Прием | RX |
| 74. Приоритет | PRI или PR |
| 75. Продолжение | GOON |
| 76. Пуск, начало | START или ST |
| 77. Работа | RUN |
| 78. Разрешение | EN |
| 79. Разрешение прохождения импульсов, работы цепи | CE |
| 80. Разрешение третьего состояния | EN или EÑ |
| Примечание. При выполнении УГО с помощью устройств вывода ЭВМ допускается обозначение | EZ |
| 81. Режим | M или МО |
| 82. Результат нулевой | RZ |
| 83. Сброс: | |
| общий | SR |
| обнуление | RES или R |
| 84. Сдвиг: | SH |
| слева направо и сверху вниз (от младшего разряда к старшему) | |
| справа налево или снизу вверх (от старшего разряда к младшему) | |
| Примечание. Параметр n следует заменить действительным значением позиций, на который происходит сдвиг. При n = 1 это значение может быть опущено. | |
| влево или вправо | |
| 85. Синхронизация | SYNC или SYN |
| 86. Состояние | SA |
| 87. Средний | ML |
| 88. Строб (сигнал выборки) | STR или ST |
| 89. Счет: | CT |
| вход, задающий содержимое элемента | CT = * |
| выход, указывающий содержимое элемента | CT * |
| Примечание. Знак «*» следует заменить на значение содержимого элемента | |
| 90. Считывание (чтение) | RD |
| 91. Такт | CL или CLK |
| 92. Управление | С |
| 93. Условие | СС |
| 94. Установка в «1» | SET или S |
| 95. Установка JK-триггера: | |
| в состояние LOG1 (J-вход) | J |
| в состояние LOG0 (К-вход) | К |
| 96. Функция | F |
| 97. Четность | EVEN |
2.3.6. Обозначение основных меток, указывающих функциональное назначение выводов, не несущих логической информации, приведены в табл. 5.
Таблица 5
| Наименование | Обозначение |
| 1. Вывод питания от источника напряжения | Vcc |
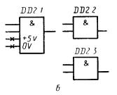
| Примечания: | |
| 1. При выполнении УГО с помощью устройств вывода ЭВМ допускается обозначение | VCC |
| 2. Допускается обозначение | U |
| 3. Номинал напряжения питания проставляется рядом с УГО над линией вывода или рядом с ней, например | |
| Допускается проставлять номинал напряжения внутри УГО вместо метки вывода, например | |
| 4. Перед меткой вывода допускается проставлять поясняющую информацию, например: | |
| порядковый номер; | 2 Vcc |
| указатель питания цифровой части элемента; | # Vcc |
| указатель питания аналоговой части | ∩ Vcc |
| 2. Общий вывод, земля, корпус | GND |
| Примечания: | |
| 1. Допускается обозначение. | OВ |
| 2. Перед меткой вывода допускается проставлять указатель общего вывода цифровой части и указатель общего вывода аналоговой части | # OV ∩ OV |
| 3. Ток | I |
| Примечания: | |
| 1. Вместо обозначения «I» можно проставлять его значение, например | 4 - 20 мА |
| 2. Перед меткой вывода допускается проставлять порядковый номер, например | 2 I |
| 4. Вывод для подключения конденсатора | СХ |
| 5. Вывод для подключения резистора | Х |
| 6. Вывод для подключения индуктивности | LX |
| 7. Вывод для подключения кварцевого резонатора | BQ |
| 8. Выводы полевого транзистора: | |
| источник | S |
| сток | D |
| затвор | G |
| 9. Выводы n-р-n и р-n-р транзистора: | |
| коллектор | К |
| база | В |
| эмиттер | Е |
| эмиттер n-р-n транзистора | |
| эмиттер р-n-р транзистора | |
2.3.7. При необходимости указать сложную функцию выводов допускается построение составной метки, образованной из основных меток, при этом рекомендуется соблюдать обратный порядок присоединения меток, например:
адрес считывания RDA;
байт данных DBY;
выбор байта BYSEL.
Для обозначения метки вывода, имеющей поочередно две функции, эти функции указывают через наклонную черту, например:
ввод-вывод I / O;
запись/чтение WR / RD;
управление/данные C / D.
Примечания:
1. Порядок следования меток определяет логический уровень разрешающего сигнала: первая функция осуществляется при LOG1, вторая - при LOG0.
2. Порядок следования меток выводов, не несущих логическую информацию, произвольный.
3. При выполнении УГО элемента, имеющего два порта приема и передачи информации: А и В, метка вывода А / В означает разрешение приема информации портом А и передачи информации портом В при логическом уровне сигнала на данном выводе, равном LOG1.
2.3.8. В качестве меток выводов допускается применять обозначения функций, приведенные в табл. 2, например:
сравнение СОМР;
результат операции вычитания Р-Q.
Допускается также составлять сложную метку вывода из обозначения функции и метки вывода, при этом рекомендуется прямой порядок их присоединения, например:
чтение из памяти RDM.
2.3.9. При изображении составной функции или метки вывода допускается выполнять ее в двух строках - друг под другом, например:
RAM; DOUT.
256´1 < >
2.3.10. Если в УГО необходимо изобразить свободный вывод (не имеющий соединений внутри элемента), то он должен иметь указатель вывода, не несущего логической информации, и иметь метку вывода «NC».
2.3.11. Выводы питания элементов приводят либо в качестве текстовой информации на свободном поле схемы, либо одним из способов, приведенных на черт. 6.
| Выводы питания в общем блоке управления ИС DD1 | Выводы питания в одном из элементов ИС DD2, изображенной разнесенным способом | Выводы питания ИС DD3 в отдельном контуре |
| | |
| Черт. 6 |
Примечание. В одном комплекте конструкторской документации допускается применять либо способы, приведенные на черт. 6 а и 6 б, либо на черт. 6 а и 6 в.
2.3.12. Нумерацию выводов элементов приводят над их линией выводов слева для входов или справа для выходов от контура УГО или указателя вывода - при его наличии.
Примечание. Допускается приводить нумерацию выводов элементов в разрыве линии вывода.
2.3.13. При использовании меток выводов, не установленных настоящим стандартом, их следует приводить в УГО в скобках и пояснять на поле схемы (черт. 7) или в нормативно-технической документации на изделие.

Черт. 7
Примечание. Допускается дополнять метку вывода, установленную настоящим стандартом, поясняющей меткой вывода, не установленной настоящим стандартом, при этом ее помещают в круглые скобки и при необходимости поясняют на поле схемы, например: EN (P / S) - разрешение параллельного или последовательного соединения триггеров внутри элемента.
2.4. Обозначение групп выводов
2.4.1. Выводы элементов подразделяют на логически равнозначные, т.е. взаимозаменяемые без изменения функции элемента, и логически неравнозначные.
2.4.2. УГО элемента выполняют без дополнительных полей или без правого или левого дополнительного поля, в следующих случаях:
все выводы логически равнозначны;
функции выводов однозначно определяются функцией элемента.
При этом расстояния между выводами должны быть одинаковы, а метки выводов не указываются.
2.4.3. При наличии логически равнозначных входов или выходов элемента они могут быть графически объединены в группу выводов, которой присваивают метку, обозначающую их функцию. Данную метку проставляют на уровне первого вывода группы (черт. 8).
| | |
| а - группа выводов объединена по И; | б - группа выводов, объединенных по ИЛИ, каждый вывод которой устанавливают в «0»; | в - группа выводов, объединенных по И, выполняющая функцию установки в «0» |
Черт. 8
Примечание. Нумерацию выводов таких групп логически равнозначных выводов допускается указывать в произвольном порядке.
2.4.4. Если несколько последовательных выводов имеют части меток, отражающие одинаковые функции, то такие выводы могут быть объединены в группу выводов, а эта часть метки выносится в групповую метку. Групповую метку располагают над группой меток, которые должны быть записаны без интервала между строками (черт. 9).

Черт. 9
2.4.5. Группы выводов разделяют интервалом в одну строку или помещают в отдельную для каждой группы зону.
2.4.6. Из нескольких групповых меток может быть выделена групповая метка более высокого порядка. Эту метку проставляют над группами выводов, к которым она относится, отделяя от них интервалом.
Группы, которые относятся к групповой метке более высокого порядка, помещают в отдельную зону (черт. 10).

Черт. 10
Примечание. Допускается опускать пробел между группами выводов, имеющих метку более высокого порядка.
2.4.7. Номера разрядов в группах выводов обозначаются числами натурального ряда, начиная с нуля. При этом метки выводов присваивают одним из способов, представленных на черт. 11.

Черт. 11
Примечание. Для выходов допускаются метки выводов, состоящие только из номеров разрядов. Обязательными являются только метки открытого выхода и выхода с тремя состояниями.
Если в группе разрядов однозначно определены весовые коэффициенты, то вместо номера разряда может быть проставлен его весовой коэффициент. Например, для двоичного счисления ряд весов имеет вид 20, 21, 22, 23,... = 1, 2, 4, 8,... Тогда информационный вход нулевого разряда будет иметь метку D1 или 1, третьего разряда - D8 или 8.
2.4.8. При необходимости пронумеровать группы и разряды внутри группы метка каждого вывода будет состоять из номера группы (первая цифра) и номера разряда в группе, отделенные друг от друга точкой, например: метка информационного входа первого разряда нулевой группы: D 0.1.
Примечание. При наличии в элементе двух информационных каналов (портов) допускается их обозначение А и В, которые выносятся в качестве групповой метки для информационных входов и (или) выходов, если это не приведет к неоднозначности понимания меток выводов.
2.4.9. Двунаправленный вывод обозначают меткой «< >» или ««», которую проставляют либо в УГО элемента - над или рядом с меткой функции (групповой меткой функции) вывода (выводов) - черт. 12 а и черт. 12 б соответственно, либо на выводах элемента (черт. 12 в). При этом метки выводов, обозначающих входную и выходную функции, проставляют через наклонную черту.
Примечание. Допускается метки входных и выходных функций вывода проставлять над и под меткой двунаправленного вывода соответственно (черт. 12 г).

Черт. 12
2.5. Взаимосвязь выводов
2.5.1. Выводы элементов подразделяют на влияющие и зависимые. Влияющий вывод воздействует на один или несколько зависимых от него выводов.
2.5.2. Для указания взаимосвязи выводов элемента используют обозначение зависимости.
Обозначение зависимости выводов осуществляется путем присваивания им меток выводов:
для влияющего вывода - буквенным обозначением зависимости в соответствии с приложением 3 и порядковым номером, проставленным после буквенного обозначения без пробела;
для каждого зависимого от данного влияющего вывода - тем же порядковым номером, проставленным без пробела перед буквенным обозначением метки вывода, присвоенной ему в соответствии с табл. 4, или вместо нее.
Если влияющий вывод воздействует на зависимый вывод своим дополнительным логическим состоянием, то над порядковым номером, проставленным перед меткой зависимого вывода, ставят черточку (черт. 13 а).
В случае, если вывод зависим от нескольких влияющих выводов, порядковый номер каждого из них должен быть указан через запятую (черт. 13 б).
Примечание. Допускается дополнять обозначение зависимости меткой, поясняющей функциональное назначение вывода, которая помещается в круглых скобках.

Черт. 13
2.5.3. Если вывод выполняет несколько функций и (или) имеет несколько влияющих воздействий, то обозначение каждой из этих функций и (или) зависимостей соответствующей меткой может быть показано либо в последующих строках, при этом каждой метке может быть поставлен в соответствие указатель (черт. 14 а), либо на одной строке через наклонную черту (черт. 14 б). Порядок меток, обозначающих несколько функций или зависимостей произволен.
Примечание. При указании нескольких меток одного вывода в последующих строках допускается линии выводов к ним не подводить.

Черт. 14
».