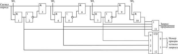
На рис. 14.3 приведена схема, обеспечивающая получение номера наиболее приоритетного запроса прерывания из присутствующих в компьютере на момент подачи сигнала опроса ("дейзи-цепочка") [7]
Данная схема используется для анализа запросов аппаратных прерываний. Приоритет запросов прерываний (ЗПi) уменьшается с уменьшением номера запроса. В тот момент, когда компьютер должен определить наличие и приоритет внешнего аппаратного прерывания (обычно после окончания выполнения каждой команды), процессор выдает сигнал опроса. Если на входе ЗП3 присутствует сигнал высокого уровня (есть запрос), то на элементе 11 формируется общий сигнал наличия запроса прерывания и дальнейшее прохождение сигнала опроса блокируется. Если ЗП3=0, то анализируется сигнал ЗП2 и так далее. На шифраторе (элемент 12) формируется номер поступившего запроса прерывания.
Этот номер передается в процессор лишь при наличии общего сигнала запроса прерывания.
Такая структура позволяет быстро анализировать наличие сигнала запроса прерывания и определять наиболее приоритетный запрос из нескольких присутствующих в данный момент. Распределение приоритетов запросов прерываний внешних устройств осуществляется путем их физической коммутации по отношению к процессору. Указание приоритетов - жесткое и не может быть программно изменено. Изменение приоритетов возможно только путем физической перекоммутации устройств.

увеличить изображение
Рис. 14.3. Схема определения номера наиболее приоритетного запроса прерывания






