Совокупность трех электрических цепей, в которых действуют синусоидальные э.д.с. одной и той же частоты, сдвинутые друг относительно друга по фазе на 120° и создаваемые общим источником электрической энергии, называются трехфазной системой.
Отдельные электрические цепи, входящие в состав трехфазной цепи, называются фазами этой цепи.
Мгновенные значения э.д.с. трехфазных обмоток симметричного генератора равны:

График изменения во времени э.д.с. отдельных фаз показаны на рис.1.

Данная система э.д.с. в комплексной форме для действующих значений записывается:

Векторная диаграмма э.д.с. трехфазного симметричного источника показана на рис.2.
Как видно из кривых (рис.1) и векторной диаграммы (рис.2), сумма э.д.с. трехфазного генератора в любой момент времени равна нулю.
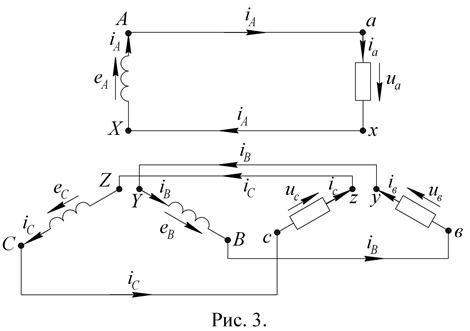
Если обмотки генератора не связаны электрически, то такая система представляет собой три самостоятельных однофазных системы (рис.3).
Режим работы отдельных фаз не оказывает влияния на режим работы других фаз. В практике такая система не применяется из экономических соображений.







