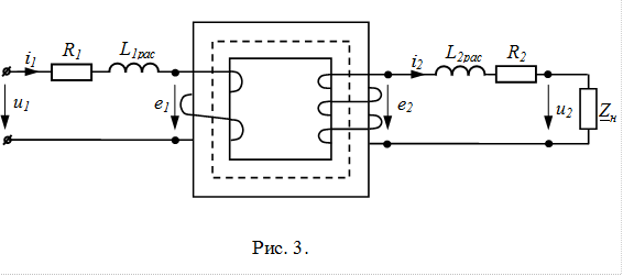
В реальных трансформаторах учитывается магнитное поле рассеяния и активное сопротивление обмоток. Принципиальная схема реального трансформатора приведена на рис. 3.

Уравнения электрического состояния реального трансформатора, составленные по второму закону Кирхгофа:
;
,
где
,
- ЭДС от потокосцепления рассеяния;
,
- падения напряжения на сопротивлениях обмоток.
Трансформаторы проектируют так, чтобы рассеяние было много меньше рабочего потока
, сопротивление обмоток тоже невелико, поэтому можно приближенно считать, что в реальном трансформаторе
.