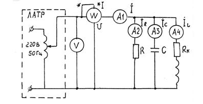
Схема экспериментальной установки для исследования электрической цепи с параллельным соединением элементов R, L, C представлена на рис.4.13.

Рис.4.13
В её состав входят ЛАТР (лабораторный автотрансформатор), на входных клеммах которого устанавливают напряжение U = 20 В.
Вольтметр V предназначен для измерения действующего значения напряжения, прикладываемого к электрической цепи. Амперметр А1 измеряет действующее значение тока в неразветвлённой части цепи, амперметры А2, А3, А4 измеряют действующие значения токов соответственно в резисторе (А2), конденсаторе (А3), катушке индуктивности (А4). В качестве резисторной нагрузки используется реостат (R1 = 300 Ом, 0,5 А), ёмкости С – магазин конденсаторов (С = 1 Мкф ÷ 20 Мкф), индуктивность L – катушка индуктивности (L = 50 мГн, RK = 30 Ом).






