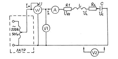
Схема экспериментальной установки для исследования электрической цепи с последовательным соединением элементов R, L, C представлена на рис.4.8.

Рис.4.8.
В её состав входят ЛАТР (лабораторный автотрансформатор), на выходных клеммах которого устанавливается напряжение U = 40 В.
Вольтметр V1 предназначен для измерения действующего значения напряжения, прикладываемого к электрической цепи; соответственно измеряет действующие значения напряжения на элементах R, L, C.
Амперметр А измеряет действующее значение тока в цепи. В качестве R1 используется реостат (Rреост = 30 Ом, 5 А), емкости С – магазин емкостей (С = 1 мкФ ÷ 20 мкФ), индуктивности L – катушка индуктивности (с параметрами L и RL, определяемыми экспериментально).






