Мгновенная мощность трёхфазного генератора равна сумме мгновенных мощностей всех трёх фаз:
(8.18)
или
(8.19)
При отсутствии нейтрального (нулевого) провода уравнение (8.18) приобретает вид:
,
так как в этом случае
, а по определению

Активная мощность Р трёхфазного генератора согласно (8.18), равна сумме активных мощностей всех трёх фаз
,
которая в соответствии с (
) приводится к виду

В симметричной системе
(8.20)
и, следовательно, независимо от схемы соединения фаз

(8.21)
Применяя (8.18) к расчёту мгновенного значения мощности в трёхфазной симметричной системе, можно убедиться, что р = Р, т.е. сумма мгновенных значений мощностей всех трёх фаз – величина постоянная.

где 



р = Р à Постоянство мощности в симметричном решении – одно из крупных достоинств трёхфазной (и вообще – многофазной) цепи. При этом трёхфазные электродвигатели и генераторы имеют благоприятные условия для работы, так как в таком решении отсутствуют пульсации момента, что наблюдается у однофазных электрических машинах.
Реактивная мощность Q трёхфазного генератора определяется как алгебраическая сумма реактивных мощностей всех фаз:
(8.22)
и, в частности, для симметричной системы независимо от схемы соединения фаз
(8.23)
Полная мощность S симметричной трёхфазной системы определяется согласно (
)
(8.24)
Коэффициент мощности λ для трёхфазной цепи вычисляется как
(8.25)
Запишем комплексную форму полной мощности
, где
- комплексная полная мощность,
- комплексное действующее значение напряжения,
- сопряжённое комплексное действующее значение тока.
(8.26)
Р – активная мощность, Q – реактивная мощность
Для трёхфазной цепи:
(8.27)
Действительная часть этого выражения представляет собой активную мощность:
(8.28)
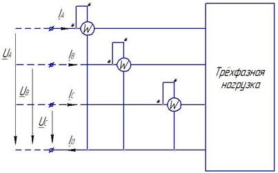
Суммарная активная мощность, потребляемая несимметричной трёхфазной цепью, может быть в соответствии с этим выражением измерена при помощи трёх ваттметров, активная мощность равна сумме показаний трёх ваттметров. Такой метод измерения применяется при наличии нейтрального провода, или искусственно создаётся нейтральный ток.

Рис.8.13.
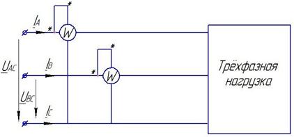
В случае отсутствия нейтрального (нулевого) провода измерение может быть произведено с помощью двух ваттметров (рис.8.14).

Рис.8.14.
В этом случае выражение (8.27) преобразуется следующим образом: искомый ток
из условия:
, получаем:
или
(8.29)
В соответствии с (8.29) при изменении активной мощности двумя ваттметрами к одному из них подводится напряжение
и ток
, к другому – напряжение
и ток
(рис.8.14.). Показания ваттметров складываются алгебраически.
Информационно-методическое обеспечение дисциплины:
- Нейман Л.Р., Демирчян К.С. Теоретические основы электротехники. Т1, Т2. - М.: Высшая школа, 1981.
- Бессонов Л.А. Теоретические основы электротехники. Т1, Т2. - М.: Высшая школа, 1984.
- Ионкин П.А. и др. Теоретические основы электротехники. Т1. - М.: Высшая школа 1981.
- Основы теории цепей /Г.В. Зевеке, П.А. Ионкин, А.В. Нетушил, С.В. Страхов/ М.: Высшая школа, 1989.
- Матханов П.Н. Основы анализа электрических цепей. Линейные цепи. – М.: Высшая школа, 1990.
- Матханов П.Н. Основы анализа электрических цепей. Нелинейные цепи. – М.: Высшая школа, 1990.
- Сборник задач и упражнений по ТОЭ под ред. П.А. Ионкина. – М.: Энергоиздат, 1982.
- Шебес М.Р. Задачник по теории линейных электрических цепей. – М.: Высшая школа, 1989.
- Задачник по ТОЭ под ред. К.М. Поливанова– М.: Энергия, 1975.
- Дмитриев Б.Ф. Общая электротехника. Линейные электрические цепи.






