

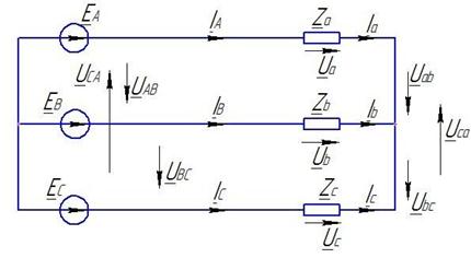
Рис.8.8.
(8.6)
т. к.
, то 


(8.7)

(8.8)
при 

.

Векторная диаграмма для равномерной нагрузки приведена на рис.8.10.
Симметричный режим работы с нулевым проводом (рис.8.9.) аналогичен работе схем без нулевого провода. Векторная диаграмма токов и напряжений имеет вид (рис.).

Рис.8.9.
Векторная диаграмма при равномерной нагрузке фаз генератора приведена на рис.8.10.

Рис.8.10.
При симметричной ЭДС генератора линейные и фазные напряжения приёмника связаны соотношением
, а линейные токи равны фазным
. При равномерной нагрузке фаз генератора нулевой провод можно устранить без изменения силы тока и напряжения приёмников.






