Наряду с измерением объемной активности Av ,0 [Бк/м3] газоаэрозольных выбросов через вентиляционные трубы АС в атмосферу измеряют и величину секундного расхода G [м3/с] воздушного потока, выходящего из венттрубы. Произведение этих величин называется мощностью выброса, является одной из важнейших характеристик уравнения переноса радиоактивной примеси в атмосфере и играет значительную роль в задачах прогнозирования радиоактивного загрязнения окружающей среды.
Р в = Av 0 G [Бк/c]. (10.1)
Если W (r) есть радиальное распределение скорости газового потока в устье венттрубы, то секундный расход находится как интеграл
, [м3/с]. (10.2)
Считая воздушный поток в венттрубе турбулентным, в качестве W (r) можно использовать известную эмпирическую зависимость J. Nikuradse вида
W (r,V*) = V *(5,75×lg[ V *(r 0- r)/n] +5,5), (10.3)
где V * - динамическая скорость, подлежащая определению; v - кинематическая вязкость; r 0 - внутренний радиус венттрубы; r - текущий радиус δ £ r £ r 0, d > 0. Таким образом, для определения секундного расхода в устье венттрубы измерение скорости газового потока необходимо проводить в течение определенного промежутка времени (в силу вихревого, стохастического характера потока) хотя бы в одной точке (отнормироваться на показание датчика). Это даст возможность определить величину динамической скорости V *, что, в свою очередь, позволит полностью найти функцию распределения W (r). К сожалению, до настоящего времени секундный расход в венттрубе находят как сумму расхода отдельных вентиляционных систем, входящих в нее, т.е. по существу мы можем иметь значения лишь верхней или нижней оценок этой величины, но не текущее ее значение, что, конечно же, является неудобной и дорогостоящей процедурой при автоматизации измерений, поскольку для этой цели требуется учет и анализ каждой вентиляционной установки в отдельности.
Выполняя интегрирование в выражении (10.2) с W (r,V*) вида (10.3), получают:
,
(см3/с). (10.4)
анализ распределения скоростей воздушного потока в венттрубе реакторов типа ВВЭР, проводимый различными авторами, показал, что в венттрубе на высоте Z < 20
(
- средний диаметр венттрубы) распределение скорости воздушного потока не стабилизировано, имеет сложный, струйный характер, но при больших значениях Z поток стабилизируется и может быть удовлетворительно описан ранее приведенной зависимостью. Таким образом, критерием аппроксимации скорости установившегося воздушного потока в венттрубе зависимостью (3.7) является условие:
Z ³ 15 ¾ 20
, (10.5)
где Z – высота измерения скорости воздушного потока как функции радиуса в венттрубе,
- ее средний диаметр. Таким образом, повышение точности измерений секундного расхода венттрубы или скорости воздушного потока в ней непосредственно будет сказываться на точности определения мощности выброса радиоактивной примеси в атмосферу и, наконец, на точности прогнозирования радиоактивного загрязнения окружающей среды.
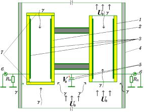
Для надежного определения скорости воздушного потока и, в конечном итоге, секундного расхода целесообразно использовать наиболее простые методы ее оценки. В качестве такового можно воспользоваться прибором, измеряющим эту величину и состоящим из проточной и непроточной ионизационных камер одинаковых габаритов, каждая из которых измеряет ионизационный ток, обусловленный ионизацией рабочего тела (воздуха) в межэлектродном промежутке. Принципиальная схема такого прибора приведена на рис.10.7.
найдем количество заряда, образующегося в проточной ионизационной камере прямоугольной геометрии и поступающего в нее из атмосферы с воздушным потоком за время D t:
,
где e – заряд электрона; U 0 – искомая скорость воздушного потока в венттрубе; L 0, L, l – ширина межэлектродного промежутка, ширина и длина электродов соответственно; q (x) – функция распределения концентрации ионов; S n = Ll.
Изменение заряда в единицу времени создает электрический ток, регистрируемый внешним устройством:
(10.6)
где S 0 = LL 0 - ширина межэлектродного промежутка, μ – подвижность ионов, Е 0 – напряженность внешнего электрического поля. Ионизационный ток в непроточной ионизационной камере находят по формуле
. (10.7)
Используя (10.7), находим:
, (10.8)
откуда находят выражение для скорости воздушного потока
(10.9)
Таким образом, по измеренным значениям ионизационных токов проточной и непроточной ионизационных камер, установленных в устье венттрубы ОИАЭ, скорость воздушного потока в точке их размещения может быть успешно определена, что дает возможность найти секундный расход. С другой стороны зависимость ионизационного тока от мощности дозы ионизирующего излучения, приведенная на рис.10.8, дает возможность по его измеренному непроточной ионизационной камерой значению iнп определить мощность дозы D ¢γ,b, по которой, в свою очередь, находят объемную активность Av ,0и, в конечном итоге, величину мощности выброса радиоактивной примеси PB. Действительно, величину
мощности дозы
, создаваемой газоаэрозольной радиоактивной примесью, равномерно заполняющей венттрубу, можно вычислить по формуле
, (10.10)
где Av 0 – объемная активность газоаэрозольной радиоактивной примеси; K γ, i – гамма-постоянная i -го радионуклида; pi – парциальный (весовой) вклад активности i –го радионуклида в общую объемную активность (параметр, определяемый по данным спектрометрических наблюдений);
- коэффициент линейного ослабления фотонного излучения в воздухе;
- дозовый фактор накопления фотонного излучения в гомогенной среде (воздухе), значение которого в венттрубе с точностью до 5% можно положить равным 1; R – расстояние от точки детектирования с координатами
до элементарного источника с текущими координатами x, y, z
; V - область интегрирования.
Проводя вычисления под знаком суммы в правой части выражения (10.10), и, используя вместо расчетного значения мощности дозы в левой части этого выражения ее измеренное значение непроточной ионизационной камерой, величину объемной активности в венттрубе найдем как отношение
. (10.11)
Датчик мощности выброса, состоящий из проточной и непроточной ионизационных камер плоскопараллельной геометрии приведен на рис. 10.9, а на рис. 10.10 приведена общая схема его размещения в венттрубе ОИАЭ совместно с гамма-спектрометром.
В качестве гамма-спектрометра целесообразно использовать ксеноновый спектрометр сверхвысокого давления, энергетическое разрешение которого составляет (2,0 ± 0,2) % по 137Cs, диапазон рабочих температур – (-30 ¸ +100)°С, а энергетический диапазон: 0,05 - 5,0 МэВ. Спектрометр обладает высокой радиационной стойкостью, температурной стабильностью спектрометрических характеристик вплоть до 180°С, а также вибростойкостью до 120 дБ. общая схема спекторметра приведена на рис. 10.11. Таким образом, если в качестве спектрометрического оборудования использовать, например, ксеноновый гамма-спектрометр, то при измерении мощности дозы Dg ¢в некоторой точке венттрубы и измеренных весовых соотношениях радионуклидов pi, нетрудно найти и парциальные значения объемной активности каждого радионуклида Avi = Av 0· pi, а также парциальное значение мощности выброса для каждого радионуклида P в i = AviG. При этом следует учесть, что время измерения мощности дозы составит не более 20 с., а при вычислении знаменателя в формуле (10.11) можно использовать заранее табулированные значения функций, что позволит получать результаты оценок радионуклидного состава газоаэрозольной радиоактивной примеси, а также мощности выброса Pв в режиме on-line.
секундный расход, для простоты, можно представить как произведение площади сечения устья венттрубы на значение измеряемой скорости воздушного потока U 0. Поэтому за относительную погрешность секундного расхода можно принять относительную погрешность измерения скорости воздушного потока U 0. Тогда относительная погрешность мощности выброса радиоактивной примеси в атмосферу Рв определится суммой трех слагаемых
, (10.12)
из которых первое и третье зависит от погрешности измерения ионизационных токов проточной и непроточной ионизационных камер, работающих в токовом режиме, а второе определяется погрешностью измерения относительного веса радионуклида в смеси g-спектрометром. Погрешность измерения ионизационных токов для каждой из ионизационных камер составит не более 10%. Погрешность измерения относительного веса pi определяется погрешностью разрешения энергии Ei и составляет от 2 до 5%, так что суммарная погрешность оценки Рв составит не более 30%.






