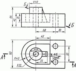
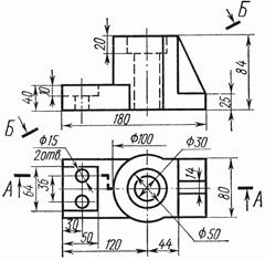
Построить по двум изображениям детали третье с «полезными» разрезами. и линии перехода. Пример выполнения дан на рисунке 3.8. Варианты задач показаны в приложении Г.
В индивидуальных заданиях линии перехода проведены не полностью, а лишь начало и конец их, и поставлены знаки вопроса. Для нахождения точек линий пересечения двух поверхностей (линии перехода) нужно выбрать наиболее рациональный способ решения. Следует по возможности подбирать такие вспомогательные поверхности – посредники (плоскости или сферы), которые пересекаются с данными поверхностями по графически простым линиям (например прямые линии, окружности).
Каким бы способом не проводились построение линий пересечения, нужно сначала найти характерные или «опорные» точки искомой кривой. К ним относятся: точки, проекции которых лежат на проекциях очерковых линий одной из поверхностей (например, на крайних образующих цилиндра или конуса, на главном меридиане и экваторе шара), отделяющие видимую часть линии пересечения от невидимой; «крайние точки» - правые и левые, наивысшие и наинизшие, ближайшие к наиболее удаленные от плоскостей проекции. Все остальные точки линии пересечения поверхностей называются промежуточными.
| Рисунок 3.8 Пример выполнения листа 6 |
Указания к решению задачи
Ознакомиться с индивидуальным заданием и примером выполнения работы
1) Вычертить тонкими линиями заданные два изображения детали;
2) Построить третье изображение детали.
3) Выполнить полезные разрезы.
4) Определить характерные или опорные точки линий перехода.
5) Нанести размерные линии и размерные числа.
6) Обвести линии карандашом, принимая толщину линии видимого контура равной 0,8-1,0мм.
7) Заполнить основную надпись
1. Государственные стандарты Единой системы конструкторской документации. -М.: Издательство стандартов, 1996.-331с
2. Боголюбов С.К. Инженерная графика: Учебник.- 3-е изд., испр. И доп.- М.:Машиностроение, 2006.- 352 с
3. Чекмарев А.А., Осипов В.К. Справочник по машиностроительному черчению.-М.: Высшая школа, 2004.- 671 с
Приложение А
| ||||||||||||||||||||||||||
|
Продолжение приложения А
| ||||||||||||||||||||||||||||||
|
Приложение Б
1,12,22 | 2,14,20 |
3,16,21 | 4,18,25 |
6,13 | 5,11,24 |
Продолжение приложения Б
7,15 | 8,17,27 |
9,19,23 | 10,25 |
Приложение В
1,13,22 | 3,17,26 |
2,15,24 | 4,19,27 |
Продолжение приложения В
5,18,25 | 6,16,23 |
8,12 | 7,14 |
Продолжение приложение В
10,11,21 | 9,20 |
Приложение Г
| |||
|
Продолжение приложения Г
| |||
|
Продолжение приложения Г
| |||
|
Продолжение приложение Г
| |||
|






