в R LС - цепи постоянного тока
Цель работы: изучение характера и количественных показателей колебательного и апериодического переходных процессов в последовательной RLC -цепи.
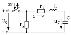
Схема исследуемой цепи и параметры её элементов.
U 0 = 5 B
r 1 = 75 Ом, r 2 = 510 Ом,
L = 100 мГн, С = 2 мкФ.
------------------------------------------------------------------------
i (t), u c(t) -?
* В домашней подготовке к работе для исследования заряда кон-денсатора (колебательный процесс) выполнен расчёт критического сопротивления R кр цепи и получены выражения тока и напряжения конденсатора в переходном процессе:
R кр = 2
= 447.2 Ом; r 1 = 75 Ом < R кр.
В,
мА.
Основные характеристики колебательного процесса (частота ω 0 и коэффициент затухания δ колебаний) внесены в табл.1.
Таблица 1
| № | Исследуемые показатели процесса | Расчёт | Эксперимент |
| Заряд конденсатора | |||
| 1. | Критическое сопротивление цепи:
, Ом
| 447.2 Ом | |
| 2. | Коэффициент затухания колебаний
, с-1
| 375 1/с | |
| 3. | Частота свободных колебаний
, 1/с
| 2204.4 1/с | |
| 4. | Период колебаний Т 0 = 2π/ω0, сек | 2.85 мс | |
| 5. | Практическая длительность ПП,
, с
| 10.7 мс |
* Апериодический процесс. При размыкании ключа в цепи рабо-тают оба резистора: r 1+ r 2 =75+510 = 585 Ом, что больше R кр = 447,2 Ом.
|
|
|
По выражениям, приведенным в методуказаниях, рассчитаны ток и напряжение на конденсаторе при разряде:
u c(t) =
В,
i (t) = -
мА.
τ 1 = 0.962 мс, τ 2 = 0.208 мс, t пп = 3.85 мс.
Исследуемые показатели переходного процесса занесены в табл.1.
Продолжение таблицы 1.
| № | Исследуемые показатели ПП | Расчёт | Эксперимент |
| Разряд конденсатора | |||
| 1. | Корни характеристического уравнения цепи, 1/с | р 1 = -1040 1/с р 2 = -4810 1/с | |
| 2. | Постоянные времени цепи, миллисекунды | τ 1 = 0.962мс τ 2 = 0.208 мс | |
| 3. | Практическое время ПП t пп = 4 τ1, мс | 3.85 мс | |
| 4. | Максимальный ток разряда iмакс, мА | - 6.81 мА |
Расчётные графики тока и напряжения i (t), u c (t) при заряде и разряде конденсатора представлены на рисунках ниже.
В ходе выполнения работы в лаборатории с помощью осцилло-графа отрегулирована величина питающего напряжения U 0 = 5 В.
Для проверки фактической величины критического сопротивления цепи R кр заменяем резистор r 1 переменным резистором R 4 стенда. Из-меняя сопротивление резистора R 4, находим, что при R 4 = 450 Ом переходный процесс является граничными между колебательным и апе-риодическим процессом. Это означает, что фактическое критическое сопротивление исследуемой цепи (с учётом R кат = 10 Ом) составляет:
R кр = R 4 + R кат = 450 + 10 = 460 Ом.
--------------------- ● --------------------
Расчётные графики тока i (t) и напряжения на конденсаторе u c(t).
Рис. 1.
Рис. 2.
Восстановив исходные параметры схемы, с помощью осциллогра-фа наблюдаем графики uc(t), i(t). Для сравнения на расчётные кривые целесообразно перенести лишь несколько характерных точек. Частота развёртки изображения на экране должна быть f = 50 Гц, период Т = 20 мс, 1дел = 2 мс.
|
|
|
По осциллограммам, полученным в экспериментах, определяем ос-новные характеристики колебательного (δ, ω св.) и апериодического
(τ 1) процессов и заносим их в таблицу 1.
ω св =
, рад/с δ =
, 1/с τ1 ≈ 0,368 f (0II).
--------------------- ● --------------------
* Дополнение: о влиянии величины индуктивности или ёмкости.
В лабораторной работе, по существу, влияние на вид переходного процесса осуществлялось изменением R - сопротивления цепи.
Если же в исследуемой цепи с параметрами: r 1 = 75 Ом, r 2 = 510 Ом, L = 100 мГн, С = 2 мкФ увеличить индуктивность до 200 мГн, то:
R ‛ кр = 2
+ R кат = 632.4+10 = 642.4 Ом, r 1+ r 2= 585 Ом < R ‛ кр.
Это значит, что процесс будет колебательным не только при заря-де, но и при разряде конденсатора.
Увеличение или уменьшение ёмкости С в два раза оказывает вли-яние, обратное влиянию индуктивности.
---------------------- ♦ ----------------------
, Ом
, с-1
, 1/с
, с






