--------------------------------------------------------------------------------------------------------
1. Что отражает критическое сопротивление R кр в последовательной RLС - цепи и можно ли говорить о критической индуктивности L кр или критической ёмкости С кр цепи?
2. Каким образом можно определить характер процесса в развет-влённой RLС - цепи? Справедливо ли соотношение R кр = 2
?
3. Поясните нахождение ω, δ, τ 1 и τ 2 по экспериментально получен-ной осциллограмме. Почему трудно найти постоянную времени τ 2?
4. Как определяется практическая длительность колебательного и апериодического процессов?
5. Пользуясь выражением тока i (t), полученным в домашнем расчёте, рассчитайте и постройте график напряжения uL(t).
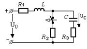
6. Для схемы цепи, представленной на рисунке, при U 0 = 5 B заданы
три варианта параметров.
| Вари- ант | R 1, Ом | R 2, Ом | R 3 , Ом | L, мГн | С, мкФ | Опр- -ить |
| 0,5 | uL(t) | |||||
| 0,54 | i (t) | |||||
| 12,5 | uC(t) |
Необходимо определить критическое сопротивление R кр, рассчитать и построить один из графиков: i (t), uL(t), uC(t) /по указанию преподавателя/.
|
|
|
-------------- АВХ. 3 октября 2014г. ------------------
* Заключение. При выполнении лабораторной работы установлено, что фактически критическое сопротивление исследуемой RLС цепи равно 460 Ом. Получены осциллограммы тока и напряжения на кон-денсаторе, по которым найдены основные характеристики колебате-льного (δ, ω св.) и апериодического (τ 1) процессов - таблица 1.
… Учитесь, друзья, учитесь …
Это всегда полезно!
------------------------- ♦ ---------------------------






