Команда позволяет проставить группу линейных размеров от общей базы.
Для построения размера следует выполнить следующее.
1. Нажать кнопку линейный от общей базы на инструментальной панели размеры (рис. 1.1).
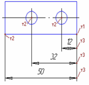
2. Указать первую точку привязки т1. Она будет общей для группы создаваемых размеров (рис. 1.7).

Рис. 1.7. Линейный размер от общей базы
3. Указать вторую точку привязки т2 для первого размера группы.
4. Указать точку, определяющую положение размерной линии т3.
5. Последовательно указать точки т2 и т3 для остальных размеров группы.
Группа размеров, построенная с помощью команды линейный от общей базы, не является единым объектом – это несколько простых линейных размеров, первые точки привязки которых совпадают. Поэтому, если у всех размеров группы должны быть одинаковые параметры (например, расположенные на полке надписи или стрелки определенного типа), необходимо после настройки первого размера включить опцию по умолчанию на вкладке параметры.
Для перехода к простановке группы размеров от другой базы необходимо расфиксировать (нажать) первую базовую точку (поле т1 на вкладке размер (рис. 1.8) и указать ее новое положение.

Рис. 1.8. Вкладка размер






