ЛАБОРАТОРНАЯ РАБОТА № 7
ТЕМА «Составление и исследование схем электромагнитного пускателя»
Цель: Изучить назначение, конструкцию и исследовать работу магнитного пускателя.
Оборудование и аппаратура
| № | Наименование | Количество |
| 1. | Амперметр переменного тока | |
| 2. | Вольтметр переменного тока | |
| 3. | Стенд лабораторной установки магнитного пускателя | |
| 4. | Источник трехфазного переменного тока с нулевым проводом | |
| 5. | Трехфазный асинхронный двигатель | |
| 6. | Мультиметр универсальный | |
| 7. | Провода соединительные |
Краткие теоретические сведения
| Пускатель – это коммутационный аппарат, предназначенный для управления и защиты электродвигателей переменного тока. Магнитный пускатель состоит из трехполюсного магнитного контактора, вспомогательных контактов, а также тепловых реле для защиты электродвигателей от длительной перегрузки. |
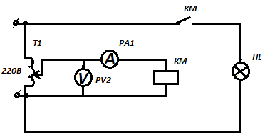
Рис. 1 Схема электрическая исследования электромагнитного пускателя.
|
Программа работы
|
|
|
1. Ознакомиться с приборами и записать их технические данные: класс точности, предел измерений. Рассчитать абсолютную погрешность измерений по формуле:
.
2. Изучить схему включения магнитного пускателя (Рис. 1).
3. Ознакомиться с техническими характеристиками магнитного пускателя: номинальный ток, номинальное напряжение, номинальная мощность
4. Собрать цепь согласно схеме на рисунке 1.
5. Произвести включение напряжения на стенд вводным автоматическим выключателем.
6. Определить напряжение срабатывания
и возврата
магнитного пускателя.
7. Определить ток при невтянутом якоре
и ток при втянутом якоре
.
8. Результаты занести в таблицу 1.
Рис. 1 Схема электрическая исследования электромагнитного пускателя.






