Снятие характеристик трехфазного синхронного генератора
Цель работы: ознакомление со способами снятия характеристик холостого хода, внешней, регулировочной и их анализ, приобретение навыков по управлению работой синхронного генератора
Оборудование:
1) Синхронный генератор - 1 шт.
2) Асинхронный двигатель – 1 шт.
3) Нагрузочный реостат Rнагр – 1 шт.
4) Амперметры - 2 шт.
5) Вольтметры - 2 шт.
6) Автоматический выключатель - 1 шт.
7) Автотрансформатор с выпрямителем – 1 шт.
Порядок выполнения работы
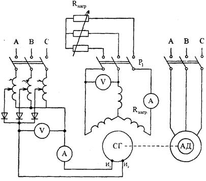
1) Собрать электрические цепи для испытания синхронного генератора (СГ) и двигателя (АД) в соответствии с рис.1

Рисунок 1 – Схема синхронного генератора
2) Снять характеристику холостого хода, представляющую зависимость U= f (Iв) при условии n – пост., Iн = 0. Для чего: пустить двигатель при разомкнутой цепи возбуждения синхронного генератора (СГ); ток возбуждения синхронного генератора увеличивать от нуля до значения, при котором ЭДС якоря достигнет значения U = 1,2 Uн, после этого тока возбуждения уменьшить до нуля. Для восходящей и нисходящей ветвей характеристики снять по 5 показаний приборов и записать их в таблицу 1.
|
|
|
3) Снять внешнюю характеристику, представляющую зависимость U= f (Iн), при условии n – пост., cosφ – пост. Для чего: установить на зажимах генератора ЭДС, равную номинальному напряжению, с частотой f равной f ном при выключенном рубильнике Р1. Включить рубильник Р1 и увеличивать ток нагрузки от 0 до 1,25 Iн, снять 5 показаний приборов и записать в таблицу 2.
4) Снять регулировочную характеристику, представляющую зависимость I = f (Iнагр) при условии n=пост., U=пост, cosφ =nocт. Для чего: при разомкнутом рубильнике P1 установить на зажимах испытуемого генератора ЭДС, равную номинальному значению напряжения; увеличивать ток нагрузки от 0 до 1,25 IН, поддерживая постоянным напряжение на зажимах генератора U=Uн, изменяя ток возбуждения. Снять 5 показаний и записать их в таблицу 3.
5) По данным таблицы 1 построить характеристику Е= f (Iв) при n – пост., которая должна иметь вид, показанный на рисунке 2.
6) По данным таблицы 2 построить внешнюю характеристику U= f (Iн), при условии n – пост., cosφ – пост., которая должна иметь вид, показанный на рисунке 2.
7) По данным таблицы 3 построить регулировочную характеристику I = f (Iнагр) при условии n=пост., U=пост, cosφ =nocт., которая должна иметь вид, показанный на рисунке 2.

Рисунок 2 – Вид характеристик
Отчет:
Паспортные данные ____________________________________________________


Вывод: ________________________________________________________________
_______________________________________________________________________
_______________________________________________________________________
_______________________________________________________________________
|
|
|
_______________________________________________________________________
_______________________________________________________________________
_______________________________________________________________________
_______________________________________________________________________
_______________________________________________________________________
_____________________________________________________________________






