
Давление муфты на вал:
,
где
- окружная сила муфты.
,
где
- вращающий момент на быстроходном валу,
.
,

Принимают
.
Из ранее полученных расчетов:






Из первого этапа компоновки редуктора:
,
,

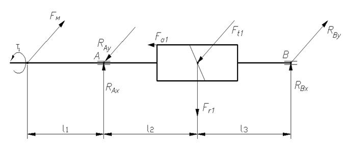
Определяют реакции опор.
Плоскость XOZ:

,


,

Проверка:

,

Плоскость YOZ:

,


,

Проверка:

,

Определяют величину изгибающих моментов и строят эпюры.
Плоскость XOZ:
,
,
,

Плоскость YOZ:
,
,
,

Крутящий момент:

Определяют суммарные изгибающие моменты и строят эпюры:
,
,
,



Рис. 1.10 Эпюры моментов быстроходного вала.
Определяют приведенные моменты и строят эпюры:
,
,
,
,

Определяют диаметры валов в опасном сечении по теории прочности:
,
где
, принимают
.

Поскольку
, то условие прочности выполняется.






