d = 0.3 + 0.1 + 0.1 + 1.6 = 2.1 м.
| 3.2. Определение размеров подошвы центрально нагруженных фундаментов. 3.2.1. Сечение 5 – 5. | |||
| g = 20 g = 18.5 g = 20.2 g = 18.5 |
Предварительная площадь подошвы
фундамента:
A = где
NOII – нормативная вертикальная
нагрузка от сооружения, приложенная к
обрезу фундамента, определяемая как
сумма постоянной и временной нагрузок,
КН;
RO – условное расчётное сопротив -
ление несущего слоя грунта основания,
кПа;
d – глубина заложения фундамента, м;
| ||
gср – среднее значение удельного веса материала фундамента и грунта на его уступах, принимаемое обычно равным 20 кН/м3.
NoII =7*(102+18)=840 кН
d = 1.6 + 0.1 + 1.5 = 3.2 м.
A = = = 4.56 м2
К расчёту принимается фундамент типа:
Ф6.2.1.1. с А = 5.67 м2, b = 2.1 м, Vф = 3.4 м3, Nф = 85 кН.
Расчётное сопротивление грунта основания под подошвой фундамента:
R = *[Mn*KZ*b*gII + Mq*d1* + (Mq-1)*dB* + MC*CII] где
γc1, γ c2 – коэффициенты условий работы, принимаемые по табл.3 [2];
k – коэффициент, принимаемый в курсовом проекте равным 1.1, т.к. прочностные
характеристики грунта (φ и С) приняты по таблицам СНиПа [2];
M n, Mq, Mc – коэффициенты, принимаемые по табл.4 [2] в зависимости от угла внутреннего трения (φ) грунта;
kz – коэффициент, принимаемый равным при b< 10м kz =1;
b – ширина подошвы фундамента, м;
γII - осреднённое расчётное значение удельного веса грунтов, залегающих ниже
подошвы фундамента на всю глубину разведанной толщи грунтов (при наличии
подземных вод определяются с учётом взвешивающего действия воды – γsb, кН/м3,
определяемый по формуле:
| |||
| Лист | |||
gII = где
γi и hi – соответственно удельный вес и толщина i-го слоя грунта, залегающего ниже подошвы;
– то же для грунтов, залегающих выше подошвы фундамента.
Для грунтов обратной засыпки = 0.95* ,
где – осреднённое значение удельного веса грунтов ненарушенного сложения,
залегающих выше подошвы фундамента;
CII – расчётное значение удельного сцепления грунта, залегающего непосредственно под подошвой фундамента, кПа;
d1 – глубина заложения фундаментов бесподвальных сооружений от уровня
планировки или приведённая глубина заложения для наружных и внутренних
фундаментов от пола подвала, определяемая по формуле:
d1 = hS + hcf*
где hS – толщина слоя грунта выше подошвы фундамента со стороны подвала, м;
hcf - толщина конструкции пола подвала (в курсовом проекте принимается
равной 0.1 м);
γcf - расчётное значение удельного веса конструкции пола подвала (принимается равным 22 кН/м3);
db - глубина подвала – расстояние от уровня планировки до пола подвала, м (для сооружений с подвалом шириной B<20 м и глубиной свыше 2 м принимается
db = 2 м, при ширине подвала B>20 м db = 0).
γc1 = 1.25; γ c2 = 1.1; k = 1.1; Mn =0.72; kz =1; Mq = 3.87; Mc = 6.45; CII = 13 кПа;
γw=10 кН/м3; hS = 1.5 м; db =2 м;
Удельный вес водопроницаемых грунтов, к которым можно отнести все пески,
супеси, суглинки, залегающие ниже уровня подземных вод, но выше водоупора –
глины, вычисляется с учётом взвешивающего действия воды γsb.
gSb = ,
где γs , γw – удельный вес частиц грунта и воды соответственно;
e – коэффициент пористости.
gsb2 = = = 10.31 kH/м3,
gsb3 = = = 9.19 kH/м3,
gII = = 12.69 kH/м3
gIIo = 0.95*18.5 = 17.575 кН/м3
d1 = 1.5 + 0.1* = 1.641 м
| |||
| Лист | |||
R = + 6.45*13] = 394.41 кПа По вычисленному расчётному сопротивлению грунта уточняются размеры фундамента из условия: A = A = К расчёту принимается фундамент типа: Ф2.1.1.1. с А = 2.70 м2, b = 1.5 м, Vф = 1.8 м3, Nф = 45 кН. R = + 6.45*13] = 387.56 кПа A = К окончательному расчёту принимается фундамент типа Ф2.1.1.1. со следующими параметрами: А = 2.70 м2, b = 1.5 м, Vф = 1.8 м3, Nф = 45 кН. a1=1.8 м; an=0.9 м; b1=1.5 м; bn=0.9м; Hф=1.5м Определение размеров центрально нагруженных фундаментов считается законченным, если выполняется условие: PII < R, где PII – среднее давление под подошвой фундамента, кПа, определяемое по формуле: PII = где NII– суммарная вертикальная нагрузка на основание, кН, включая вес фундамента NфII и грунта на его уступах NгрII: NII = NoII + NфII + NгрII А – площадь подошвы проектируемого фундамента, м2 V = d*A – Vф = 3.2*2.7 – 1.8 = 6.84 м3 NгрII = V* NII= 840 + 45 + 120.213 = 1005.213 кН PII = PII = 372.3 кПа < R = 387.56 кПа Условие выполняется Найденная величина PII должна не только удовлетворять условию, но и быть по возможности близка к значению расчётного сопротивления грунта (допустимое отличие от расчётного сопротивления должно быть не более 10% в меньшую сторону). D = | |||||||
| Лист | |||||||
| 3.2.2. Сечение 2 – 2. | |||
| g = 20 g = 18.5 g = 20.2 g = 18.5 |
Предварительная площадь подошвы
фундамента:
A = где
NOII – нормативная вертикальная
нагрузка от сооружения, приложенная к
обрезу фундамента, определяемая как
сумма постоянной и временной нагрузок,
КН;
RO – условное расчётное сопротив -
ление несущего слоя грунта основания,
кПа;
d – глубина заложения фундамента, м;
| ||
gср – среднее значение удельного веса материала фундамента и грунта на его уступах, принимаемое обычно равным 20 кН/м3.
NoII = 7*(93+16) = 763 кН
d = 0.15 + 1.5 = 1.65 м.
A = = = 3.55 м2
К расчёту принимается фундамент типа:
Ф4.1.1.1. с А = 3.78 м2, b = 1.8 м, Vф = 2.1 м3, Nф = 52.5 кН.
Расчётное сопротивление грунта основания под подошвой фундамента:
R = *[Mn*KZ*b*gII + Mq*d1* + (Mq-1)*dB* + MC*CII] где
γc1, γ c2 – коэффициенты условий работы, принимаемые по табл.3 [2];
k – коэффициент, принимаемый в курсовом проекте равным 1.1, т.к. прочностные
характеристики грунта (φ и С) приняты по таблицам СНиПа [2];
M n, Mq, Mc – коэффициенты, принимаемые по табл.4 [2] в зависимости от угла внутреннего трения (φ) грунта;
kz – коэффициент, принимаемый равным при b< 10м kz =1;
b – ширина подошвы фундамента, м;
γII - осреднённое расчётное значение удельного веса грунтов, залегающих ниже
подошвы фундамента на всю глубину разведанной толщи грунтов (при наличии
подземных вод определяются с учётом взвешивающего действия воды – γsb, кН/м3,
определяемый по формуле:
| |||
| Лист | |||
gII = где
γi и hi – соответственно удельный вес и толщина i-го слоя грунта, залегающего ниже подошвы;
– то же для грунтов, залегающих выше подошвы фундамента.
Для грунтов обратной засыпки = 0.95* ,
где – осреднённое значение удельного веса грунтов ненарушенного сложения,
залегающих выше подошвы фундамента;
CII – расчётное значение удельного сцепления грунта, залегающего непосредственно под подошвой фундамента, кПа;
d1 – глубина заложения фундаментов бесподвальных сооружений от уровня
планировки или приведённая глубина заложения для наружных и внутренних
фундаментов от пола подвала, определяемая по формуле:
d1 = hS + hcf*
где hS – толщина слоя грунта выше подошвы фундамента со стороны подвала, м;
hcf - толщина конструкции пола подвала (в курсовом проекте принимается
равной 0.1 м);
γcf - расчётное значение удельного веса конструкции пола подвала (принимается равным 22 кН/м3);
db - глубина подвала – расстояние от уровня планировки до пола подвала, м (для сооружений с подвалом шириной B<20 м и глубиной свыше 2 м принимается
db = 2 м, при ширине подвала B>20 м db = 0).
γc1 = 1.25; γ c2 = 1.1; k = 1.1; Mn =0.72; kz =1; Mq = 3.87; Mc = 6.45; CII = 13 кПа;
γw=10 кН/м3; db = 0 м;
Удельный вес водопроницаемых грунтов, к которым можно отнести все пески,
супеси, суглинки, залегающие ниже уровня подземных вод, но выше водоупора –
глины, вычисляется с учётом взвешивающего действия воды γsb.
gSb = ,
где γs , γw – удельный вес частиц грунта и воды соответственно;
e – коэффициент пористости.
gsb2 = = = 10.31 kH/м3,
gsb3 = = = 9.19 kH/м3,
gII = = 13.4 kH/м3
gIIo = 0.95*18.5 = 17.575 кН/м3
d1 = 1.65 м
| ||
| Лист | ||
R = + 6.45*13] = 268.8 кПа По вычисленному расчётному сопротивлению грунта уточняются размеры фундамента из условия: A = A = К расчёту принимается фундамент типа: Ф3.1.1.1. с А = 3.24 м2, b = 1.8 м, Vф = 1.9 м3, Nф = 47.5 кН. R = + 6.45*13] = 268.8 кПа A = К окончательному расчёту принимается фундамент типа Ф3.1.1.1. со следующими параметрами: А = 3.24 м2, b = 1.8 м, Vф = 1.9 м3, Nф = 47.5 кН. a1=1.8 м; an=0.9 м; b1=1.8 м; bn=0.9м; Hф=1.5м Определение размеров центрально нагруженных фундаментов считается законченным, если выполняется условие: PII < R, где PII – среднее давление под подошвой фундамента, кПа, определяемое по формуле: PII = где NII– суммарная вертикальная нагрузка на основание, кН, включая вес фундамента NфII и грунта на его уступах NгрII:
NII = NoII + NфII + NгрII А – площадь подошвы проектируемого фундамента, м2 V = d*A – Vф = 1.65*3.24 – 1.9 = 3.446 м3 NгрII = V* NII= 763 + 47.5 + 60.56 = 871.06 кН PII = PII = 268.6 кПа < R = 268.8 кПа Условие выполняется Найденная величина PII должна не только удовлетворять условию, но и быть по возможности близка к значению расчётного сопротивления грунта (допустимое отличие от расчётного сопротивления должно быть не более 10% в меньшую сторону). D = | |||||||
| Лист | |||||||
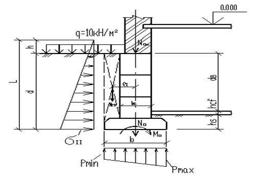
| 3.3. Расчёт внецентренно нагруженных фундаментов при наличии подвала. При наличии подвала фундамент наружных стен воспринимает давление от обратной засыпки грунта. Его определяют по формулам активного давления на подпорные стенки с учётом сцепления. Однако при малой высоте этих стенок (до 4-х м) и выполнении обратной засыпки за пазухи фундамента грунтом нарушенной структуры ограничиваются обычно приближённым расчётом. При вычислении давления грунта на подпорную стенку учитывают временную нагрузку на поверхности грунта q=10 кН/м2. Размеры подошвы определяют так же, как для центрально нагруженного фундамента. Расчёт производится для сечения 3 – 3. | |||
| g = 20 g = 18.5 g = 20.2 g = 18.5 |
Предварительная площадь подошвы фундамента:
NoII = 7*(35+4) = 273 кН
d = 0.3 + 0.1 + 0.1 + 1.6 = 2.1 м.
A = = =
= 1.325 м2
К расчёту принимается фундамент типа:
ФЛ14.24.
| ||
γc1 = 1.25; γ c2 = 1.1; k = 1.1; Mn =0.72; kz =1; Mq = 3.87; Mc = 6.45; CII = 13 кПа;
γw=10 кН/м3; db = 2 м; hS=0.4 м;
Удельный вес водопроницаемых грунтов, к которым можно отнести все пески,
супеси, суглинки, залегающие ниже уровня подземных вод, но выше водоупора –
глины, вычисляется с учётом взвешивающего действия воды γsb.
gsb2 = = = 10.31 kH/м3,
gsb3 = = = 9.19 kH/м3,
gII = = 13.207 kH/м3
gIIo = 0.95*18.5 = 17.575 кН/м3
d1 = 0.4 + 0.1* = 0.525 м
| |||
| Лист | |||
Ра счётное сопротивление грунта основания под подошвой фундамента: R = + 6.45*13] = 292.19 кПа По вычисленному расчётному сопротивлению грунта уточняются размеры фундамента: A = A = При проектировании ленточного сборного фундамента требуемая ширина b м, плиты назначается из условия, что расчёт такого фундамента ведётся на 1 м его длины и принимается b = A A = b, к расчёту принимается фундамент типа: ФЛ12.24 Уточняются размеры фундамента: R = + 6.45*13] = 289.81 кПа A = A = К окончательному расчёту принимается фундамент типа ФЛ12.24. со следующими параметрами: N = 17.6 кН, V = 0.703 м3 И 3 стеновых блока ФБП24.6.6-Т N = 14 кН, V = 0.58 м3 b = 1200 мм, l = 2380 мм, h = 300 мм b = 600 мм, l = 2380 мм, h = 580 мм. Вес фундамента на 1м: ФЛ12.24 N = 7.33 кН, V = 0293 м3 ФБП24.6.6-Т N = 5.83 кН, V = 0.24 м3 | |||
| Лист | |||
Определение размеров центрально нагруженных фундаментов считается законченным, если выполняется условие: PII < R, Vф = 0.293 + 3*0.24 = 1.013 м3 V = d*A – Vф = 2.1*1.2 – 1.013=1.507 м3 NгрII = NФII = 7.33 + 3*5.83 =24.82 кН NII = 273 + 26.48 + 24.82 = 324.3 кН. PII = PII = 270.25 кПа < R = 289.81 кПа Условие выполняется Найденная величина PII должна не только удовлетворять условию, но и быть по возможности близка к значению расчётного сопротивления грунта (допустимое отличие от расчётного сопротивления должно быть не более 10% в меньшую сторону). D = Расчётная схема ленточного фундамента под стену при наличии подвала. Активное давление грунта σII , кПа, на подпорную стенку у подошвы фундамента вычисляют по формуле: sII = при этом L = d + hпр – высота подпорной стенки с учётом приведённой высоты слоя грунта, hпр, м; | |||
| Лист | |||
hпр = ,
где - расчётный удельный вес грунта обратной засыпки, кН/м3;
φII ср – угол внутреннего трения грунта обратной засыпки, в практических расчётах принимаемый равным 20˚.
Приведённая высота слоя грунта:
hпр. = = 0.569 м.
Высота подпорной стенки:
L = 2.1 + 0.569 = 2.669 м.
sII = 17.575*2.669*tg2(45o - ) = 23 кПа.
Составляющие усилий, действующих в уровне подошвы фундамента:
- суммарная равнодействующая нагрузка:
NII = NoII + Nф + NгрII,
- момент от равнодействующей активного давления грунта с учётом нагрузки
грунта на уступах фундамента:
MII = - Nгр*eI,
где eI - эксцентриситет действующей нагрузки от грунта, лежащего на уступах
фундамента, относительно его центра тяжести.
NII = 273 + 24.82 + 26.48 = 324.3 кН.
eI = 0.15 + 0.3 = 0.45 м.
MII = - 26.48*0.45 = - 0.993 кНм,
Эксцентриситет е, м, равнодействующей суммарной вертикальной нагрузки
относительно центра подошвы фундамента определяется по формуле:
e = = = - 0.003 м.
Максимальное и минимальное давление под краем фундамента при действии
момента сил относительно только одной из главных осей инерции площади
подошвы фундамента определяются из выражения:
Pmax = (1 + ),
Pmin = (1 - ),
где NII – суммарная вертикальная нагрузка на основание, кН;
А – площадь подошвы проектируемого фундамента, м2;
е – эксцентриситет равнодействующей вертикальной нагрузки относительно
центра подошвы фундамента, м;
l – большая сторона подошвы фундамента.
Pmax = (1 + ) = 266.2 кПа,
Pmin = (1 - ) = 274.3 кПа,
| ||
| Лист | ||
Для внецентренно нагруженного фундамента должны выполняться следующие
условия:
для среднего давления PII:
PII < R;
для максимального краевого давления при эксцентриситете относительно
одной главной оси инерции подошвы фундамента:
PII max < 1.2 R;
для минимального краевого давления:
Pmin > 0.
При выполнении этих условий расчёт внецентренно нагруженного фундамента
считается законченным.
Если хотя бы одно условие не выполняется, то необходимо увеличить размеры
подошвы фундамента.
PII = 270.25 кПа < R = 289.81 кПа Условие выполняется.
PII max = 266.2 кПа < 1.2*R = 1.2*289.81 = 347.772 кПа Условие выполняется.
PIImin = 274.3 кПа > 0 Условие выполняется.
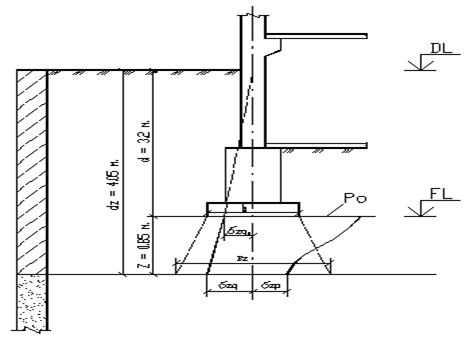
3.4. Проверка прочности подстилающего слоя.
При наличии под несущим слоем на глубине Z слоя грунта меньшей прочности,
чем прочность грунта несущего слоя, размеры фундамента должны назначаться
такими, чтобы полное давление на кровлю подстилающего слоя не превышало его
расчётного сопротивления, т.е. обеспечивалось бы условие:
σzp + σzq < Rz ,
где σzp – дополнительное вертикальное напряжение на глубине z от подошвы
фундамента от нагрузки на основание под подошвой фундамента, определяемое по
формуле:
σzp = α * Pо,
где α – коэффициент рассеивания напряжений с глубиной, принимаемый в
зависимости от формы подошвы фундамента, соотношения сторон прямоугольного
фундамента и относительной глубины ζ:
α =f (ζ = 2z/b, η = l/b),
здесь l – длина; b – ширина подошвы фундамента.
Pо – дополнительное вертикальное давление на основание, определяемое как
разность между средним давлением под подошвой фундамента Р и напряжением от
собственного веса грунта на уровне подошвы фундамента σzqо .
σzq – вертикальное напряжение от собственного веса грунта на глубине Z от
подошвы фундамента, определяемое по формуле:
σzqi = Σ γi * hi,
где γi и h i - соответственно удельный вес и толщина i-го слоя грунта.
Rz – расчётное сопротивление грунта на глубине кровли слабого подстилающего
слоя.
Площадь подошвы условного фундамента Az, м2, определяется по формуле:
Az =
| ||
| Лист | ||
где NII = NоII + NФII + NГРII - суммарная вертикальная нагрузка на основание. Ширина подошвы условного фундамента bz, м, определяется из условия: - для ленточного фундамента bz = Az/ l - для прямоугольного фундамента bz = где l и b – соответственно длина и ширина подошвы проектируемого фундамента. Проверяется выполнение условия: σzp + σzq < Rz Выполнение данного условия свидетельствует о том, что в слое слабого подстилающего слоя не будут развиваться пластические деформации. Если условие не выполняется, то необходимо увеличить размеры подошвы проектируемого фундамента, при которых условие будет удовлетворяться.
Сейчас читают про:
|
где
NOII – нормативная вертикальная
нагрузка от сооружения, приложенная к
обрезу фундамента, определяемая как
сумма постоянной и временной нагрузок,
КН;
RO – условное расчётное сопротив -
ление несущего слоя грунта основания,
кПа;
d – глубина заложения фундамента, м;
= 4.56 м2
К расчёту принимается фундамент типа:
Ф6.2.1.1. с А = 5.67 м2, b = 2.1 м, Vф = 3.4 м3, Nф = 85 кН.
Расчётное сопротивление грунта основания под подошвой фундамента:
R =
*[Mn*KZ*b*gII + Mq*d1*
+ (Mq-1)*dB*
где
γi и hi – соответственно удельный вес и толщина i-го слоя грунта, залегающего ниже подошвы;
= 0.95*
где hS – толщина слоя грунта выше подошвы фундамента со стороны подвала, м;
hcf - толщина конструкции пола подвала (в курсовом проекте принимается
равной 0.1 м);
γcf - расчётное значение удельного веса конструкции пола подвала (принимается равным 22 кН/м3);
db - глубина подвала – расстояние от уровня планировки до пола подвала, м (для сооружений с подвалом шириной B<20 м и глубиной свыше 2 м принимается
db = 2 м, при ширине подвала B>20 м db = 0).
γc1 = 1.25; γ c2 = 1.1; k = 1.1; Mn =0.72; kz =1; Mq = 3.87; Mc = 6.45; CII = 13 кПа;
γw=10 кН/м3; hS = 1.5 м; db =2 м;
Удельный вес водопроницаемых грунтов, к которым можно отнести все пески,
супеси, суглинки, залегающие ниже уровня подземных вод, но выше водоупора –
глины, вычисляется с учётом взвешивающего действия воды γsb.
gSb =
,
где γs , γw – удельный вес частиц грунта и воды соответственно;
e – коэффициент пористости.
gsb2 =
= 10.31 kH/м3,
gsb3 =
= 9.19 kH/м3,
gII =
= 12.69 kH/м3
gIIo = 0.95*18.5 = 17.575 кН/м3
d1 = 1.5 + 0.1*
= 1.641 м

*[0.72*1*2.1*12.69 + 3.87*1.641*17.575 + (3.87 – 1)*2*17.575 +
,
= 2.54 м2
= 2.6 м2
,
= 6.84*17.575 = 120.213 кН
= 372.3 кПа
*100% =
*100% = 3.94 %
= 3.55 м2
К расчёту принимается фундамент типа:
Ф4.1.1.1. с А = 3.78 м2, b = 1.8 м, Vф = 2.1 м3, Nф = 52.5 кН.
Расчётное сопротивление грунта основания под подошвой фундамента:
R =
= 13.4 kH/м3
gIIo = 0.95*18.5 = 17.575 кН/м3
d1 = 1.65 м
= 3.23 м2
= 268.6 кПа
*100% = 0.07 %
=
= 1.325 м2
К расчёту принимается фундамент типа:
ФЛ14.24.
= 13.207 kH/м3
gIIo = 0.95*18.5 = 17.575 кН/м3
d1 = 0.4 + 0.1* 
= 1.09 м2
= 1.1 м2
*V = 17.575*1.507 =26.48 кН
= 270.25 кПа
*100% = 6.75 %
),
,
где
= 0.569 м.
Высота подпорной стенки:
L = 2.1 + 0.569 = 2.669 м.
sII = 17.575*2.669*tg2(45o -
) = 23 кПа.
Составляющие усилий, действующих в уровне подошвы фундамента:
- суммарная равнодействующая нагрузка:
NII = NoII + Nф + NгрII,
- момент от равнодействующей активного давления грунта с учётом нагрузки
грунта на уступах фундамента:
MII =
- Nгр*eI,
где eI - эксцентриситет действующей нагрузки от грунта, лежащего на уступах
фундамента, относительно его центра тяжести.
NII = 273 + 24.82 + 26.48 = 324.3 кН.
eI = 0.15 + 0.3 = 0.45 м.
MII =
- 26.48*0.45 = - 0.993 кНм,
Эксцентриситет е, м, равнодействующей суммарной вертикальной нагрузки
относительно центра подошвы фундамента определяется по формуле:
e =
=
= - 0.003 м.
Максимальное и минимальное давление под краем фундамента при действии
момента сил относительно только одной из главных осей инерции площади
подошвы фундамента определяются из выражения:
Pmax =
),
Pmin =
(1 +
) = 266.2 кПа,
Pmin =

- a, a =
,





