ЛАБОРАТОРНАЯ РАБОТА №3
ГЕНЕРАТОР РЕЛАКСАЦИОННЫХ КОЛЕБАНИЙ
Лабораторная работа № 3
ГЕНЕРАТОР РЕЛАКСАЦИОННЫХ КОЛЕБАНИЙ
Цель работы: ознакомление с общими принципами построения генераторов, изучение генераторов различных типов.
Приборы и принадлежности:
1. Блокинг-генератор, мультивибратор на транзисторах и лампах.
2. Выпрямитель ВУП-2.
3. Низковольтный выпрямитель.
4. Осциллограф.
5. Динамик.
Повторить по лекциям материал главы 5 §§ 1, 2, 4.
Ответить на вопросы:
1. Как формируются общие условия самовозбуждения всех автогенераторов?
Записать баланс амплитуд и фаз, раскрыть их физический смысл.
2. Какие отличия в принципах работы генераторов синусоидальных и
релаксационных колебаний?
3. Какие характерные особенности имеют схемы мультивибраторов и блокинг-
генераторов?
4. Какую форму имеют колебания релаксационных генераторов? Объясните форму
импульсов.
5. Где применяются генераторы релаксационных колебаний?
Краткая теория
В лекционном курсе излагается общий метод анализа работы автогенераторов, релаксационные генераторы при этом рассматриваются как частный случай.
|
|
|
В данной работе дается более подробное изложение принципов работы генераторов разных типов. При этом, в дополнение к амплитудным и частотным характеристикам (рассмотренным в лекции) генераторов, дается анализ процессов во времени.
БЛОКИНГ-ГЕНЕРАТОР
Блокинг-генератором называется однокаскадный релаксационный генератор с
сильной обратной связью (ПОС), которая создается с помощью импульсного
трансформатора. Преимущество блокинг-генератора ‒ способность создавать
сравнительно мощные импульсы по форме близкие к прямоугольным при
относительно простой схеме.
Недостатком генератора является наличие трансформатора, и в связи с этим трудность миниатюризации схемы.
Существуют различные схемы блокинг-генераторов. Общими элементами всех схем является наличие усилителя (лампа, транзистор), работающего в нелинейном режиме, и устройств ПОС трансформатора.
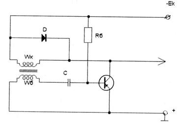
Рассмотрим работу генератора, собранного на транзисторах по схеме с общим эмиттером (рис.1). Работу блокинг-генератора можно разделить на два этапа. На первом, занимающую большую часть периода, транзистор закрыт. На втором - транзистор открыт, и происходит формирование импульсов (рис.2). При подключении схемы к источнику питания в коллекторной цепи возникает ток. Увеличение тока в начальный момент t1 в обмотке Wk приводит к появлению во вторичной обмотке W6 напряжения, которое создает отрицательный потенциал на базе (если обмотки W6 и Wk включены не правильно, то генерация невозможна Необходимо поменять местами концы одной из обмоток). Транзистор открывается, коллекторный ток еще более взрастает, отрицательный потенциал базы увеличивается и т.д. Так возникает лавинообразный процесс, который длится сотые доли микросекунды. Транзистор полностью открывается, т.е. входит в режим насыщения, напряжение на коллекторе Uk уменьшается, при этом формируется передний фронт импульса В режиме насыщения через Wk протекает постоянный ток, транзистор утрачивает усилительные свойства, в результате ПОС нарушается. На отрезке t1 – t2 формируется вершина импульса. Отрицательный потенциал U6 за счет ЭДС индукции вторичной обмотки W6 и разряда конденсатора С через открытый транзистор и W6 не уменьшается до нуля мгновенно, а уменьшается постепенно. Транзистор остается открытым.
|
|
|
В момент времени t2 потенциал U6 падает до нуля, транзистор начинает закрываться. В обмотке W6 ЭДС меняет знак, потенциал базы становится положительным. Транзистор вновь приобретает усилительные свойства. За счет обратной связи образуется лавинообразный процесс, который приводит к запиранию транзистора. При этом формируется задний фронт импульса Ток коллектора становится равным нулю. Напряжение на коллекторе примерно равно Ек. Конденсатор С перезаряжается, на отрезке t2 – t3 потенциал U6 медленно убывает, т.к. конденсатор С разряжается не через закрытый транзистор, а через резистор R6. Интервал между импульсами приблизительно равен периоду колебаний, т.к. t3 – t2 t2 – t1 и определяется приближенно как Т = /3-5/ R6С. По мере уменьшения положительного потенциала базы до нуля процесс повторяется.
Диод Д шунтирует обмотку Wk с во время закрывания транзистора, т.к. ЭДС самоиндукции обмотки Wk велика и возникает опасность пробоя коллекторного перехода транзистора Выходной сигнал блокинг-генератора обычно снимается с дополнительной обмотки трансформатора или с резистора, включенного в цепь эмиттера
МУЛЬТИВИБРАТОР
Мультивибратором называется релаксационный автогенератор прямоугольных импульсов, представляющий собой двухкаскадный RС-усилитель со 100% ПОС.
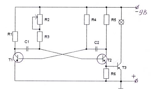
Принципиальная схема мультивибратора на двух транзисторах, включенных по схеме с ОЭ, показана на рис.3.
Если для элементов схемы выполняется условие R1k = R2k = Rk, R1 = R2 = R, С1 = С2 =С, R» Rk, то такой мультивибратор называется симметричным. В реальных схемах абсолютной симметрии достичь невозможно.
Генератор обладает двумя состояниями квазиравновесия: в одном состоянии Т1 закрыт, а Т2 в состоянии насыщения, в другом наоборот.
Цикл работы мультивибратора состоит из быстрых и медленных процессов. Быстрые процессы - переходы транзистора из одного состояния в другое, когда Т1 и Т2 оба работают в режиме усиления между ними существует ПОС. В стадии медленных процессов происходит заряд и перезаряд конденсаторов, при этом один из транзисторов закрыт, а другой насыщен. В этом случае ПОС отсутствует.
Работа мультивибратора в общих чертах может быть описана следующим образом. Пусть при включении питания в схеме существует состояние равновесия, т.е. коллекторные токи равны. Длительно это состояние существовать не может из-за флуктуации и несимметричности схемы. Предположим, что в момент времени t1 коллекторный ток Ik1 транзистора Т1 несколько возрастает. Тогда напряжение на коллекторе Uk1 уменьшается, т.е. потенциал его становится более положительным (рис. 4). Повышение потенциала через С2 передается на базу Т2, коллекторный ток Ik2 уменьшается, напряжение Uk2 возрастает по модулю, т.е. потенциал коллектора становится более отрицательным. Через С1 уменьшение потенциала передается на базу Т1, что приводит к еще большему увеличению Ik1 и т.д., в результате Т1 полностью откроется, а Т2 - закроется. Из-за ПОС этот процесс происходит очень быстро. Усилительные свойства транзисторов в конце процесса теряются и ПОС прекращается. Конденсатор С1 будет полностью разряжен через открытый транзистор Т1, а С2 - заряжен до напряжения Ек.
|
|
|
Далее в интервале t1 – t2 С1 заряжается через Rk2, а С2 разряжается сравнительно медленно через большое сопротивление R2. В момент времени 12 потенциал правой обкладки С2 становится близким к нулю, транзистор Е2 начинает открываться, и в схеме мультивибратора начинается лавинообразный переброс, в результате которого Т1 оказывается закрыт, а Т2 - открыт. Процессы зарядки и перезарядки конденсаторов будут чередоваться, создавая незатухающие колебания в мультивибраторе.
ОПИСАНИЕ ЛАБОРАТОРНЫХ СХЕМ.
· Блокинг-генератор собран на печатной плате по схеме, показанной рис.5. В отличие от схемы, рассмотренной ранее (рис.1) в цепь эмиттера введена нагрузка R3, а также предусмотрен резистор R1 для регулирования периода колебаний и вместо С включено.два конденсатора С1 и С2. Подключение или отсоединение С2 позволяет изменять длительность импульса.
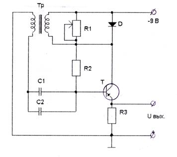
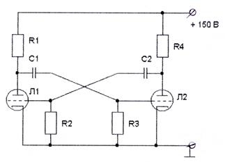
· Мультивибратор на транзисторах собран по схеме рис.6. Резистор R2 позволяет регулировать частоту колебаний. R6 - нагрузка для транзистора Т2. Напряжение с R6 поступает на базу Т3, в цепь коллектора которого включена лампочка накаливания Л. Транзистор Т3 выполняет функцию бесконтактного реле. На рис.7 приведена схема симметричного мультивибратора на двойном триоде. Параметры схемы выбраны так, чтобы частота колебаний была достаточно велика для наблюдения процессов с помощью осциллографа.
ВЫПОЛНЕНИЕ РАБОТЫ.
1. Подключить источник питания к блокинг-генератору, параллельно R3 включить динамик. Вращая ползунок R1, наблюдать изменение частоты колебаний. (рис.5)
2. Отсоединить динамик. Подключить осциллограф параллельно нагрузке. Зафиксировать изменение формы сигнала при вращении R1.
3. При постоянном значении R1 сравнить форму сигнала на нагрузке и на базе транзистора (корпус транзистора). Зарисовать осциллограммы.
4. Зафиксировать изменение формы сигнала при изменении емкости, подключая и отсоединял С2.
|
|
|
5. Собрать схему мультивибратора на транзисторах. Вращая ползунок R2,
наблюдать изменение частоты мигания лампочки. (рис.6)
6. Собрать схему лампового мультивибратора, используя следующие значения величин: R1 = R4 = 20 кОм, С1= С2 = 1000 пФ,
R2 – R3 = (30-120) кОм. Подключить напряжение накала и анода, наблюдать осциллограммы сеточных и анодных напряжений для обеих ламп. Зарисовать осциллограммы с учетом фазовых сдвигов.
7. Рассчитать период и частоту колебаний по формуле:

производя соответствующие измерения. Оценить частоту колебаний с помощью осциллографа. Сравнить экспериментальные данные с результатами расчетов.
СОДЕРЖАНИЕ ОТЧЕТА.
Отчет должен содержать принципиальные схемы и схемы лабораторных стендов, результаты наблюдений, расчеты и выводы.
КОНТРОЛЬНЫЕ ВОПРОСЫ.
1. Объясните общие и отличительные признаки работы мультивибраторов и блокинг-генераторов, характерные особенности схем.
2. Объясните последовательность процессов, протекающих во времени в генераторах обоих типов, используя принципиальные схемы и форму колебаний.
3. Какие элементы схем определяют частоту колебаний?
4. Приведите примеры применения релаксационных генераторов в конкретных устройствах.
5. По аналогии со схемой мультивибратора на транзисторах объясните характер процессов в ламповых мультивибраторах.
ЗАДАНИЕ ПО УИРС.
1. Соберите схему генератора релаксационных колебаний не неоновой лампе.

2. Получите на осциллографе пилообразные колебания. Определите частоту колебаний в крайних положениях движка переменного резистора.
3. Объясните принцип работы генератора. Приведите примеры его применения.

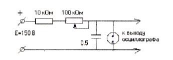
Рис. 1

Рис. 2

Рис.3
(RC – генератор)

Рис. 4

Рис.5

Рис.6

Рис.7






