Построение многоцветной гирлянды, работающей в режиме «бегущая волна», основывается на использовании нескольких цепочек с последовательно соединёнными одноцветными лампами. Эти цепочки организуются в жгут таким образом, чтобы лампы одного цвета пространственно были смещены относительно ламп других цветов на фиксированное расстояние. При поочерёдном включении цепочек создаётся зрительное впечатление «бегущей волны». Для обеспечения такой последовательности переключений создадим условия, при которых установка в ON любого (i) –го R-S триггера, задающего интервал горения одной цепочки, будет готовить срабатывание (i+1) –го триггера и сбрасывать в OFF состояние предыдущего, т.е. (i - 1) –го триггера. Это внесёт определённость в последовательность переключений цепочек при составлении программы.
Запуск схемы в работу будем производить включением тумблера, а с целью упрощения программы откажемся от использования начального сброса триггеров в состояние OFF при включении.

Рис. 3.24
|
|
|
Приведённое словесное описание работы изобразим в виде временных диаграмм (рис. 3.24), представляющих собой более подробнуюдетализацию функций, выполняемых будущей программой.
Включение тумблера (диаграмма а) в момент, совпадающий с передним фронтом импульса включения (диаграмма б), переводит первый (верхний) R-S триггер в состояние ON (д) и вызывает запуск генератора импульсов в автоколебательном режиме с устанавливаемым периодом колебаний. Выходные импульсы (в) генератора после «дифференцирования» по переднему фронту (г) подаются на конъюнкторы 2-го, 3-го и 4-го каналов, где вместе с сигналами подготовки к срабатыванию (выходы B 18, B 19 и B 20 на рис. 3.25) участвуют в установке соответствующего триггера в состояние ON. Сигнал подготовки к срабатыванию второго R-S триггера (показан на диаграмме е) задерживается на 100 ms относительно момента появления его на выходе первого триггера (диаграмма д). Конъюнкторы, фиксирующие совпадение сигналов с диаграмм (г) и (е), обеспечивают запуск триггера второго канала (ж) и сброс триггера первого канала (д). Продолжительность включенных состояний каналов равна периоду колебаний генератора (д). Переключения со второго канала на третий и с третьего на четвёртый происходят аналогичноописанному. Отличие существует лишь в обеспечении установки активного состояния первого триггера, так как функционально она происходит несколько иначе: помимо переключения с четвёртого канала на первый, которое выполняется по тому же принципу, что и остальные, надо обеспечить начальный запуск триггера при включении.

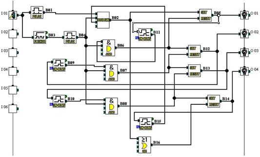
Рис. 3.25
Поэтому, чтобы не составлять требуемую функцию из простейших логических схем, в цепи первого канала включен типовой функциональный блок BOOLEAN, выполняющий операцию B 02 = B 01 OR (B04 AND B 15). Штриховкой на рис. 3.24 обозначены интервалы горения ламп каждого из каналов.






