Изучение резьбовых соединений
Разработал: к.т.н., доц. Пузанова О.В.
ст. пр. Науменко А.Е.
Рецензент: д.т.н., Даньков А.М.
Утверждено
на заседании кафедры ОПМ
26.10.2011 протокол №4
Цель работы
1.1 Ознакомление с основными типами резьбовых соединений: с конструктивными формами болтов, винтов, шпилек, гаек и шайб.
1.2 Ознакомление с основными способами стопорения резьбовых соединений.
1.3 Ознакомление с основными типами ключей (см. приложение).
Типы соединений
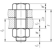
Соединение болтом или винтом с гайкой - болтовое соединение (рисунок 1, а).
Соединение болтом или винтом, завернутым в резьбовое отверстие - винтовое соединение (рисунок 1, б).
Соединение шпилькой (рисунок 1, в).
При выборе одного из этих трех вариантов учитывают прочность материала соединяемых деталей, частоту сборки и разборки деталей.
При многократной сборке и разборке во избежание повреждения резьбы в корпусной детали предпочтительны варианты по рисунку 1, а или рисунку 1, в.
В болтовом соединении затяжка возможна, если длина не нарезанной части болта или винта меньше суммарной толщины соединяемых деталей, т.е.
|
|
|
< 
В соединении винтом или шпилькой необходимо выполнять условие:
<
.
Запас резьбы всех типов соединений:
,
где d - наружный диаметр резьбы.

а) соединение болтовое

б) соединение винтовое

в) соединение шпилькой
Рисунок 1 – Типы резьбовых соединений
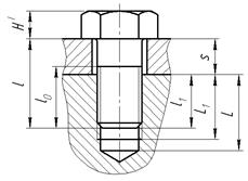
Выход конца болта или шпильки из гайки:
l3 = (0,2...0,3) d
Глубина завинчивания болтов, винтов и шпилек в тело детали устанавливается из условия равнопрочности резьбы и стержня.
Для стальных винтов (болтов) глубина завинчивания в детали из стали:
‑ из стали l1 = (0,8...1,0) d;
‑ из чугуна l1 = (1,35...1,5) d;
‑ из бронзы l1 = (1,2...1,3) d;
‑ из мягких металлов l1
2d.
Глубина нарезки резьбы в корпусе должна быть не менее:
L1 = l1 + 2p,
где р - шаг резьбы.
Глубина сверления отверстия под резьбу не менее
L1 = l1 + 6p.






