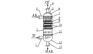
Для повышения эффективности поглощения газа в абсорберы вместо контактных насадок устанавливают тарелки специальной конструкции. Эскиз абсорбера, укомплектованного тарелками, приведен на рисунке 11.
| 1 и 4 – коллектор ввода и вывода газа; 2 – корпус; 3 и 13 – коллектор ввода и вывода абсорбента; 5 и 12 – крышка и днище; 6 – отбойные тарелки капель абсорбента; 7 – оросительное устройство; 8 – карманы для слива абсорбента; 9 – слой жидкой фазы на тарелке; 10 – тарелки; 11 – колосниковая решетка; |
Рисунок 11 – Абсорбер тарельчатого типа
В зависимости от конструкции тарелок и линейной скорости газового потока различают три гидродинамических режима:
- пузырьковый (Vг=0,2 ÷0,4 м/с)
- пенный (Vг=0,5 ÷3 м/с)
- струйный (Vг=4 ÷ 20 м/с)
Колпачковые тарелки (рисунок 12).
| 1 – корпус тарелки; 2 – втулка; 3 – колпачок; 4 – сливной патрубок; δ – толщина тарелки, мм. h – высота сливного канала (слой абсорбента на тарелке), мм. |
Рисунок 12 – Тарелка колпачкового типа
В колпачковых тарелках реализуется гидродинамический режим перекрестного типа. Высота жидкой фазы определяет сопротивление тарелки ΔРс=h1 (мм.ж.ф.).
Выводы
Освоена методика определения абсолютного и предотвращённого ущербов от отработанных газов СЭУ при работе на разных видах топлив.
Определён абсолютный ущерб от воздействия токсикантов отработанных газов СЭУ воздушному бассейну на разных видах топлив.
Определёна величина предотвращённого ущерба от отработанных газов СЭУ при работе на разных видах топлив.
Определена величина удельного ущерба воздушному бассейну при работе СЭУ на разных видах топлив.
Разработаны технические рекомендации по снижению ущерба воздушному бассейну от отработанных газов СЭУ при работе на разных видах топлив.






